Редуктор А-700-5.0 шевронний
Циліндричний горизонтальний шевронний редуктор А-700-5.0
Редуктори А-700-5.0 — це одноступеневі перетворювальні пристрої, що використовують шевронне зачеплення для отримання раціоналізованих під певну систему величин. Циліндричні перетворювачі цього типу встановлюються на горизонтальну поверхню та закріплюються за допомогою високоміцних металізаторів.
Шевронний редуктор експлуатується переважно в гірсько-збагаченому обладнанні. Він здатний працювати в широкому діапазоні режимів, з високим ККД і зниженим рівнем шумовиділення.
Механічні перетворювачі від виробника «Промпривод»
Пропонуємо вам величезний вибір промислового обладнання, зокрема редукторів, мотор-редукторів, лебідок, гідравлічного обладнання й інших механізмів від вітчизняного досвідченого виробника компанії «ПромПривод». У нас ви зможете купити редуктори А-700, отримавши безплатну допомогу експерта з підбирання механізмів, а також чималий знижок за потреби купити редуктори гуртом.
Надаємо гарантію та вигідні умови співпраці для покупців з усієї України.
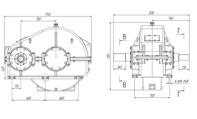
Основні установлювальні та габаритні розміри редуктора А-700

Розміри вхідного та вихідного вала редуктора А-700

Основні параметри редуктора А-700
| Найменування параметрів | Значення |
| Тип передавання | Циліндричний |
| Кількість щаблів | Одноступеневий |
| Розташування осей | Паралельне |
| Передавальне відношення | 5.0 |
| Номінальний крутний момент, Н·м | 13000 |
| Сумарна міжосьова відстань, мм | 700 |
| Маса, кг | 3400 |
| Максимальна швидкість обертання швидкохідного вала, об/хв | 1000 |
| Вихідний контур передавання | ГОСТ 13755-81 |
| Номінальна частота обертання вихідного вала, об/хв | 750 |
| Номінальне радіальне консольне навантаження, прикладено в середині посадкової частини, швидкохідного вала, Н | 6700 |
| Номінальне радіальне консольне навантаження, прикладено в середині посадкової частини, тихохідного вала, Н | 28500 |
| ККД | 98% |
| Коригований рівень звукової потужності, дБА | 113 |
Шевронне зубчасте зачеплення

Пример условного обозначения редуктора А-700

Редуктор А-700-5.0 шевронный
Відгуків про цей товар ще не було.
Немає відгуків про цей товар, станьте першим, залиште свій відгук.
Немає питань про даний товар, станьте першим і задайте своє питання.