Редуктор А-700 шевронний горизонтальний
Горизонтальний редуктор А-700 шевронний спеціальний
Спеціальний шевронний редуктор А-700 використовується в металургічній зоні як комплектувальний приводи млин типу МШР, МСЦ тощо. До переваг цього механізму можна віднести його зменшені габарити, плавність ходу, покращений показник ресурсу перетворювача, робота з постійним передавальним числом.
Редуктор належить до одноступеневих циліндричних механізмів, складники частини якого зачеплені один з одним шевронним способом.
Купити горизонтальні редуктори А-700 за мінімальною ціною ви можете, зв'язавшись у компанію «Промпривод». У нас величезний вибір промислового обладнання, який пройшов технічний контроль і має всі необхідні документи. Телефонуйте нам і придбайте редуктори шевронні, ціна на які буде знижена під час гуртового замовлення.
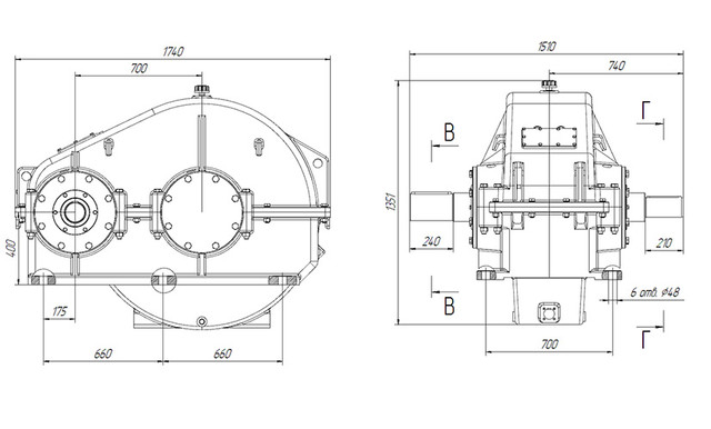
Основні установлювальні та габаритні розміри редуктора А-700

Розміри вхідного та вихідного вала редуктора А-700

Основні параметри редуктора А-700
| Найменування параметрів | Значення |
| Тип передавання | Циліндричний |
| Кількість щаблів | Одноступеневий |
| Розташування осей | Паралельне |
| Передавальне відношення | 3.5, 4, 4.5, 5, 6.3 |
| Номінальний крутний момент, Н·м | 13000 |
| Сумарна міжосьова відстань, мм | 700 |
| Маса, кг | 3400 |
| Максимальна швидкість обертання швидкохідного вала, об/хв | 1000 |
Шевронне зубчасте зачеплення

Пример условного обозначения редуктора А-700

Редуктор А-700 шевронный горизонтальный
Відгуків про цей товар ще не було.
Немає відгуків про цей товар, станьте першим, залиште свій відгук.
Немає питань про даний товар, станьте першим і задайте своє питання.