Редуктор А-700 шевронний циліндричний
Циліндричний горизонтальний редуктор А-700 (шевронний)
Горизонтальний одноступеневий редуктор А-700 це потужний спеціалізований пристрій, основне призначення якого полягає в перетворювальній функції, що гарантує раціоналізацію всього робочого процесу. Механізм використовує одноступеневе циліндричне передавання із шевронним зачепленням зубців для зменшення частоти обертання і збільшення крутного моменту, який передається на приводну машину.
Особливості редуктора А-700
- Використання шевронного зачеплення, яке гарантує плавний хід, високу продуктивність, захист підшипників від передчасного виходу з ладу та порівняно невеликі габарити та масу перетворювача.
- Горизонтальне вироблення.
- Виробництво в таких передавальних числах: 3.5, 4. 4.5, 5, 6.3.
Замовити редуктор можете відразу ж на сайті або надіславши лист із заявкою на нашу електронну адресу. У разі виникнення додаткових питань, а також за потреби допомоги в підборі товару, ви можете зателефонувати на телефон, вказаний на сайті та поспілкуватися з нашими фахівцями. Редуктор А-700 купити дуже просто телефонуйте, пишіть або залиште свою заявку на сайті!
На замовлення ви також отримуєте гарантію на 12 місяців і паспорт із докладними характеристиками редуктора.
Доставка виконується на всій території України в найкоротші терміни та будь-яким зручним способом.
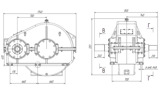
Основні установлювальні та габаритні розміри редуктора А-700

Розміри вхідного та вихідного вала редуктора А-700

Основні параметри редуктора А-700
| Найменування параметрів | Значення |
| Тип передавання | Циліндричний |
| Кількість щаблів | Одноступеневий |
| Розташування осей | Паралельне |
| Передавальне відношення | 3.5, 4, 4.5, 5, 6.3 |
| Номінальний крутний момент, Н м | 13000 |
| Сумарна міжосьова відстань, мм | 700 |
| Маса, кг | 3400 |
| Максимальна швидкість обертання швидкохідного вала, об/хв | 1000 |
Шевронне зубчасте зачеплення
Приклад умовного позначення редуктора А-700

Редуктор А-700 шевронный цилиндрический
Відгуків про цей товар ще не було.
Немає відгуків про цей товар, станьте першим, залиште свій відгук.
Немає питань про даний товар, станьте першим і задайте своє питання.