Редуктор Ч-160
Редуктор черв'ячний Ч-160
Редуктор черв'яковий одноступінчастий універсальний Ч-160 загального призначення і призначений для зміни крутящего моменту і частоти обертання. Експлуатується редуктор Ч-160 у мікрокліматичних районах з помірним кліматом (виконання П), сухим та вологим тропічним кліматом (виконання Т) категорій розміщення 1, 2, 3, 4 згідно з ГОСТ 15150-69.
Можлива заміна – редуктор 1Ч-160.
УМОВИ ЗАСТОСУВАННЯ РЕДУКТОРІВ:
- навантаження постійне та змінне одного напрямку та реверсивне;
- робота постійна та з періодичними остановками;
- обертання валів у будь-який бік;
- температура довкілля – від мінус 40 до плюс 50°С;
- зовнішня среда — неагресивна, невибухонебезпечна.
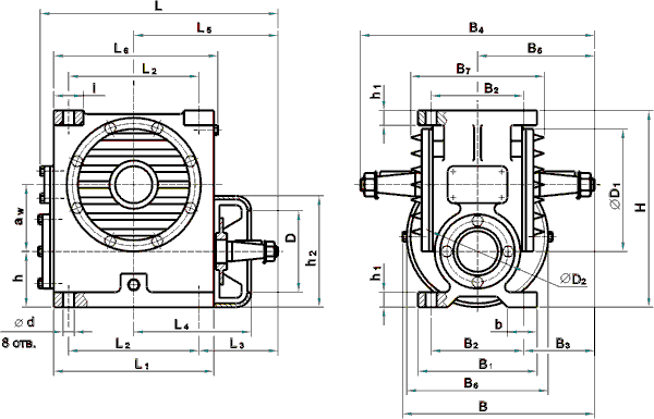
Габаритні та приєднувальні розміри редуктора Ч-160

| Типорозмір редуктора | aw | L | L1 | L2 | L3 | L4 | L5 | L6 | I | d | b | H | h |
| Ч-160 | 160 | 551 | 350 | 300 | 195 | 245 | 345 | 373 | 70 | 22 | 70 | 500 | 150 |
| Типорозмір редуктора | h1 | h2 | D | D1 | D2 | B | B1 | B2 | B3 | B4 | B5 | B6 | B7 |
| Ч-160 | 30 | 271 | 100 | 340 | 210 | 434 | 280 | 230 | 165 | 560 | 280 | 286 | 278 |

| Вихідні кінці валів | L | L1 | L2 | L3 | b | d | d1 | t | m | |
| Конічні | Швидкохідний вал | 110 | 82 | 28 | 20 | 10 | 40 | M24×2-8g | 20.95 | – |
| Тихохідний вал | 140 | 105 | 50 | 40 | 18 | 70 | M48×3-8g | 36.38 | – | |
| Циліндричні | Швидкохідний вал | 110 | – | – | – | 12 | 40 | – | 43 | – |
| Тихохідний вал | 140 | – | – | – | 20 | 70 | – | 74.5 | – | |
| Вал порожнистий шліцевий | 275 | 130 | 72.5 | – | – | 70 | 72 | – | 2.5 | |
Варіанти збирання редуктора

Варіанти розташування черв'ячної пари

Примітка: черв'ячна пара редуктора Ч-160 взаємозамінна з черв'ячною парою редуктора 1Ч-160.
Технічні характеристики редуктора Ч-160
| Передавальні числа | Частота обертання вхідного вала, об/хв | Максимальне навантаження на валу | |||||||
| Ном. | Факт. | 1500 | 1000 | 750 | Вхід. вал, Н | Вихід. вал, Н | |||
| Допустимий Мкр на вих. валу, Нм | ККД | Допустимий Мкр на вих. валу, Нм | ККД | Допустимий Мкр на вих. валу, Нм | ККД | ||||
| 8 | 8 | 1250 | 0.94 | 1400 | 0.93 | 1567 | 0.92 | 1600 | 11000 |
| 10 | 10.5 | 1153 | 0.93 | 1294 | 0.92 | 1450 | 0.91 | ||
| 12.5 | 13 | 1150 | 0.93 | 1290 | 0.91 | 1440 | 0.90 | ||
| 16 | 16 | 1390 | 0.91 | 1557 | 0.89 | 1743 | 0.88 | ||
| 20 | 21 | 1150 | 0.88 | 1290 | 0.86 | 1442 | 0.84 | ||
| 25 | 26 | 1110 | 0.87 | 1243 | 0.85 | 1392 | 0.83 | ||
| 31.5 | 32 | 1600 | 0.83 | 1790 | 0.82 | 2000 | 0.79 | ||
| 40 | 42 | 1244 | 0.79 | 1360 | 0.76 | 1522 | 0.73 | ||
| 50 | 52 | 1168 | 0.73 | 1310 | 0.74 | 1465 | 0.71 | ||
| 63 | 66 | 1033 | 0.74 | 1157 | 0.7 | 1295 | 0.66 | ||
| 80 | 78 | 1092 | 0.74 | 1223 | 0.69 | 1370 | 0.64 | ||
ПРИКЛАД УМОВНОГО ПОЗНАЧЕННЯ ПРИ ЗАМОВЛЕННІ:
Редуктор Ч160-20-52-У3, де:
Ч - тип редуктора;
160 - міжосьова відстань, мм;
20 - номінально передавальне число;
52 - варіант складання;
У3 — кліматичне виконання й категорія розміщення.
Редуктор Ч-160
Відгуків про цей товар ще не було.
Немає відгуків про цей товар, станьте першим, залиште свій відгук.
Немає питань про даний товар, станьте першим і задайте своє питання.