Редуктор КЦ1-200-14
Редуктор КЦ1 – 200-14
Редуктор КЦ1-200-14 дуже популярний та надійний помічник на виробництві. Такі агрегати потрібні для конвертування показників моменту, що крутить, і частоти обертання валу в приводах кранового обладнання.
Редуктори цієї моделі отримали сертифікат європейської якості. Вали пристрою обертаються у різному напрямку, що дозволяє експлуатувати його з реверсивним навантаженням. Також редуктор відмінно працює з прямим і змінним навантаженням. Окружна швидкість зубчастих передач повинна опускатися нижче, ніж 12 м/с.
Компанія «Промпривод» вже понад 10 років стабільно стоїть на ринку України. Політика компанії полягає у довгостроковій співпраці, тому ми максимально швидко доставляємо продукцію найвищої якості за дуже вигідною ціною. Доставка можлива по всій Україні. Гарантія якості на обладнання – 12 місяців з моменту придбання. Для постійних клієнтів та оптових покупців діє гнучка система знижок.
Редуктор КЦ1-200: габаритні та приєднувальні розміри

Технічні характеристики: редуктор КЦ1-200
| Передавальне число | Момент крутіння на виході, Нм | Швидкість обертання вхідного валу, об/хв | Навантаження на валах, Н | Вага пристрою, кг | |
| швидкохідний | тихохідний | ||||
| 14 | 900 | 1500 | 900 | 5600 | 185 |
| AWT | A | A1 | B | H | H1 | h | h1 | L | L1 | L2 | L3 | L4 | d | |
| 200 | 375 | 250 | 300 | 435 | 225 | 20 | - | 900 | 480 | 85 | 460 | 247 | 17 | 4 |
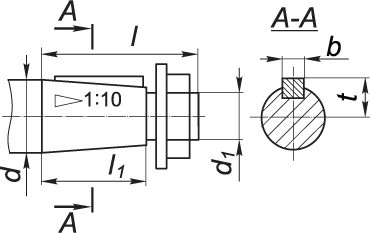
Розміри швидкохідного (конічного) валу редуктора КЦ1-200:

| d | d1 | l | l1 | b | t |
| 40 | М24×2 | 110 | 82 | 10 | 20.9 |
Розміри тихохідного (циліндричного) валу редуктора КЦ1-200:

| d2 | l2 | b1 | t1 |
| 45 | 80 | 14 | 48.5 |
Розміри тихохідного вала (зубчастої напівмуфти) редуктора КЦ1-200:

| b | d | d1 | L | l | l1 | Зачеплення | |
| m | z | ||||||
| 20 | 126 | 80 | 219 | 14 | 45 | 3 | 40 |
Редуктор КЦ1-200 має 3 варіанти складання, які показані нижче:

Редуктор КЦ1-200 умовне позначення:
Важливо. Виконання кінця тихохідного валу може бути циліндричним – Ц або у вигляді частини зубчастої муфти – М.
Редуктор КЦ1-200-14
Відгуків про цей товар ще не було.
Немає відгуків про цей товар, станьте першим, залиште свій відгук.
Немає питань про даний товар, станьте першим і задайте своє питання.
