Редуктор КЦ1-200-20
Редуктор КЦ1-200-20
Двоступінчастий редуктор КЦ1-200-20 – це агрегат із циліндричним типом передачі. Такі пристрої встановлюють на підйомно-транспортне обладнання, що використовуються у різних галузях виробництва. Завдання даного редуктора полягає в перетворенні моменту, що крутить, і частоти обертання валу в приводах.
Конструкцією пристрою передбачено обертання валів у різному напрямку, без особливої переваги. Ця особливість дозволяє використовувати редуктор не тільки з прямим або змінним навантаженням, але і з реверсивним. Швидкість обертання вхідного валу має перевищувати 1500 оборотів за хвилину. Також окружна швидкість зубчастих передач має опускатися нижче, ніж 12 м/с.
Компанія «Промпривод» вже понад 10 років стабільно стоїть на ринку України. Політика компанії полягає у довгостроковій співпраці, тому ми максимально швидко доставляємо продукцію найвищої якості за дуже вигідною ціною. Доставка можлива по всій Україні. Гарантія якості на обладнання – 12 місяців з моменту придбання. Для постійних клієнтів та оптових покупців діє гнучка система знижок.
Редуктор КЦ1-200: габаритні та приєднувальні розміри

Технічні характеристики: редуктор КЦ1-200
| Передатне число | Момент кручення на виході, Нм | Швидкість обертання вхідного вала, об/хв | Навантаження на валах, Н | Вага пристрою, кг | |
| швидкохідний | тихохідний | ||||
| 20 | 900 | 1500 | 1200 | 6150 | 185 |
| AWT | A | A1 | B | H | H1 | h | h1 | L | L1 | L2 | L3 | L4 | d | |
| 200 | 375 | 250 | 300 | 435 | 225 | 20 | - | 900 | 480 | 85 | 460 | 247 | 17 | 4 |
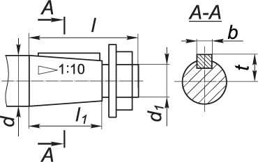
Розміри швидкохідного (конічного) валу редуктора КЦ1-200:

| d | d1 | l | l1 | b | t |
| 40 | М24×2 | 110 | 82 | 10 | 20.9 |
Розміри тихохідного (циліндричного) валу редуктора КЦ1-200:

| d2 | l2 | b1 | t1 |
| 45 | 80 | 14 | 48.5 |
| b | d | d1 | L | l | l1 | Зачеплення | |
| m | z | ||||||
| 20 | 126 | 80 | 219 | 14 | 45 | 3 | 40 |
Редуктор КЦ1-200 має 3 варіанти збирання, які показані нижче:

Важно. Виконування кінця тихенькохідного вала може бути циліндричним — Ц або у формі частини зубчастої муфти — М.
Редуктор КЦ1-200-20
Відгуків про цей товар ще не було.
Немає відгуків про цей товар, станьте першим, залиште свій відгук.
Немає питань про даний товар, станьте першим і задайте своє питання.