Редуктор КЦ1-250-14
Редуктор КЦ1-250-14
Редуктор КЦ1-250-14 відноситься до двоступінчастих конічно-циліндричних пристроїв, які встановлюють на приводи підйомно-транспортного обладнання. Дані редуктори перетворюють показники крутного моменту та частоти обертання валу.
Специфіка агрегату в тому, що вали можуть обертатися в обох напрямках, що дозволяє експлуатувати його з реверсивним навантаженням. Також редуктор безперебійно працює як із зупинками, так і з постійним навантаженням протягом доби. Ідеальне середовище не агресивне і в міру запилене.
Компанія «Промпривод» вже понад 10 років стабільно стоїть на ринку України. Політика компанії полягає у довгостроковій співпраці, тому ми максимально швидко доставляємо продукцію найвищої якості за дуже вигідною ціною. Співпрацюючи з нами, ви отримуєте не лише вигідні ціни, а й гарантію на весь товар на 12 місяців, що доводить високу якість обладнання. Доставка можлива по всій Україні.
Редуктор КЦ1-250: габаритні та приєднувальні розміри

Технічні характеристики: редуктор КЦ1-250:
| Передавальне число | Момент крутіння на виході, Нм | Швидкість обертання вхідного валу, об/хв | Навантаження на валах, Н | Вага пристрою, кг | |
| швидкохідний | тихохідний | ||||
| 14 | 1400 | 1500 | 800 | 9350 | 320 |
| AWT | A | A1 | B | H | H1 | h | h1 | L | L1 | L2 | L3 | L4 | d | n |
| 250 | 480 | 325 | 375 | 515 | 265 | 25 | - | 1170 | 600 | 120 | 625 | 320 | 22 | 4 |
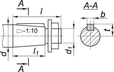
Розміри швидкохідного (конічного) валу редуктора КЦ1-250:

| d | d1 | l | l1 | b | t |
| 50 | М36×3 | 110 | 82 | 12 | 26 |
Розміри тихохідного (циліндричного) валу редуктора КЦ1-250:

| d2 | l2 | b1 | t1 |
| 55 | 110 | 16 | 59 |
Розміри тихохідного валу (зубчастої напівмуфти) редуктора КЦ1-250:

| b | d | d1 | L | l | l1 | Зачеплення | |
| m | z | ||||||
| 25 | 150 | 90 | 267 | 14 | 48 | 3 | 48 |
Редуктор КЦ1-250 має 3 варіанти складання, які показані нижче:

Редуктор КЦ1-250 умовне позначення:

Важливо. Виконання кінця тихохідного валу може бути циліндричним – Ц або у вигляді частини зубчастої муфти – М.
Редуктор КЦ1-250-14
Відгуків про цей товар ще не було.
Немає відгуків про цей товар, станьте першим, залиште свій відгук.
Немає питань про даний товар, станьте першим і задайте своє питання.