Редуктор КЦ1-300-10
Редуктор КЦ1-300-10
Редуктор КЦ1-300-10 - це конічно-циліндричний агрегат, який використовують у механізмах підйомно-транспортного та ремонтно-експлуатаційного обладнання. Принцип роботи даного механізму полягає в перетворенні моменту, що крутить, і частоти обертання.
Редуктори дуже прості в експлуатації, до того ж їх застосовую у помірному та тропічному кліматі. Вали такого пристрою обертаються в обох напрямках, без особливої переваги. Частота обертання вхідного валу вбирається у 1500 обертів на хвилину. Такі редуктори не люблять запилене середовище.
Компанія «Промпривод» вже понад 10 років стабільно стоїть на ринку України. Політика компанії полягає у довгостроковій співпраці, тому ми максимально швидко доставляємо продукцію найвищої якості за дуже вигідною ціною. Співпрацюючи з нами, ви отримуєте не лише вигідні ціни, а й гарантію на весь товар на 12 місяців, що доводить високу якість обладнання. Доставка можлива по всій Україні.
Редуктор КЦ1-300: габаритні та приєднувальні розміри

Технічні характеристики: редуктор КЦ1-300:
| Передавальне число | Момент крутіння на виході, Нм | Швидкість обертання вхідного валу, об/хв | Навантаження на валах, Н | Вага пристрою, кг | |
| швидкохідний | тихохідний | ||||
| 10 | 1700 | 1500 | 1050 | 10300 | 405 |
| AWT | A | A1 | B | H | H1 | h | h1 | L | L1 | L2 | L3 | L4 | d | n |
| 300 | 545 | 350 | 450 | 607 | 315 | 25 | - | 1275 | 680 | 120 | 625 | 385 | 22 | 6 |
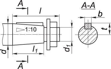
Розміри швидкохідного (конічного) валу редуктора КЦ1-300:

| d | d1 | l | l1 | b | t |
| 50 | М36×3 | 110 | 82 | 12 | 26 |
Розміри тихохідного (циліндричного) валу редуктора КЦ1-300:

| d2 | l2 | b1 | t1 |
| 70 | 140 | 20 | 74.5 |
Розміри тихохідного валу (зубчастої напівмуфти) редуктора КЦ1-300:

| b | d | d1 | L | l | l1 | Зачеплення | |
| m | z | ||||||
| 25 | 174 | 110 | 370 | 14 | 60 | 4 | 56 |
Редуктор КЦ1-300 має 3 варіанти складання, які показані нижче:

Редуктор КЦ1-300 умовне позначення:

Важливо. Виконання кінця тихохідного валу може бути циліндричним – Ц або у вигляді частини зубчастої муфти – М.
Редуктор КЦ1-300-10
Відгуків про цей товар ще не було.
Немає відгуків про цей товар, станьте першим, залиште свій відгук.
Немає питань про даний товар, станьте першим і задайте своє питання.