Редуктор КЦ1-300-14
Редуктор КЦ1-300-14
Двоступінчастий редуктор КЦ1-300-14 має циліндричний тип передачі. Такі пристрої встановлюють із приводами для зміни параметрів крутного моменту та частоти обертання валу.
Головна особливість редуктора – його швидкохідна передача. Завдяки цьому пристрій має невеликі розміри і високий показник ККД. Вали агрегату обертаються в будь-якому напрямку, що дозволяє використовувати редуктор із реверсивним навантаженням. Частота обертання вхідного валу має перевищувати 1500 оборотів на хвилину.
Компанія «Промпривод» вже понад 10 років стабільно стоїть на ринку України. Політика компанії полягає у довгостроковій співпраці, тому ми максимально швидко доставляємо продукцію найвищої якості за дуже вигідною ціною. Співпрацюючи з нами, ви отримуєте не лише вигідні ціни, а й гарантію на весь товар на 12 місяців, що доводить високу якість обладнання. Доставка можлива по всій Україні.
Редуктор КЦ1-300: габаритні та приєднувальні розміри

Технічні характеристики: редуктор КЦ1-300:
| Передавальне число | Момент крутіння на виході, Нм | Швидкість обертання вхідного валу, об/хв | Навантаження на валах, Н | Вага пристрою, кг | |
| швидкохідний | тихохідний | ||||
| 14 | 2200 | 1500 | 1000 | 11700 | 405 |
| AWT | A | A1 | B | H | H1 | h | h1 | L | L1 | L2 | L3 | L4 | d | n |
| 300 | 545 | 350 | 450 | 607 | 315 | 25 | - | 1275 | 680 | 120 | 625 | 385 | 22 | 6 |
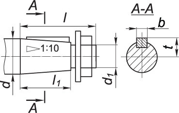
Розміри швидкохідного (конічного) валу редуктора КЦ1-300:

| d | d1 | l | l1 | b | t |
| 50 | М36×3 | 110 | 82 | 12 | 26 |
Розміри тихохідного (циліндричного) валу редуктора КЦ1-300:

| d2 | l2 | b1 | t1 |
| 70 | 140 | 20 | 74.5 |
Розміри тихохідного валу (зубчастої напівмуфти) редуктора КЦ1-300:

| b | d | d1 | L | l | l1 | Зачеплення | |
| m | z | ||||||
| 25 | 174 | 110 | 370 | 14 | 60 | 4 | 56 |
Редуктор КЦ1-300 має 3 варіанти складання, які показані нижче:

Редуктор КЦ1-300 умовне позначення:

Важливо. Виконання кінця тихохідного валу може бути циліндричним – Ц або у вигляді частини зубчастої муфти – М.
Редуктор КЦ1-300-14
Відгуків про цей товар ще не було.
Немає відгуків про цей товар, станьте першим, залиште свій відгук.
Немає питань про даний товар, станьте першим і задайте своє питання.