Редуктор КЦ1-400-28
Редуктор КЦ1-400-28
Редуктор КЦ1-400-28 відноситься до двоступінчастих конічно-циліндричних пристроїв, які встановлюють на приводи підйомно-транспортного обладнання. Редуктори перетворюють показники моменту, що крутить, і частоти обертання валу в приводах, тим самим забезпечуючи безперебійну роботу обладнання.
Такі редуктори комфортно почуваються в помірному і вологому тропічному кліматі. Стабільно працюють як із зупинками, так і безперервно протягом доби.
Навантаження може бути будь-яким: пряме, постійне, періодичне або реверсивне. Вали пристрою можуть обертатися в будь-якому напрямку, але швидкість вхідного валу не повинна опускатися нижче 12 м/с.
Замовити редуктори та інші пристрої ви можете у нас, залишивши заявку, або зателефонувавши за телефоном, вказаним на сайті. Наші менеджери представлять вам усі технічні характеристики та допоможуть вам вибрати необхідний пристрій. Співпрацюючи з компанією «Промпривод», ви отримуєте низку переваг:
- Усі редуктори найвищої якості.
- Максимально швидка обробка та виконання замовлень.
- Професійне консультування.
- Доставка по всіх куточках України, будь-яким зручним для вас способом.
Редуктор КЦ1-400: габаритні та приєднувальні розміри

Технічні характеристики: редуктор КЦ1-400:
| Передавальне число | Момент крутіння на виході, Нм | Швидкість обертання вхідного валу, об/хв | Навантаження на валах, Н | Вага пристрою, кг | |
| швидкохідний | тихохідний | ||||
| 28 | 3800 | 1500 | 4000 | 21200 | 980 |
| AWT | A | A1 | B | H | H1 | h | h1 | L | L1 | L2 | L3 | L4 | d | n |
| 400 | 810 | 450 | 526 | 705 | 320 | 35 | 95 | 1705 | 930 | 212 | 848 | 452 | 26 | 8 |
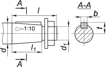
Розміри швидкохідного (конічного) валу редуктора КЦ1-400:

| d | d1 | l | l1 | b | t |
| 60 | М42×3 | 140 | 105 | 16 | 31.4 |
Розміри тихохідного (циліндричного) валу редуктора КЦ1-400:

| d2 | l2 | b1 | t1 |
| 90 | 170 | 25 | 95 |
Розміри тихохідного валу (зубчастої напівмуфти) редуктора КЦ1-400:

| b | d | d1 | L | l | l1 | Зачеплення | |
| m | z | ||||||
| 35 | 232 | 140 | 370 | 14 | 60 | 4 | 56 |
Редуктор КЦ1-400 має 3 варіанти складання, які показані нижче:

Редуктор КЦ1-400 умовне позначення:

Важливо. Виконання кінця тихохідного валу може бути циліндричним – Ц або у вигляді частини зубчастої муфти – М.
Редуктор КЦ1-400-28
Відгуків про цей товар ще не було.
Немає відгуків про цей товар, станьте першим, залиште свій відгук.
Немає питань про даний товар, станьте першим і задайте своє питання.