Редуктор КЦ1-400-6.3
Редуктор КЦ1-400-6.3
Редуктор КЦ1-400-6.3 є горизонтальним циліндричним пристроєм, який встановлюють на різне обладнання крана, для зміни параметрів крутного моменту і частоти обертання валу в приводах.
Специфіка агрегату в тому, що вали можуть обертатися в обох напрямках, що дозволяє експлуатувати його з реверсивним навантаженням.
Такі редуктори розраховані на постійні навантаження протягом доби, так само редуктор добре працює, зі змінними навантаженнями та зупинками. Частота обертання вхідного валу має перевищувати 1500 оборотів на хвилину.
Замовити редуктори та інші пристрої ви можете у нас, залишивши заявку, або зателефонувавши за телефоном, вказаним на сайті. Наші менеджери представлять вам усі технічні характеристики та допоможуть вам вибрати необхідний пристрій. Співпрацюючи з компанією «Промпривод», ви отримуєте низку переваг:
- Усі редуктори найвищої якості.
- Максимально швидка обробка та виконання замовлень.
- Професійне консультування.
- Доставка по всіх куточках України, будь-яким зручним для вас способом.
Редуктор КЦ1-400: габаритні та приєднувальні розміри

Технічні характеристики: редуктор КЦ1-400:
| Передавальне число | Момент крутіння на виході, Нм | Швидкість обертання вхідного валу, об/хв | Навантаження на валах, Н | Вага пристрою, кг | |
| швидкохідний | тихохідний | ||||
| 6.3 | 3300 | 1500 | 1000 | 21000 | 980 |
| AWT | A | A1 | B | H | H1 | h | h1 | L | L1 | L2 | L3 | L4 | d | n |
| 400 | 810 | 450 | 526 | 705 | 320 | 35 | 95 | 1705 | 930 | 212 | 848 | 452 | 26 | 8 |
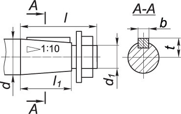
Розміри швидкохідного (конічного) валу редуктора КЦ1-400:

| d | d1 | l | l1 | b | t |
| 60 | М42×3 | 140 | 105 | 16 | 31.4 |
Розміри тихохідного (циліндричного) валу редуктора КЦ1-400:

| d2 | l2 | b1 | t1 |
| 90 | 170 | 25 | 95 |
Розміри тихохідного валу (зубчастої напівмуфти) редуктора КЦ1-400:

| b | d | d1 | L | l | l1 | Зачеплення | |
| m | z | ||||||
| 35 | 232 | 140 | 370 | 14 | 60 | 4 | 56 |
Редуктор КЦ1-400 має 3 варіанти складання, які показані нижче:

Редуктор КЦ1-400 умовне позначення:

Важливо. Виконання кінця тихохідного валу може бути циліндричним – Ц або у вигляді частини зубчастої муфти – М.
Редуктор КЦ1-400-6.3
Відгуків про цей товар ще не було.
Немає відгуків про цей товар, станьте першим, залиште свій відгук.
Немає питань про даний товар, станьте першим і задайте своє питання.