Редуктор КЦ2-500
Редуктори типу КЦ2-500
Редуктори типу КЦ2-500 відносяться до певної групи редукторів, які необхідні для їх використання у виробах підйомно-транспортного обладнання, а також для ремонтно-експлуатаційних потреб працюючого обладнання і для збільшення моменту, що обертає, при цьому зменшуючи частоту обертання різних машин і механізмів.
Редуктори даного типу дозволяють обертання валів в обидві сторони, частота обертання вхідного валу не повинна перевищувати 1500 об/хв, а окружна швидкість зубчастих передач - не більше 12 м/c. Дані редуктори можуть працювати в безперервному режимі, навантаження може бути постійним або змінним, напрямок може відрізнятися - бути реверсивним або в одну сторону.
Працювати редуктор КЦ2-500 може або постійно, або із зупинками через певні періоди. Клімат, в якому можуть працювати редуктори КЦ2-500, може бути помірним або сухим і вологим тропічним.
Зазначимо, що значення крутного моменту, що допускається, на вихідному валу в таблиці наведені в умовах, що робота редуктора КЦ2-500 ведеться безперервна і спокійна, триває вона 8 год на добу. Якщо розглядати інші умови роботи, важливо враховувати коефіцієнт поправки.
Для мастила застосовується олія ІРП-150 ТУ 38-101451-78 (-10…+50°С), ІТП-200 ТУ 38-101292-79 (-10…+50°С), ІТП-300 ТУ 38-101292- 79 (-5 ... +50 ° С), ТАП-15В ГОСТ 23652-79 (-20 ... +50 ° С), ТСп-10 ГОСТ 23652-79 (-40 ... +25 ° С). У дужках вказано температуру навколишнього середовища.
Технічні характеристики редуктора КЦ2-500:
| Передавальне число | Момент кручення на виході, Нм в залежності від швидкості обертання валу на вході, об/хв | Навантаження, що діє на валу, Н | Вага пристрою, кг | |||
| 600 | 750 | 1500 | швидкохідний | тихохідний | ||
| 28 | 2300 | 2000 | 1900 | 600 | 7500 | 420 |
| 45 | 2300 | 900 | 8500 | |||
| 71 | 2100 | 1300 | 11500 | |||
| 112 | 2000 | 1450 | 13200 | |||
| 180 | 1500 | |||||
Габаритні та приєднувальні розміри редуктора КЦ2-500:

| AWT | AWП | A | A1 | B | H | H1 | h | h1 | L | L1 | L2 | L3 | L4 | d | n |
| 300 | 200 | 705 | 300 | 350 | 600 | 315 | 25 | - | 1300 | 830 | 90 | 460 | 327 | 22 | 6 |
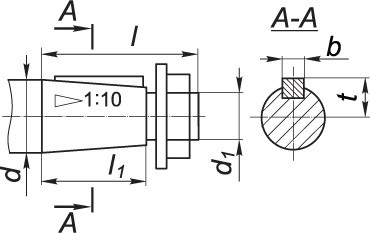
Розміри швидкохідного (конічного) валу редуктора КЦ2-500:

| d | d1 | l | l1 | b | t |
| 40 | М24×2 | 110 | 82 | 10 | 20.9 |
Розміри тихохідного (циліндричного) валу редуктора КЦ2-500:

| d2 | l2 | b1 | t1 |
| 70 | 140 | 20 | 74.5 |
Розміри тихохідного валу (зубчастої напівмуфти) редуктора КЦ2-500:

| b | d | d1 | L | l | l1 | Зачеплення | |
| m | z | ||||||
| 25 | 174 | 110 | 270 | 14 | 55 | 3 | 56 |
Редуктор КЦ2-500 має 3 варіанти складання, які показані нижче:

Умовне позначення під час замовлення редуктора типу КЦ2-500:
КЦ2-500-75-41Ц-У3, де:
КЦ2 – тип редуктора;
500 - міжосьова відстань, мм;
75 - номінальне передавальне число;
41 - варіант складання;
Ц – циліндричний кінець вихідного валу;
У3 - кліматичне виконання та категорія розміщення за ГОСТ 15150-69
Зазначимо, що виконання кінця тихохідного валу може бути циліндричним - Ц або у вигляді частини зубчастої муфти - М.
Редуктор КЦ2-500
Відгуків про цей товар ще не було.
Немає відгуків про цей товар, станьте першим, залиште свій відгук.
Немає питань про даний товар, станьте першим і задайте своє питання.