Редуктор РЧН-180
Черв'ячний редуктор РЧН-180
Редуктор РЧН-180 – це одноступінчастий, черв'ячний редуктор, загальнопромислового призначення. Виріб може використовуватися як у короткочасному, так і в постійному режимі роботи. Черв'ячний вал розташований над колесом. Основними сферами застосування є приводи таких пристроїв, як:
- Підйомники.
- Транспортери.
- Кранове обладнання.
З переваг редуктора РЧН-180 можна відзначити:
- Постійне та плаваюче навантаження.
- Низька вартість.
- Високі передавальні числа.
- Реверсивне включення.
Основні технічні характеристики черв'ячного редуктора РЧН-180
| Типорозмір редуктора | Міжосьова відстань, мм | Передавальне число | Номінальна потужність на швидкохідному валу, кВт | ККД | Вага, кг | ||
| 750 | 1000 | 1500 | |||||
| РЧН-180 | 180 | 12.33 | - | 11 | 8.9 | 0.89 | 177 |
| 18.5 | 8.1 | 5.9 | 0.86 | ||||
| 37 | 5.16 | 3.3 | 0.78 | ||||
| 51 | 3.68 | 3.3 | 0.74 | ||||
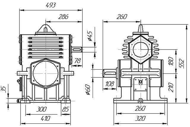
Габаритні та приєднувальні розміри редуктора РЧН-180

Ви можете купити редуктор типу РЧН на сайті компанії "Промпривод". Наші фахівці допоможуть вам розібратися з усіма нюансами під час вибору потрібного редуктора. Ми відповідаємо за якість виробленої нами продукції та надаємо гарантію на 1 рік і сертифікат якості. Доставка можлива по всій Україні, у мінімально можливий термін.



Редуктор РЧН-180
Відгуків про цей товар ще не було.
Немає відгуків про цей товар, станьте першим, залиште свій відгук.
Немає питань про даний товар, станьте першим і задайте своє питання.