Редуктор РК-450-8
Редуктор РК-450-8
Редуктори РК-450-8 слугують для перетворення крутного моменту та частоти обертання великої кількості приводів. Такі редуктори масово застосовуються в приводах вантажних кранів великої вантажопідійманості, на барабанах намотування троса. Редуктор продуктивно працює як у разі короткочасного, так і під час постійного навантаження. Пряме та зворотне обертання валів, окружна швидкість яких не вище ніж 12 м/сек.
Переваги роботи з нами:
1. Висока якість механізмів.
2. Гарантія 36 місяців.
3. Випробувальні фахівці.
4.Товар проходить перевірку перед відправленням.
5. Проходить перевірку на плавність ходу, шум і вібрацію.
6. Відсилання товару здійснюється в обмовлені терміни.
7.Доставка по всій Україні.

Габаритні розміри редуктора РК-450-8
| aw | awт | L | L1 | L2 | l | l1 | l2 | l3 | l4 | l5 |
| 750 | 450 | 1448 | 450 | 475 | 1025 | 620 | 275 | 230 | 491 | 525 |
| B | B1 | B2 | B3 | H | H1 | H2 | h | Ød |
| 510 | 450 | 510 | 356 | 743 | 320 | 130 | 35 | 25 |
Характеристики представленого кранового редуктора
| Типорозмір | РК-450 | |||
| Номінальне передавальне | 8,0 | |||
| Номінальний крутний момент | Ном. част. вращ. швидкохід. вала, с-1(об/хв) | 10 (600) | Особливо легкий | 26865 |
| ПВ 15% | 19788 | |||
| ПВ 25% | 17167 | |||
| ПВ 40% | 14546 | |||
| ПВ 100% | 7863 | |||
| 12,5 (750) | Особливо легкий | 24637 | ||
| ПВ 15% | 17613 | |||
| ПВ 25% | 15307 | |||
| ПВ 40% | 13000 | |||
| ПВ 100% | 7129 | |||
| 16,6 (1000) | Особливо легкий | - | ||
| ПВ 15% | - | |||
| ПВ 25% | - | |||
| ПВ 40% | - | |||
| ПВ 100% | - | |||
| 20,83 (1250) | Особливо легкий | - | ||
| ПВ 15% | - | |||
| ПВ 25% | - | |||
| ПВ 40% | - | |||
| ПВ 100% | - | |||
| 25 (1500) | Особливо легкий | - | ||
| ПВ 15% | - | |||
| ПВ 25% | - | |||
| ПВ 40% | - | |||
| ПВ 100% | - | |||
| Маса, кг, не більш ніж | 1030 | |||
| Номінальна частота обертання швидкохідного вала, | Короткочасний допустимий крутний момент |
| 8,0 | |
| РК-450 | |
| 10,0 (600) | 52000 |
| 12,5 (750) | 47000 |
| 16,6 (1000) | - |
| 20,8 (1250) | - |
| 25,0 (1500) | - |
| Номінальна частота обертання швидкохідного вала, об/хв | РК-450 | ||
| FБ max | FТ max | FM max | |
| 600 | 6,7 | 105,0 | 113,3 |
| 750 | 6,3 | 97,5 | 105,0 |
| 1000 | 5,5 | 88,5 | 96,1 |
| 1250 | 5,0 | 81,5 | 89,7 |
| 1500 | 4,6 | 79,0 | 89,2 |
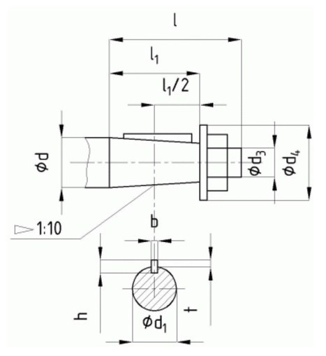
Розміри кінців швидкохідних валів редуктора РК-450-8

| Ød | Ød1 | Ød3 | Ød4 | l | l1 | b | h | t |
| 60 | 54,75 | М42×З | 94 | 140 | 105 | 16 | 10 | 6 |
Розміри кінців тихохідних валів під муфти редуктора РК-450-8

| Ød m6 | Ød1 | b | l | t |
| 110 | 130 | 28 | 165 | 120 |
Розміри кінців тихохідних валів редуктора РК-450-8 у формі зубчастої напівмуфти

| m | z | b | L | L1 | k | B | Ød F7 | Ød 1 f9 |
| 6 | 56 | 40 | 75 | 16 | 32 | 68 | 170 | 260 |
Варіанти складання редуктора РК-450-8


Редуктор РК-450-8
Відгуків про цей товар ще не було.
Немає відгуків про цей товар, станьте першим, залиште свій відгук.
Немає питань про даний товар, станьте першим і задайте своє питання.