Редуктор РК-500-20
Редуктор РК-500-20
Редуктори РК-500-20 пристосовані для роботи приводів транспортерів, підіймачів, кранових механізмів та інших машин. Принцип роботи полягає в зниженні числа обертів і підвищення сили вхідного вала. Умови застосування: працює у разі реверсивного навантаження, пряме та зворотне обертання валів, окружна швидкість яких не вище ніж 12 м/сек., використовують у запиленому, але неагресивному середовищі.
Переваги роботи з нами:
1.Висока якість виробів.
2. Ви отримуєте гарантію від виробника на 36 місяців.
3. Кваліфікований персонал.
4. Весь товар перед відправленням проходить перевірку на плавність ходу, шум, вібрацію.
5. Перевірка на герметизацію корпусу.
6. Відсилання в обмовлені терміни.
7. Доставка по всій Україні.

Габаритні розміри редуктора РК-500-20
| aw | awт | L | L1 | L2 | l | l1 | l2 | l3 | l4 | l5 |
| 850 | 500 | 1632 | 510 | 550 | 1100 | 610 | 300 | 205 | 546 | 530 |
| B | B1 | B2 | B3 | H | H1 | H2 | h | Ød |
| 580 | 520 | 580 | 408 | 875 | 400 | 105 | 35 | 32 |
Характеристики представленого кранового редуктора
| Типорозмір | РК-500 | |||
| Номінальне передавальне | 20,0 | |||
| Номінальний крутний момент | Ном. част. вращ. швидкохід. вала, с-1(об/хв) | 10 (600) | Особливо легкий | 62317 |
| ПВ 15% | 35237 | |||
| ПВ 25% | 30669 | |||
| ПВ 40% | 26102 | |||
| ПВ 100% | 10114 | |||
| 12,5 (750) | Особливо легкий | 61339 | ||
| ПВ 15% | 34193 | |||
| ПВ 25% | 29756 | |||
| ПВ 40% | 25318 | |||
| ПВ 100% | 10049 | |||
| 16,6 (1000) | Особливо легкий | 59707 | ||
| ПВ 15% | 31713 | |||
| ПВ 25% | 27602 | |||
| ПВ 40% | 23491 | |||
| ПВ 100% | 9984 | |||
| 20,83 (1250) | Особливо легкий | 57945 | ||
| ПВ 15% | 30695 | |||
| ПВ 25% | 26780 | |||
| ПВ 40% | 22708 | |||
| ПВ 100% | 10023 | |||
| 25 (1500) | Особливо легкий | - | ||
| ПВ 15% | - | |||
| ПВ 25% | - | |||
| ПВ 40% | - | |||
| ПВ 100% | - | |||
| Маса, кг, не більш ніж | 1230 | |||
| Номінальна частота обертання швидкохідного вала, | Короткочасний допустимий крутний момент |
| 20,0 | |
| РК-500 | |
| 10,0 (600) | 111400 |
| 12,5 (750) | 10800 |
| 16,6 (1000) | 103000 |
| 20,8 (1250) | 98200 |
| 25,0 (1500) | - |
| Номінальна частота обертання швидкохідного вала, об/хв | РК-500-20 | ||
| FБ max | FТ max | FM max | |
| 600 | 14,0 | 150 | 163,2 |
| 750 | 13,0 | 137 | 152,2 |
| 1000 | 11,5 | 124 | 137,8 |
| 1250 | 10,5 | 119 | 127,8 |
| 1500 | 9,9 | 111 | 124,4 |
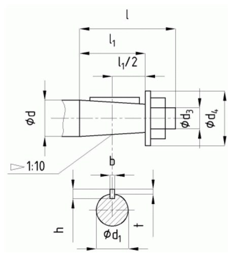
Розміри кінців швидкохідних валів редуктора РК-500-20

| Ød | Ød1 | Ød3 | Ød4 | l | l1 | b | h | t |
| 90 | 83,50 | М64×4 | 130 | 170 | 130 | 22 | 14 | 9 |
Розміри кінців тихохідних валів під муфти редуктора РК-500-20

| Ød m6 | d1 | b | l | t |
| 130 | 150 | 32 | 200 | 141 |
Розміри кінців тихохідних валів редуктора РК-500-20 у формі зубчастої напівмуфти

| m | z | b | L | L1 | k | B | Ød F7 | d1 f9 |
| 8 | 54 | 50 | 73 | 22 | 40 | 78 | 190 | 260 |
Варіанти збирання редуктора РК-500-20

Редуктор РК-500-20
Відгуків про цей товар ще не було.
Немає відгуків про цей товар, станьте першим, залиште свій відгук.
Немає питань про даний товар, станьте першим і задайте своє питання.