Редуктор РК-500-50
Редуктор РК-500-50
Редуктори РК-500-50 не замінні на виробництві. Завдання редукторів полягає в зміні крутних моментів на вході та виході та частот обертання валів. Для цього редуктори встановлюють у верхній частини кранів або як приводи загального користування.
Умови застосування: пряме та зворотне обертання валів, окружна швидкість яких не вище ніж 12 м/сек., температура зовнішнього середовища від -40 °C до 50 °C, продуктивно працює як у разі непостійних навантажень, з зупинками, так і в режимі 24 години, працює в запиленому, але неагресивному середовищі. Має тривалий термін експлуатації та невибагливий в експлуатації.
Переваги роботи з нами:
1.Висока якість виробів.
2. Ви отримуєте гарантію від виробника на 36 місяців.
3. Кваліфікований персонал.
4. Весь товар перед відправленням проходить перевірку на плавність ходу, шум, вібрацію.
5. Перевірка на герметизацію корпусу.
6. Відсилання в обмовлені терміни.
7. Доставка по всій Україні.
.

Габаритні розміри редуктора РК-500-50
| aw | awт | L | L1 | L2 | l | l1 | l2 | l3 | l4 | l5 |
| 850 | 500 | 1632 | 510 | 550 | 1100 | 610 | 300 | 205 | 546 | 530 |
| B | B1 | B2 | B3 | H | H1 | H2 | h | Ød |
| 580 | 520 | 580 | 408 | 875 | 400 | 105 | 35 | 32 |
Характеристики представленого кранового редуктора
| Типорозмір | РК-500 | |||
| Номінальне передавальне | 50,0 | |||
| Номінальний крутний момент | Ном. част. вращ. швидкохід. вала, с-1(об/хв) | 10 (600) | Особливо легкий | 65739 |
| ПВ 15% | 34029 | |||
| ПВ 25% | 29776 | |||
| ПВ 40% | 25135 | |||
| ПВ 100% | 10131 | |||
| 12,5 (750) | Особливо легкий | 65584 | ||
| ПВ 15% | 34029 | |||
| ПВ 25% | 29389 | |||
| ПВ 40% | 25058 | |||
| ПВ 100% | 9404 | |||
| 16,6 (1000) | Особливо легкий | 64965 | ||
| ПВ 15% | 33875 | |||
| ПВ 25% | 29234 | |||
| ПВ 40% | 25058 | |||
| ПВ 100% | 9884 | |||
| 20,83 (1250) | Особливо легкий | 64223 | ||
| ПВ 15% | 33039 | |||
| ПВ 25% | 28956 | |||
| ПВ 40% | 24501 | |||
| ПВ 100% | 9132 | |||
| 25 (1500) | Особливо легкий | 63418 | ||
| ПВ 15% | 31864 | |||
| ПВ 25% | 27842 | |||
| ПВ 40% | 23511 | |||
| ПВ 100% | 9157 | |||
| Маса, кг, не більш ніж | 1230 | |||
| Номінальна частота обертання швидкохідного вала, | Короткотривалий допустимий крутний момент |
| 50,0 | |
| РК-500 | |
| 10,0 (600) | 122800 |
| 12,5 (750) | 121800 |
| 16,6 (1000) | 118400 |
| 20,8 (1250) | 116400 |
| 25,0 (1500) | 113200 |
| Номінальна частота обертання швидкохідного вала, об/хв | РК-500-50 | ||
| FБ max | FТ max | FM max | |
| 600 | 14,0 | 150 | 163,2 |
| 750 | 13,0 | 137 | 152,2 |
| 1000 | 11,5 | 124 | 137,8 |
| 1250 | 10,5 | 119 | 127,8 |
| 1500 | 9,9 | 111 | 124,4 |
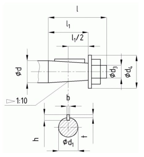
Розміри кінців швидкохідних валів редуктора РК-500-50

| Ød | Ød1 | Ød3 | Ød4 | l | l1 | b | h | t |
| 90 | 83,50 | М64×4 | 130 | 170 | 130 | 22 | 14 | 9 |
Розміри кінців тихохідних валів під муфти редуктора РК-500-50

| Ød m6 | d1 | b | l | t |
| 130 | 150 | 32 | 200 | 141 |
Розміри кінців тихохідних валів редуктора РК-500-50 у формі зубчастої напівмуфти

| m | z | b | L | L1 | k | B | Ød F7 | d1 f9 |
| 8 | 54 | 50 | 73 | 22 | 40 | 78 | 190 | 260 |
Варіанти збирання редуктора РК-500-50

Редуктор РК-500-50
Відгуків про цей товар ще не було.
Немає відгуків про цей товар, станьте першим, залиште свій відгук.
Немає питань про даний товар, станьте першим і задайте своє питання.