Редуктор РК-600-20
Редуктор РК-600-20
Редуктор РК-600-20 використовують на виробництві як привод в агрегатах і приладах загального призначення та підіймальних механізмах. Робота редуктора полягає в зменшенні частоти обертання й подальшому збільшенні крутного моменту.
Умови застосування редукторів:
- працює як зі змінними, так і з постійними навантаженнями,
— пряме та зворотне обертання валів, окружна швидкість яких не вище ніж 12 м/сек.
- працює в запиленому, але неагресивному середовищі,
- навантаження пряме та реверсивне,
— використовується в районах помірним і сухим, а також вологим тропічним кліматами, відповідно з ГОСТ 15150-69.
Допускається експлуатація на вулиці та в приміщенні
Купуючи редуктори в компанії «Зевс», ви отримуєте якісне обслуговування. Надсилає товар в обмовлені терміни. Кожен пристрій перед відправленням проходить перевірку на герметизацію корпусу, плавність ходу, вібрацію і шум. Гарантия на товар 36 месяцев. Відсилання відбувається всією Україною. Наші клієнти завжди отримують товари високої якості за доступними цінами

Габаритні розміри редуктора РК-600-20
| aw | awт | L | L1 | L2 | l | l1 | l2 | l3 | l4 | l5 |
| 1000 | 600 | 1896 | 550 | 695,5 | 1350 | 870 | 350 | 250 | 639 | 645 |
| B | B1 | B2 | B3 | H | H1 | H2 | h | Ød |
| 660 | 590 | 660 | 1172 | 965 | 400 | 200 | 40 | 32 |
Характеристики представленого кранового редуктора
| Типорозмір | РК-600 | |||
| Номінальне передавальне | 20,0 | |||
| Номінальний крутний момент | Ном. част. вращ. швидкохід. вала, с-1(об/хв) | 10 (600) | Особливо легкий | 96249 |
| ПВ 15% | 60360 | |||
| ПВ 25% | 52529 | |||
| ПВ 40% | 44699 | |||
| ПВ 100% | 17292 | |||
| 12,5 (750) | Особливо легкий | 92660 | ||
| ПВ 15% | 58728 | |||
| ПВ 25% | 51159 | |||
| ПВ 40% | 43329 | |||
| ПВ 100% | 17227 | |||
| 16,6 (1000) | Особливо легкий | 83199 | ||
| ПВ 15% | 49919 | |||
| ПВ 25% | 43068 | |||
| ПВ 40% | 36803 | |||
| ПВ 100% | 17423 | |||
| 20,83 (1250) | Особливо легкий | - | ||
| ПВ 15% | - | |||
| ПВ 25% | - | |||
| ПВ 40% | - | |||
| ПВ 100% | - | |||
| 25 (1500) | Особливо легкий | - | ||
| ПВ 15% | - | |||
| ПВ 25% | - | |||
| ПВ 40% | - | |||
| ПВ 100% | - | |||
| Маса, кг, не більш ніж | 2130 | |||
| Номінальна частота обертання швидкохідного вала, | Короткочасний допустимий крутний момент |
| 20,0 | |
| РК-600 | |
| 10,0 (600) | 18700 |
| 12,5 (750) | 18100 |
| 16,6 (1000) | 15900 |
| 20,8 (1250) | - |
| 25,0 (1500) | - |
| Номінальна частота обертання швидкохідного вала, об/хв | РК-600-20 | ||
| FБ max | FТ max | FM max | |
| 600 | 13,0 | 176 | 199,0 |
| 750 | 12,0 | 164 | 184,3 |
| 1000 | 10,5 | 150 | 168,2 |
| 1250 | 10,0 | 134 | 157,0 |
| 1500 | 9,1 | 128 | 154,0 |
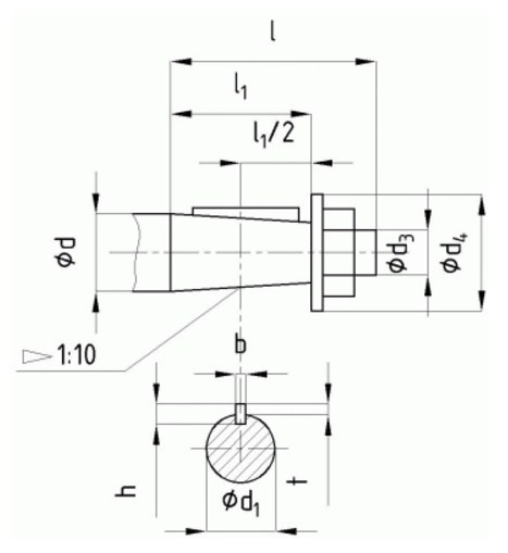
Розміри кінців швидкохідних валів редуктора РК-600-20

| Ød | Ød1 | Ød3 | Ød4 | l | l1 | b | h | t |
| 90 | 83,50 | М64×4 | 130 | 170 | 130 | 22 | 14 | 9 |
Розміри кінців тихохідних валів під муфти редуктора РК-600-20

| Ød m6 | Ød1 | b | l | t |
| 150 | 170 | 36 | 200 | 162 |
Розміри кінців тихохідних валів редуктора РК-600-20 у формі зубчастої напівмуфти

| m | z | b | L | L1 | k | B | Ød F7 | Ød 1 f9 |
| 10 | 48 | 60 | 70 | 16 | 50 | 85 | 200 | 260 |
| 8 | 54 | 50 | 70 | 22 | 40 | 78 | 190 | 280 |
Варіанти збирання редуктора РК-600-20

Редуктор РК-600-20
Відгуків про цей товар ще не було.
Немає відгуків про цей товар, станьте першим, залиште свій відгук.
Немає питань про даний товар, станьте першим і задайте своє питання.