Редуктор РК-600-50
Редуктор РК-600-50
Редуктор РК-600-50 успішно використовується як привод для машин і механізмів загального призначення, а також у підіймально-транспортному обладнанні. Редуктор використовують для заміни крутних моментів і швидкості обертів.
Основні умови роботи:
- допускаються як змінні навантаження, так і робота в режимі 24 години,
- вали обертаються в різному напрямку,
- максимальна окружна швидкість менша або дорівнює 12м/сек.,
- працює в запиленому, але неагресивному середовищі,
- навантаження пряме та реверсивне,
- температурний режим середовища від -40 °C до 50 °C.
Допускається експлуатація на вулиці та в приміщенні
Купуючи редуктори в компанії «Зевс», ви отримуєте якісне обслуговування. Надсилає товар в обмовлені терміни. Кожен пристрій перед відправленням проходить перевірку на герметизацію корпусу, плавність ходу, вібрацію і шум. Висока якість виробів. Гарантия на товар 36 месяцев. Відсилання відбувається всією Україною.

Габаритні розміри редуктора РК-600
| aw | awт | L | L1 | L2 | l | l1 | l2 | l3 | l4 | l5 |
| 1000 | 600 | 1896 | 550 | 695,5 | 1350 | 870 | 350 | 250 | 639 | 645 |
| B | B1 | B2 | B3 | H | H1 | H2 | h | Ød |
| 660 | 590 | 660 | 1172 | 965 | 400 | 200 | 40 | 32 |
Характеристики представленого кранового редуктора
| Типорозмір | РК-600 | |||
| Номінальне передавальне | 50,0 | |||
| Номінальний крутний момент | Ном. част. вращ. швидкохід. вала, с-1(об/хв) | 10 (600) | Особливо легкий | 102862 |
| ПВ 15% | 58005 | |||
| ПВ 25% | 50271 | |||
| ПВ 40% | 43310 | |||
| ПВ 100% | 17401 | |||
| 12,5 (750) | Особливо легкий | 100851 | ||
| ПВ 15% | 58159 | |||
| ПВ 25% | 50735 | |||
| ПВ 40% | 42691 | |||
| ПВ 100% | 16149 | |||
| 16,6 (1000) | Особливо легкий | 97448 | ||
| ПВ 15% | 54292 | |||
| ПВ 25% | 48260 | |||
| ПВ 40% | 40835 | |||
| ПВ 100% | 16009 | |||
| 20,83 (1250) | Особливо легкий | 94664 | ||
| ПВ 15% | 51972 | |||
| ПВ 25% | 44548 | |||
| ПВ 40% | 37865 | |||
| ПВ 100% | 15963 | |||
| 25 (1500) | Особливо легкий | 92808 | ||
| ПВ 15% | 46713 | |||
| ПВ 25% | 40835 | |||
| ПВ 40% | 34648 | |||
| ПВ 100% | 15932 | |||
| Маса, кг, не більш ніж | 2130 | |||
| Номінальна частота обертання швидкохідного вала, | Короткочасний допустимий крутний момент |
| 50,0 | |
| РК-600 | |
| 10,0 (600) | 209000 |
| 12,5 (750) | 206000 |
| 16,6 (1000) | 200000 |
| 20,8 (1250) | 195000 |
| 25,0 (1500) | 190000 |
| Номінальна частота обертання швидкохідного вала, об/хв | РК-600-50 | ||
| FБ max | FТ max | FM max | |
| 600 | 13,0 | 176 | 199,0 |
| 750 | 12,0 | 164 | 184,3 |
| 1000 | 10,5 | 150 | 168,2 |
| 1250 | 10,0 | 134 | 157,0 |
| 1500 | 9,1 | 128 | 154,0 |
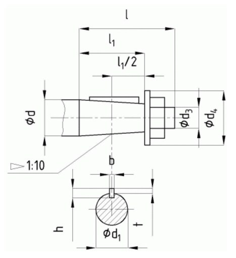
Розміри кінців швидкохідних валів редуктора РК-600-50

| Ød | Ød1 | Ød3 | Ød4 | l | l1 | b | h | t |
| 90 | 83,50 | М64×4 | 130 | 170 | 130 | 22 | 14 | 9 |
Розміри кінців тихохідних валів під муфти редуктора РК-600-50

| Ød m6 | Ød1 | b | l | t |
| 150 | 170 | 36 | 200 | 162 |
Розміри кінців тихохідних валів редуктора РК-600-50 у формі зубчастої напівмуфти

| m | z | b | L | L1 | k | B | Ød F7 | Ød 1 f9 |
| 10 | 48 | 60 | 70 | 16 | 50 | 85 | 200 | 260 |
| 8 | 54 | 50 | 70 | 22 | 40 | 78 | 190 | 280 |
Варіанти збирання редуктора РК-600-50

Редуктор РК-600-50
Відгуків про цей товар ще не було.
Немає відгуків про цей товар, станьте першим, залиште свій відгук.
Немає питань про даний товар, станьте першим і задайте своє питання.