Редуктор РМ-250
Редуктор РМ-250
Редуктор РМ-250, який ви можете придбати в нашій компанії, являє собою цабондичний двоступеневий горизонтальний редуктор, що має загальне агресивне застосування, необхідний він для виконання збільшення крутного моменту, а також зменшення частоти обертання.
Редуктор РМ: умови застосування
- навантаження постійне та змінне, одного напрямку та реверсивне;
- робота тривала або з періодичними зупинками, обертання валів у будь-який бік;
- частота обертання вхідного вала не має перевищувати 1500 об/хв;
- температура зовнішнього середовища від мінус 40 °C до плюс 50 °C;
- підвищена запиленість, неагресивне середовище;
- кліматичні виконання У, Т (для категорії розміщення 1...4) за ГОСТ 15150-69.
Переваги роботи з нами
1. Максимально швидке відвантаження — завжди в заявлений термін.
2. Досвідчені фахівці.
3. Товар чудової якості.
4. Гарантія на кожну покупку.
5. Вигідні ціни.
6. Відправимо замовлення будь-яким перевезенням, за Харковом доставимо власним транспортом.

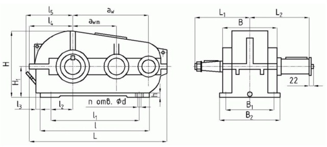
Розміри редуктора РМ-250
| aw | awm | L | L1 | L2 | l | l1 | l2 | l3 | l4 | l5 |
| 250 | 150 | 540 | 200 | 238,5 | 320 | 235 | 45 | 50 | 189 | 249 |
| B | B1 | B2 | H | H1 | h | Ød | маса |
| 230 | 190 | 230 | 312 | 160 | 22 | 17 | 85 |
Технічні характеристики редуктора РМ-250
| Типорозмір | РМ-250 | |||||||||||
| Номінальне передавальне відношення, i | 50 | 40 | 31,5 | 22,4 | 20 | 16 | 12,5 | 10 | 8 | |||
| Номінальний крутний момент на тихенькохідному валу, Т, Н×м | Ном. част. вращ. швидкохід. вала, с-1 (об/хв) | 10 (600) | Особливо легкий | 1779 | 1791 | 1756 | 1747 | 1729 | 1655 | 1650 | 1549 | 1389 |
| ПВ 15% | 928 | 895 | 903 | 929 | 946 | 903 | 865 | 791 | 734 | |||
| ПВ 25% | 773 | 768 | 802 | 818 | 816 | 777 | 745 | 692 | 642 | |||
| ПВ 40% | 657 | 640 | 702 | 706 | 685 | 652 | 624 | 593 | 550 | |||
| ПВ 100% | 271 | 256 | 276 | 279 | 277 | 301 | 302 | 297 | 288 | |||
| 12,5 (750) | Особливо легкий | 1795 | 1792 | 1724 | 1693 | 1723 | 1628 | 1610 | 1492 | 1323 | ||
| ПВ 15% | 928 | 870 | 882 | 921 | 940 | 804 | 741 | 726 | 651 | |||
| ПВ 25% | 805 | 768 | 762 | 802 | 809 | 704 | 644 | 634 | 567 | |||
| ПВ 40% | 681 | 666 | 642 | 683 | 679 | 603 | 547 | 528 | 473 | |||
| ПВ 100% | 248 | 256 | 281 | 267 | 261 | 281 | 290 | 290 | 294 | |||
| 16,6 (1000) | Особливо легкий | 1670 | 1766 | 1716 | 1672 | 1705 | 1590 | 1549 | 1406 | 1240 | ||
| ПВ 15% | 835 | 922 | 783 | 803 | 784 | 690 | 666 | 614 | 537 | |||
| ПВ 25% | 742 | 806 | 692 | 691 | 686 | 600 | 581 | 535 | 466 | |||
| ПВ 40% | 650 | 691 | 602 | 647 | 588 | 510 | 496 | 455 | 395 | |||
| ПВ 100% | 255 | 250 | 271 | 268 | 274 | 300 | 290 | 297 | 296 | |||
| 20,83 (1250) | Особливо легкий | 1781 | 1781 | 1711 | 1638 | 1664 | 1560 | 1474 | 1311 | 1147 | ||
| ПВ 15% | 816 | 798 | 723 | 712 | 722 | 624 | 592 | 514 | 466 | |||
| ПВ 25% | 705 | 706 | 627 | 623 | 628 | 540 | 514 | 450 | 403 | |||
| ПВ 40% | 594 | 614 | 530 | 534 | 534 | 456 | 437 | 387 | 340 | |||
| ПВ 100% | 260 | 246 | 265 | 267 | 267 | 288 | 301 | 292 | 296 | |||
| 25 (1500) | Особливо легкий | 1761 | 1741 | 1688 | 1624 | 1598 | 1530 | 1401 | 1241 | 1056 | ||
| ПВ 15% | 742 | 742 | 623 | 641 | 668 | 550 | 559 | 462 | 400 | |||
| ПВ 25% | 649 | 640 | 543 | 551 | 576 | 480 | 446 | 403 | 348 | |||
| ПВ 40% | 556 | 538 | 462 | 462 | 485 | 410 | 381 | 343 | 296 | |||
| ПВ 100% | 247 | 243 | 271 | 268 | 262 | 300 | 308 | 297 | 291 | |||
| Маса, кг, не більш ніж | 85 | |||||||||||
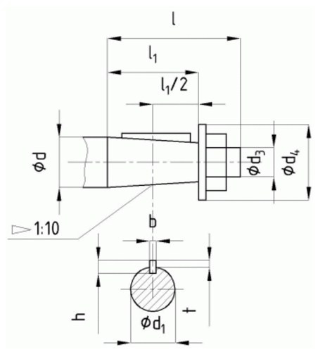
Розміри кінців швидкохідних валів редуктора РМ-250

| Ød | Ød1 | Ød3 | Ød4 | l | l1 | b | h | t |
| 30 | 27,10 | М20x1,5 | 50 | 80 | 58 | 5 | 5 | 3 |
Розміри кінців тихохідних валів під муфти редуктора РМ-250

| Ød m6 | Ød1 | b | l | t |
| 55 | 65 | 16 | 82 | 60 |
Розміри кінців тихохідних валів у формі зубчастої напівмуфти редуктора РМ-250

| m | z | b | L | L1 | k | B | Ød F7 | Ød1 f9 |
| 3 | 40 | 20 | 39,5 | 29,5 | 20 | 35 | 72 | 95 |
Варіанти збирання редуктора

Редуктор РМ-250
Відгуків про цей товар ще не було.
Немає відгуків про цей товар, станьте першим, залиште свій відгук.
Немає питань про даний товар, станьте першим і задайте своє питання.