Редуктор РМ-350
Редуктор РМ-350
Редуктор РМ потребує певного обслуговування під час його експлуатації. Після того, як редуктор був запущений, після двох годин роботи без перерви (навантаження водночас не має перевищувати 0,7 від номінального навантаження редуктора РМ, важливо відрегулювати підшипники, це обов'язковий крок.
Коли редуктор РМ відпрацює вже 1-2 зміни, важливо замінити оливу, це дасть змогу видалити дрібну стружку, яка неминуче утворюється від приробки зубчастих передач.
Редуктор РМ: умови застосування
- навантаження постійне та змінне, одного напрямку та реверсивне;
- робота тривала або з періодичними зупинками, обертання валів у будь-який бік;
- частота обертання вхідного вала не має перевищувати 1500 об/хв;
- температура зовнішнього середовища від мінус 40 °C до плюс 50 °C;
- підвищена запиленість, неагресивне середовище;
- кліматичні виконання У, Т (для категорії розміщення 1...4) за ГОСТ 15150-69.
Переваги роботи з нами
1. Максимально швидке відвантаження — завжди в заявлений термін.
2. Досвідчені фахівці.
3. Товар чудової якості.
4. Гарантія на кожну покупку.
5. Вигідні ціни.
6. Відправимо замовлення будь-яким перевезенням, за Харковом доставимо власним транспортом.

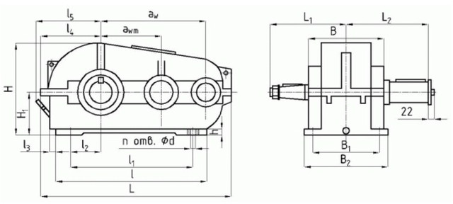
Розміри редуктора РМ-350
| aw | awm | L | L1 | L2 | l | l1 | l2 | l3 | l4 | l5 |
| 350 | 200 | 710 | 260 | 268,5 | 415 | 310 | 45 | 60 | 238 | 280 |
| B | B1 | B2 | H | H1 | h | Ød | відлуння. |
| 270 | 250 | 290 | 400 | 200 | 23 | 17 | 4 |
Технічні характеристики редуктора РМ-350
| Типорозмір | РМ-350 | |||||||||||
| Номінальне передавальне | 50,0 | 40,0 | 31,5 | 22,4 | 20,0 | 16,0 | 12,5 | 10,0 | 8,0 | |||
| Номінальний крутний момент | Ном. част. вращ. швидкохід. вала, с-1(об/хв) | 10 (600) | Особливо легкий | 4254 | 4222 | 4113 | 3977 | 3817 | 3762 | 3643 | 3593 | 3460 |
| ПВ 15% | 2166 | 2175 | 2357 | 2304 | 2251 | 2332 | 2254 | 2142 | 2005 | |||
| ПВ 25% | 1856 | 1855 | 2056 | 2007 | 1958 | 2031 | 1952 | 1862 | 1743 | |||
| ПВ 40% | 1624 | 1599 | 1705 | 1710 | 1664 | 1730 | 1671 | 1582 | 1481 | |||
| ПВ 100% | 657 | 608 | 602 | 595 | 587 | 677 | 684 | 692 | 695 | |||
| 12,5 (750) | Особливо легкий | 3836 | 4145 | 4253 | 3925 | 3837 | 3692 | 3623 | 3428 | 3407 | ||
| ПВ 15% | 2166 | 2098 | 2327 | 2230 | 2140 | 2247 | 2109 | 2004 | 1835 | |||
| ПВ 25% | 1856 | 1842 | 2006 | 1933 | 1853 | 1946 | 1836 | 1740 | 1594 | |||
| ПВ 40% | 1609 | 1586 | 1725 | 1635 | 1592 | 1665 | 1562 | 1477 | 1352 | |||
| ПВ 100% | 588 | 563 | 602 | 595 | 600 | 682 | 692 | 738 | 681 | |||
| 16,6 (1000) | Особливо легкий | 4037 | 4068 | 3973 | 3835 | 3759 | 3611 | 3502 | 3362 | 3184 | ||
| ПВ 15% | 2135 | 2111 | 2257 | 2141 | 2055 | 2092 | 1944 | 1790 | 1691 | |||
| ПВ 25% | 1856 | 1842 | 1956 | 1851 | 1801 | 1821 | 1691 | 1552 | 1463 | |||
| ПВ 40% | 1624 | 1535 | 1655 | 1583 | 1527 | 1550 | 1437 | 1315 | 1242 | |||
| ПВ 100% | 580 | 576 | 602 | 602 | 607 | 692 | 688 | 692 | 684 | |||
| 20,83 (1250) | Особливо легкий | 4121 | 4053 | 3900 | 3746 | 3680 | 3491 | 3333 | 3204 | 3019 | ||
| ПВ 15% | 2116 | 2057 | 2167 | 2034 | 2020 | 1938 | 1710 | 1661 | 1541 | |||
| ПВ 25% | 1819 | 1781 | 1878 | 1766 | 1754 | 1685 | 1488 | 1432 | 1352 | |||
| ПВ 40% | 1633 | 1535 | 1589 | 1498 | 1488 | 1433 | 1266 | 1218 | 1151 | |||
| ПВ 100% | 594 | 583 | 602 | 607 | 595 | 686 | 686 | 688 | 623 | |||
| 25 (1500) | Особливо легкий | 4022 | 3889 | 3772 | 3642 | 3524 | 3361 | 3180 | 3164 | 2778 | ||
| ПВ 15% | 2042 | 1996 | 2147 | 1933 | 1932 | 1816 | 1691 | 1714 | 1415 | |||
| ПВ 25% | 1794 | 1740 | 1866 | 1680 | 1684 | 1575 | 1465 | 1384 | 1232 | |||
| ПВ 40% | 1516 | 1484 | 1585 | 1427 | 1436 | 1344 | 1248 | 1173 | 1059 | |||
| ПВ 100% | 588 | 588 | 602 | 610 | 600 | 692 | 684 | 626 | 687 | |||
| Маса, кг, не більш ніж | 145 | |||||||||||
| Номінальна частота обертання швидкохідного вала, | Короткочасний допустимий крутний момент | ||||||||
| 50,0 | 40,0 | 31,5 | 22,4 | 20,0 | 16,0 | 12,5 | 10,0 | 8,0 | |
| РМ-350 | |||||||||
| 10,0 (600) | 8000 | 7900 | 7700 | 7600 | 7400 | 7200 | 6900 | 6800 | 6000 |
| 12,5 (750) | 8000 | 7900 | 7600 | 7400 | 7300 | 7000 | 6800 | 6600 | 6400 |
| 16,6 (1000) | 7900 | 7800 | 7500 | 7300 | 7200 | 6800 | 6600 | 6400 | 6100 |
| 20,8 (1250) | 7800 | 7700 | 7400 | 7100 | 7000 | 6600 | 6400 | 6100 | 5800 |
| 25,0 (1500) | 7700 | 7400 | 7100 | 6900 | 6800 | 6400 | 6100 | 6000 | 5400 |
| Номінальна частота обертання швидкохідного вала, об/хв | РМ-350 | ||
| FБ max | FТ max | FM max | |
| 600 | 3,8 | 24,0 | 18,4 |
| 750 | 3,5 | 22,5 | 16,9 |
| 1000 | 3,1 | 20,0 | 16,0 |
| 1250 | 2,9 | 18,5 | 14,0 |
| 1500 | 2,9 | 17,5 | 13,7 |
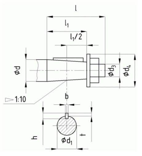
Розміри кінців швидкохідних валів редуктора РМ-350

| Ød | Ød1 | Ød3 | Ød4 | l | l1 | b | h | t |
| 40 | 35,90 | М24×2 | 63 | 110 | 82 | 12 | 8 | 5 |
Розміри кінців тихохідних валів під муфти редуктора РМ-350

| Ød m6 | Ød1 | b | l | t |
| 55 | 65 | 16 | 82 | 60 |
Розміри кінців тихохідних валів у формі зубчастої напівмуфти редуктора РМ-350

| m | z | b | L | L1 | k | B | Ød F7 | Ød1 f9 |
| 3 | 48 | 25 | 54,5 | 16 | 24,5 | 45 | 90 | 110 |
Варіанти збирання редуктора

Редуктор РМ-350
Відгуків про цей товар ще не було.
Немає відгуків про цей товар, станьте першим, залиште свій відгук.
Немає питань про даний товар, станьте першим і задайте своє питання.