Редуктор РМ-500
Редуктор РМ-500
• циліндричний, оскільки зміна кутової швидкості та обертального моменту відбувається за допомогою зубчастих передач.
• двоступеневий — у корпусе два циліндричні передачі.
• горизонтальний — вали редуктора лежать у горизонтальній площині.
Редуктор РМ: умови застосування
- навантаження постійне та змінне, одного напрямку та реверсивне;
- робота тривала або з періодичними зупинками, обертання валів у будь-який бік;
- частота обертання вхідного вала не має перевищувати 1500 об/хв;
- температура зовнішнього середовища від мінус 40 °C до плюс 50 °C;
- підвищена запиленість, неагресивне середовище;
- кліматичні виконання У, Т (для категорії розміщення 1...4) за ГОСТ 15150-69.
Переваги роботи з нами
1. Максимально швидке відвантаження — завжди в заявлений термін.
2. Досвідчені фахівці.
3. Товар чудової якості.
4. Гарантія на кожну покупку.
5. Вигідні ціни.
6. Відправимо замовлення будь-яким перевезенням, за Харковом доставимо власним транспортом.

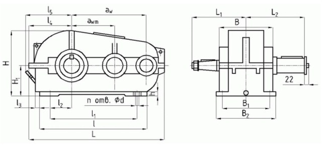
Розміри редуктора РМ-500
| aw | awm | L | L1 | L2 | l | l1 | l2 | l3 | l4 | l5 |
| 500 | 300 | 986 | 330 | 330 | 620 | 480 | 110 | 87 | 338 | 420 |
| B | B1 | B2 | H | H1 | h | Ød | відлуння. |
| 350 | 310 | 350 | 592 | 300 | 25 | 17 | 6 |
Технічні характеристики редуктора РМ-500
| Типорозмір | РМ-500 | |||||||||||
| Номінальне передавальне | 50,0 | 40,0 | 31,5 | 22,4 | 20,0 | 16,0 | 12,5 | 10,0 | 8,0 | |||
| Номінальний крутний момент | Ном. част. вращ. швидкохід. вала, с-1(об/хв) | 10 (600) | Особливо легкий | 14230 | 13113 | 13292 | 13194 | 13051 | 12540 | 11875 | 10712 | 9304 |
| ПВ 15% | 7193 | 7100 | 7423 | 7805 | 7341 | 7022 | 6642 | 6180 | 5766 | |||
| ПВ 25% | 6265 | 6205 | 6470 | 6541 | 6460 | 6144 | 5837 | 5439 | 4980 | |||
| ПВ 40% | 5336 | 5245 | 5467 | 5575 | 5481 | 5141 | 4931 | 4532 | 4259 | |||
| ПВ 100% | 2166 | 2047 | 2157 | 2156 | 2153 | 2332 | 2315 | 2324 | 2320 | |||
| 12,5 (750) | Особливо легкий | 13921 | 14072 | 13442 | 13082 | 12920 | 12239 | 10949 | 9888 | 8597 | ||
| ПВ 15% | 7177 | 7062 | 6982 | 7284 | 7178 | 6220 | 5958 | 5669 | 5137 | |||
| ПВ 25% | 6249 | 6141 | 6059 | 6244 | 6264 | 5417 | 5153 | 4878 | 4456 | |||
| ПВ 40% | 5321 | 5219 | 5136 | 5382 | 5325 | 4615 | 4347 | 4153 | 3774 | |||
| ПВ 100% | 2042 | 1945 | 2167 | 2170 | 2166 | 2307 | 2319 | 2320 | 2317 | |||
| 16,6 (1000) | Особливо легкий | 13689 | 13624 | 13091 | 12710 | 12529 | 11286 | 10023 | 8900 | 7627 | ||
| ПВ 15% | 6775 | 6946 | 7223 | 6244 | 6166 | 5342 | 5193 | 4796 | 4128 | |||
| ПВ 25% | 5893 | 6025 | 5447 | 5463 | 5383 | 4665 | 4529 | 4153 | 3617 | |||
| ПВ 40% | 5012 | 5143 | 4635 | 4527 | 4503 | 3912 | 3864 | 3510 | 3067 | |||
| ПВ 100% | 1995 | 1996 | 2167 | 2163 | 2153 | 2317 | 2319 | 2324 | 2107 | |||
| 20,83 (1250) | Особливо легкий | 13550 | 13509 | 12760 | 12309 | 12685 | 10353 | 9178 | 8069 | 6856 | ||
| ПВ 15% | 6274 | 6601 | 5537 | 5619 | 5622 | 4815 | 4589 | 4114 | 3586 | |||
| ПВ 25% | 5457 | 5680 | 4936 | 4906 | 4855 | 4213 | 4009 | 3520 | 3114 | |||
| ПВ 40% | 4640 | 4820 | 4165 | 4192 | 3994 | 3551 | 3381 | 3006 | 2642 | |||
| ПВ 100% | 2005 | 1996 | 2167 | 2159 | 2161 | 2323 | 2319 | 2096 | 2170 | |||
| 25 (1500) | Особливо легкий | 13302 | 13305 | 12640 | 12041 | 11746 | 9630 | 8373 | 7317 | 5897 | ||
| ПВ 15% | 5816 | 5885 | 5216 | 5500 | 5220 | 4364 | 4025 | 3626 | 3171 | |||
| ПВ 25% | 5043 | 5117 | 4514 | 4757 | 4503 | 3812 | 3502 | 3131 | 2752 | |||
| ПВ 40% | 4300 | 4350 | 3852 | 4014 | 3785 | 3210 | 2979 | 2670 | 2333 | |||
| ПВ 100% | 1980 | 1996 | 2167 | 2170 | 2166 | 2307 | 2013 | 2110 | 2097 | |||
| Маса, кг, не більш ніж | 390 | |||||||||||
| Номінальна частота обертання швидкохідного вала, | Короткочасний допустимий крутний момент | ||||||||
| 50,0 | 40,0 | 31,5 | 22,4 | 20,0 | 16,0 | 12,5 | 10,0 | 8,0 | |
| 12,5 (750) | 27000 | 26520 | 25500 | 25000 | 24500 | 23500 | 21000 | 19000 | 16500 |
| 16,6 (1000) | 26000 | 26000 | 25000 | 24000 | 24000 | 21000 | 19000 | 17000 | 14500 |
| 25,0 (1500) | 25000 | 25000 | 24000 | 23000 | 22000 | 18500 | 16000 | 14000 | 11400 |
| Номінальна частота обертання швидкохідного вала, об/хв | |||
| FБ max | FТ max | FM max | |
| 600 | 4,3 | 23,5 | 21,3 |
| 750 | 4,0 | 22,0 | 19,6 |
| 1000 | 3,5 | 19,5 | 17,7 |
| 1250 | 3,2 | 18,0 | 16,4 |
| 1500 | 3,0 | 17,0 | 16,45 |
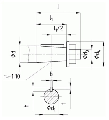
Розміри кінців швидкохідних валів редуктора РМ-500

| Ød | Ød1 | Ød3 | Ød4 | l | l1 | b | h | t |
| 50 | 45,9 | М36×3 | 70 | 110 | 82 | 12 | 8 | 5 |
Розміри кінців тихохідних валів під муфти редуктора РМ-500

| Ød m6 | Ød1 | b | l | t |
| 80 | 90 | 22 | 123 | 88 |
Розміри кінців тихохідних валів у формі зубчастої півмуфти редуктора РМ-500

| m | z | b | L | L1 | k | B | Ød F7 | Ød1 f9 |
| 4 | 56 | 35 | 63 | 16 | 32 | 50 | 120 | 170 |
Варіанти збирання редуктора

Редуктор РМ-500
Відгуків про цей товар ще не було.
Немає відгуків про цей товар, станьте першим, залиште свій відгук.
Немає питань про даний товар, станьте першим і задайте своє питання.