Редуктор РЦД-1150-16
Циліндричний двоступеневий редуктор РЦД-1150-16
Циліндричні двоступеневі редуктори РЦД-1150-16 використовуються в зоні загального важкого машинобудування як механічні перетворювальні пристрої. Вони дають змогу раціоналізувати робочий процес, редукуючи швидкість обертання й підвищуючи крутний момент.
Циліндричний редуктор цього типу здатний функціонувати в чотирьох режимах роботи від середнього до дуже важкого та безперервного, видаючи не менш ніж 97% ККД.
Звертайтеся до наших менеджерів, щоб дізнатися всі нюанси роботи та найефективнішого використання тих, хто цікавиться вами, перетворення. У компанії «Промпривод» ви зможете вигідно купити редуктор РЦД-1150 в Україні за найпривабливішою ціною. На всі пристрої, придбані в нас на сайті, діє тривала гарантія! Здійснюємо надсилання товару по країні в найкоротші терміни!
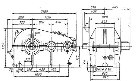
Основні розміри редуктора РЦД-1150

Число зубців у редукторі РЦД-1150
| Ступень редуктора | Загальна передавальна кількість (номінальна) | |
| 16 | ||
| 1 | Шестірня | 30 |
| Колесо | 118 | |
| 2 | Шестірня | 28 |
| Колесо | 110 | |
Потужності на швидкохідному валу та крутні моменти на тихохідному валу редуктора
| Режим роботи | Загальна передавальна кількість (номінальна) | N, кВт | M, кГ*м | |||||||
| Швидкість обертання швидкохідного вала, об/хв | ||||||||||
| 500 | 700 | 1000 | 1500 | 500 | 700 | 1000 | 1500 | |||
| Середній С | 16 | 310 | 378 | 412 | 513 | 9658 | 8420 | 6418 | 5328 | |
| Важкий Т | 16 | 209 | 268 | 292 | 406 | 6508 | 6944 | 4561 | 4212 | |
| Дуже важкий ВТ | 16 | 117 | 231 | 292 | 406 | 5507 | 5137 | 4561 | 4212 | |
| Безперервний Н | 16 | 165 | 231 | 292 | 406 | 5137 | 5137 | 4561 | 4212 | |
Граничні колосальні навантаження на кінцях валів, кГ
| Швидкохідний вал | Тихохідний вал | ||||||
| Режим роботи | |||||||
| З | Т | ВТ | Н | З | Т | ВТ | Н |
| 3100 | 2300 | 1720 | 1200 | 10500 | 8380 | 6300 | 6300 |
Варіанти складання редуктора РЦД-1150

Редуктор РЦД-1150-16
Відгуків про цей товар ще не було.
Немає відгуків про цей товар, станьте першим, залиште свій відгук.
Немає питань про даний товар, станьте першим і задайте своє питання.