Редуктор РЦД-1150-20
Циліндричний двоступеневий редуктор РЦД-1150-20
Двоступеневі циліндричні редуктори типу РЦД-1150-20 належать до спеціалізованих механічних перетворювачів, що дають змогу редукувати величини, що входять до системи від електричного двигуна, і приводити їх до оптимального під це навантаження значення.
Циліндричний редуктор цього типу активно експлуатується в чотирьох режимах роботи (від середнього до дуже важкого, а також безперервного), даючи змогу отримати ККД процесу не нижче 97%.
Звертайтеся до наших менеджерів, щоб дізнатися всі нюанси роботи та найефективнішого використання тих, хто цікавиться вами, перетворення. У компанії «Промпривод» ви зможете вигідно купити редуктор РЦД-1150 в Україні за найпривабливішою ціною. На всі пристрої, придбані в нас на сайті, діє тривала гарантія! Здійснюємо надсилання товару по країні в найкоротші терміни!
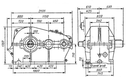
Основні розміри редуктора РЦД-1150

Число зубців у редукторі РЦД-1150
| Ступень редуктора | Загальна передавальна кількість (номінальна) | |
| 20 | ||
| 1 | Шестірня | 27 |
| Колесо | 121 | |
| 2 | Шестірня | 25 |
| Колесо | 113 | |
Потужності на швидкохідному валу та крутні моменти на тихохідному валу редуктора
| Режим роботи | Загальна передавальна кількість (номінальна) | N, кВт | M, кГ*м | |||||||
| Швидкість обертання швидкохідного вала, об/хв | ||||||||||
| 500 | 700 | 1000 | 1500 | 500 | 700 | 1000 | 1500 | |||
| Середній С | 20 | 246 | 331 | 367 | 454 | 9564 | 9210 | 7158 | 5901 | |
| Важкий Т | 20 | 185 | 234 | 258 | 347 | 7212 | 6527 | 5040 | 4502 | |
| Дуже важкий ВТ | 20 | 156 | 198 | 251 | 347 | 6080 | 5506 | 4884 | 4502 | |
| Безперервний Н | 20 | 125 | 176 | 251 | 347 | 4884 | 4884 | 4884 | 4502 | |
Граничні колосальні навантаження на кінцях валів, кГ
| Швидкохідний вал | Тихохідний вал | ||||||
| Режим роботи | |||||||
| З | Т | ВТ | Н | З | Т | ВТ | Н |
| 3100 | 2300 | 1720 | 1200 | 10500 | 8380 | 6300 | 6300 |
Варіанти складання редуктора РЦД-1150

Редуктор РЦД-1150-20
Відгуків про цей товар ще не було.
Немає відгуків про цей товар, станьте першим, залиште свій відгук.
Немає питань про даний товар, станьте першим і задайте своє питання.