Редуктор РЦД-1150-28
Циліндричний двоступеневий редуктор РЦД-1150-28
Циліндричний двоступеневий редуктор РЦД-1150-28 є механічним перетворювачем спеціалізованого призначення. Такий пристрій може видавати не менш ніж 97%, працюючи в одному з чотирьох можливих режимах роботи: середньому, важкому, вельми важкому та безперервному.
Для цього перетворювача характерне виробництво в чавунному корпусі — вкрай міцному та довговічному матеріалі. Вироби цього типу з'єднуються з двигуном і автомізованою через муфту. Вали редуктора можуть бути виготовлені в конічному чи циліндричному виконанні.
Звертайтеся до наших менеджерів, щоб дізнатися всі нюанси роботи та найефективнішого використання тих, хто цікавиться вами, перетворення. У компанії «Промпривод» ви зможете вигідно купити редуктор РЦД-1150 в Україні за найпривабливішою ціною. На всі пристрої, придбані в нас на сайті, діє тривала гарантія! Здійснюємо надсилання товару по країні в найкоротші терміни!
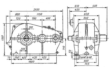
Основні розміри редуктора РЦД-1150

Число зубців у редукторі РЦД-1150
| Ступень редуктора | Загальна передавальна кількість (номінальна) | |
| 28 | ||
| 1 | Шестірня | 22 |
| Колесо | 126 | |
| 2 | Шестірня | 23 |
| Колесо | 115 | |
Потужності на швидкохідному валу та крутні моменти на тихохідному валу редуктора
| Режим роботи | Загальна передавальна кількість (номінальна) | N, кВт | M, кГ*м | |||||||
| Швидкість обертання швидкохідного вала, об/хв | ||||||||||
| 500 | 700 | 1000 | 1500 | 500 | 700 | 1000 | 1500 | |||
| Середній С | 28 | 166 | 234 | 327 | 369 | 9092 | 9092 | 6418 | 6709 | |
| Важкий Т | 28 | 138 | 178 | 233 | 260 | 7560 | 6931 | 6353 | 4731 | |
| Дуже важкий ВТ | 28 | 117 | 151 | 194 | 255 | 6398 | 5864 | 5287 | 4643 | |
| Безперервний Н | 28 | 85 | 119 | 170 | 255 | 4643 | 4643 | 4643 | 4643 | |
Граничні колосальні навантаження на кінцях валів, кГ
| Швидкохідний вал | Тихохідний вал | ||||||
| Режим роботи | |||||||
| З | Т | ВТ | Н | З | Т | ВТ | Н |
| 3100 | 2300 | 1720 | 1200 | 10500 | 8380 | 6300 | 6300 |
Варіанти складання редуктора РЦД-1150

Редуктор РЦД-1150-28
Відгуків про цей товар ще не було.
Немає відгуків про цей товар, станьте першим, залиште свій відгук.
Немає питань про даний товар, станьте першим і задайте своє питання.