Редуктор РЦД-1150-40
Циліндричний двоступеневий редуктор РЦД-1150-40
Двоступеневі циліндричні редуктори РЦД-1150-40 використовується в зоні загального важкого машинобудування як спеціалізований пристрій, що здатний редукувати відповідні на нього величини до отримання необхідних систем значень. Механізм перетворювача поміщається в чавунний корпус. Виріб виготовляється з конічним або циліндричним типом вихідного вала. З'єднання машини та двигуном відбувається через муфту. Можливе під'єднання командоапаратів.
Звертайтеся до наших менеджерів, щоб дізнатися всі нюанси роботи та найефективнішого використання тих, хто цікавиться вами, перетворення. У компанії «Промпривод» ви зможете вигідно купити редуктор РЦД-1150 в Україні за найпривабливішою ціною. На всі пристрої, придбані в нас на сайті, діє тривала гарантія! Здійснюємо надсилання товару по країні в найкоротші терміни!
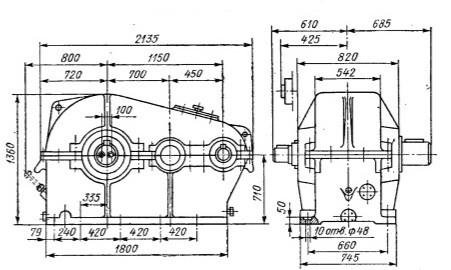
Основні розміри редуктора РЦД-1150

Число зубців у редукторі РЦД-1150
| Ступень редуктора | Загальна передавальна кількість (номінальна) | |
| 40 | ||
| 1 | Шестірня | 20 |
| Колесо | 128 | |
| 2 | Шестірня | 19 |
| Колесо | 119 | |
Потужності на швидкохідному валу та крутні моменти на тихохідному валу редуктора
| Режим роботи | Загальна передавальна кількість (номінальна) | N, кВт | M, кГ*м | |||||||
| Швидкість обертання швидкохідного вала, об/хв | ||||||||||
| 500 | 700 | 1000 | 1500 | 500 | 700 | 1000 | 1500 | |||
| Середній С | 40 | 110 | 145 | 220 | 370 | 8573 | 8573 | 8573 | 7022 | |
| Важкий Т | 40 | 100 | 128 | 167 | 191 | 7793 | 7127 | 6520 | 4960 | |
| Дуже важкий ВТ | 40 | 85 | 109 | 141 | 169 | 6612 | 6047 | 5476 | 4378 | |
| Безперервний Н | 40 | 56 | 79 | 112 | 169 | 4378 | 4378 | 4378 | 4378 | |
Граничні колосальні навантаження на кінцях валів, кГ
| Швидкохідний вал | Тихохідний вал | ||||||
| Режим роботи | |||||||
| З | Т | ВТ | Н | З | Т | ВТ | Н |
| 3100 | 2300 | 1720 | 1200 | 10500 | 8380 | 6300 | 6300 |
Варіанти складання редуктора РЦД-1150

Редуктор РЦД-1150-40
Відгуків про цей товар ще не було.
Немає відгуків про цей товар, станьте першим, залиште свій відгук.
Немає питань про даний товар, станьте першим і задайте своє питання.