Редуктор РЦД-1150 циліндричний
Циліндричний горизонтальний двоступеневий редуктор РЦД-1150
Циліндричні редуктори РЦД-1150 — спеціалізовані пристрої механічного типу, що використовуються як елемент загального приводу для отримання оптимальних значень моменту клювання та швидкості обертання. Двоступеневий редуктор цього типорозміру має такі особливості:
- Можливість під'єднання командоаппарату (чому сприяють особливі варіанти збирання редуктора, представлені нижче)
- Робота з чималим ККД — 97%.
- Експлуатація може відбуватися в середньому, важкому, вельми важкому або безперервному режимі роботи з можливістю обертання валів в обидві сторони.
- Загальний ресурс редуктора під час роботи з величезними навантаженнями становить 3600 годин. Для менш агресивних умов експлуатації він прирівнюється до 10000 годин.
- З'єднання редуктора з виконавчим пристроєм і машини, що приводиться, здійснюється переважно через муфту.
У компанії «Промпривод» ви можете знайти в наявності й під замовлення промислове обладнання будь-якого типу. Ми виготовляємо механізми загального призначення, а також спеціалізовані пристрої, що повністю відповідають вітчизняним і європейським вимогам. Звертайтеся до наших фахівців за безплатною консультацією й поспішайте купити редуктор РЦД-1150 за вигідною ціною!
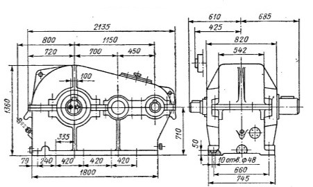
Основні розміри редуктора РЦД-1150

Число зубців у редукторі РЦД-1150
| Ступень редуктора | Загальна передавальна кількість (номінальна) | |||||
| 16 | 20 | 28 | 31.5 | 40 | ||
| 1 | Шестірня | 30 | 27 | 22 | 20 | 20 |
| Колесо | 118 | 121 | 126 | 128 | 128 | |
| 2 | Шестірня | 28 | 25 | 23 | 23 | 19 |
| Колесо | 110 | 113 | 115 | 115 | 119 | |
Потужності на швидкохідному валу та крутні моменти на тихохідному валу редуктора
| Режим роботи | Загальна передавальна кількість (номінальна) | N, кВт | M, кГ*м | ||||||
| Швидкість обертання швидкохідного вала, об/хв | |||||||||
| 500 | 700 | 1000 | 1500 | 500 | 700 | 1000 | 1500 | ||
| Середній С | 16 | 310 | 378 | 412 | 513 | 9658 | 8420 | 6418 | 5328 |
| 20 | 246 | 331 | 367 | 454 | 9564 | 9210 | 7158 | 5901 | |
| 28 | 166 | 234 | 327 | 369 | 9092 | 9092 | 6418 | 6709 | |
| 31.5 | 148 | 207 | 277 | 318 | 9092 | 9092 | 8528 | 6509 | |
| 40 | 110 | 145 | 220 | 370 | 8573 | 8573 | 8573 | 7022 | |
| Важкий Т | 16 | 209 | 268 | 292 | 406 | 6508 | 6944 | 4561 | 4212 |
| 20 | 185 | 234 | 258 | 347 | 7212 | 6527 | 5040 | 4502 | |
| 28 | 138 | 178 | 233 | 260 | 7560 | 6931 | 6353 | 4731 | |
| 31.5 | 117 | 153 | 197 | 223 | 7211 | 6717 | 6066 | 4547 | |
| 40 | 100 | 128 | 167 | 191 | 7793 | 7127 | 6520 | 4960 | |
| Дуже важкий ВТ | 16 | 117 | 231 | 292 | 406 | 5507 | 5137 | 4561 | 4212 |
| 20 | 156 | 198 | 251 | 347 | 6080 | 5506 | 4884 | 4502 | |
| 28 | 117 | 151 | 194 | 255 | 6398 | 5864 | 5287 | 4643 | |
| 31.5 | 100 | 129 | 166 | 222 | 4120 | 5664 | 5124 | 4841 | |
| 40 | 85 | 109 | 141 | 169 | 6612 | 6047 | 5476 | 4378 | |
| Безперервний Н | 16 | 165 | 231 | 292 | 406 | 5137 | 5137 | 4561 | 4212 |
| 20 | 125 | 176 | 251 | 347 | 4884 | 4884 | 4884 | 4502 | |
| 28 | 85 | 119 | 170 | 255 | 4643 | 4643 | 4643 | 4643 | |
| 31.5 | 76 | 106 | 150 | 222 | 4643 | 4643 | 4643 | 4541 | |
| 40 | 56 | 79 | 112 | 169 | 4378 | 4378 | 4378 | 4378 | |
Граничні колосальні навантаження на кінцях валів, кГ
| Швидкохідний вал | Тихохідний вал | ||||||
| Режим роботи | |||||||
| З | Т | ВТ | Н | З | Т | ВТ | Н |
| 3100 | 2300 | 1720 | 1200 | 10500 | 8380 | 6300 | 6300 |
Варіанти складання редуктора РЦД-1150

Редуктор РЦД-1150 цилиндрический
Відгуків про цей товар ще не було.
Немає відгуків про цей товар, станьте першим, залиште свій відгук.
Немає питань про даний товар, станьте першим і задайте своє питання.