Редуктор Ц2-1000
В редукторе Ц2-1000 як швидкохідний щабель використовується шевронне зачеплення, що зумовлює малі габарити та високий крутний момент, порівнюючи з іншими редукторами. Редуктор Ц2-1000 зазвичай використовується в підіймально-транспортних механізмах.
Редуктор Ц2-1000 призначений для таких умов роботи:
- обертання валів у будь-який бік;
- кліматичні умови У, Т, категорія розміщення — 2,3 за ГОСТом 15150-69;
- неагресивне середовище, помірна запиленість і вологість;
- частота обертання вхідного вала — не перевищує 1500 об/хв.
Варіанти збирання редуктора Ц2-1000:

Технічні характеристики редуктора Ц2-1000:
| Передатне число | 8 | 10 | 12.5 | 16 | 20 | 25 | 31.5 | 40 | 50 | |||
| Момент кручення на виході, Нм | 600 об/хв | Режим роботи | Безперервний Н (ПВ=100%) | 58000 | 56000 | 58000 | 51500 | |||||
| Важкий Т (ПВ=40%) | 82500 | 97500 | 109000 | 122000 | ||||||||
| Середній С (ПВ=25%) | 109000 | 136000 | 140000 | 150000 | ||||||||
| Легкий Л (ПВ=15%) | 155000 | 190000 | 200000 | |||||||||
| 750 об/хв | Безперервний Н (ПВ=100%) | 56000 | 53000 | 56000 | 50000 | |||||||
| Важкий Т (ПВ=40%) | 77500 | 92500 | 100000 | 115000 | ||||||||
| Середній С (ПВ=25%) | 97500 | 100000 | 128000 | 140000 | 150000 | |||||||
| Легкий Л (ПВ=15%) | 150000 | 180000 | 195000 | 200000 | ||||||||
| 1000 об/хв | Безперервний Н (ПВ=100%) | – | 53000 | 54500 | 50000 | |||||||
| Важкий Т (ПВ=40%) | – | 71000 | 85000 | 100000 | ||||||||
| Середній С (ПВ=25%) | – | 100000 | 109000 | 128000 | 136000 | |||||||
| Легкий Л (ПВ=15%) | – | 136000 | 160000 | 185000 | 190000 | |||||||
| 1500 об./хв | Безперервний Н (ПВ=100%) | – | 51500 | 47500 | ||||||||
| Важкий Т (ПВ=40%) | 77500 | 85000 | ||||||||||
| Середній С (ПВ=25%) | 100000 | 120000 | ||||||||||
| Легкий Л (ПВ=15%) | 150000 | 160000 | 170000 | |||||||||
| Навантаження на вихідний валу, Н | Режим роботи | Безперервний Н (ПВ=100%) | 80000 | |||||||||
| Важкий Т (ПВ=40%) | 160000 | |||||||||||
| Середній С (ПВ=25%) | 200000 | |||||||||||
| Легкий Л (ПВ=15%) | ||||||||||||
| Вага пристрою, кг | 3700 | |||||||||||
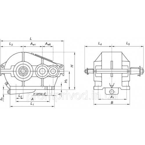
Розміри циліндричного кранового редуктора Ц2-1000:

| AWT | Awб | A | A1 | B | H | H1 | h | h1 | L | L1 | L2 | L3 | L4 | L5 | d | n |
| 600 | 400 | 1200 | 760 | 860 | 1018 | 450 | 45 | 155 | 1905 | 1400 | 300 | 645 | 740 | 805 | 52 | 8 |
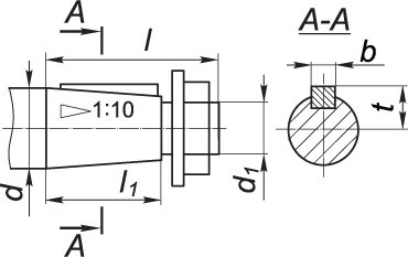
Розміри валів конічної форми циліндричного кранового редуктора Ц2-1000:

| Вал, розташований на вході | Вал, розташований на виході | ||||||||||
| d | d1 | l | l1 | b | t | d | d1 | l | l1 | b | t |
| 100 | М72×4 | 210 | 165 | 25 | 50.88 | 220 | М140×4 | 350 | 280 | 50 | 114 |
| Вал, розташований на виході | ||||||||
| d | d1 | d2 | l | l1 | b | t | n | L |
| 220s6 | 140 | М20 | 280 | 32 | 50 | 237 | 3 | 745 |
| b | d | d1 | d2 | L | l | l1 | Зачеплення | |
| m | z | |||||||
| 80 | 672 | 320F8 | 445 | 645 | 25 | 130 | 16 | 40 |
Приклад умовного позначення під час замовлення:
Редуктор Ц2-1000-20-21-У1, де
Ц2 — тип редуктора
1000 - хутряна відстань, мм
20 - номінальне передавальне число
21 - варіант збирання
У - кліматичне виконання
1 - категорія розміщення
Редуктор Ц2-1000
Відгуків про цей товар ще не було.
Немає відгуків про цей товар, станьте першим, залиште свій відгук.
Немає питань про даний товар, станьте першим і задайте своє питання.