Редуктор Ц2-1000-12.5
Редуктор Ц2-1000-12.5
Редуктор Ц2-1000-12.5 відноситься до циліндричних пристроїв, які встановлюють механізми пересування вантажопідйомних машин. Основна сфера застосування даного пристрою - вантажопідйомне обладнання.
Дані мультиплікатори дуже потрібні, тому що мають безліч переваг:
- Такі пристрої цінують за надійність і довгу роботу без перебоїв.
- Високий коефіцієнт корисної дії перевищує 96%.
- Евольвентне зубчасте зачеплення, що передає обертання.
Агрегати не варто встановлювати у запиленому приміщенні. Вали можуть обертатися обидві сторони, що робить редуктор незамінним помічником. Окружна швидкість зубчастих передач має перевищувати 12 м/с. У той же час, номінальна частота обертання вхідного валу не перевищує діапазону від 600 до 1500 оборотів на хвилину.
Замовити редуктори та комплектуючі ви можете, залишивши заявку на сайті. Також, зателефонувавши, наші менеджери представлять вам повну технічну характеристику будь-якого пристрою. Співпрацюючи з компанією «Промпривод» ви отримуєте гарантію та ціну від виробника. Всі пристрої найвищої якості. Доставка можлива по всій Україні.
Розміри циліндричного кранового редуктора Ц2-1000:
Варіанти складання редуктора Ц2-1000:
Технічні характеристики редуктора Ц2-1000:
| Передавальне число | 12.5 | |||
| Момент крутіння на виході, Нм | 600 об/хв | Режим роботи | Безперервний Б (ПВ=100%) | 58000 |
| Важкий В (ПВ=40%) | 82500 | |||
| Середній С (ПВ=25%) | 109000 | |||
| Легкий Л (ПВ=15%) | 155000 | |||
| 750 об/хв | Безперервний Б (ПВ=100%) | 56000 | ||
| Важкий В (ПВ=40%) | 77500 | |||
| Середній С (ПВ=25%) | 100000 | |||
| Легкий Л (ПВ=15%) | 150000 | |||
| 1000 об/хв | Безперервний Б (ПВ=100%) | 53000 | ||
| Важкий В (ПВ=40%) | 71000 | |||
| Середній С (ПВ=25%) | 100000 | |||
| Легкий Л (ПВ=15%) | 136000 | |||
| 1500 об/хв | Безперервний Б (ПВ=100%) | – | ||
| Важкий В (ПВ=40%) | ||||
| Середній С (ПВ=25%) | ||||
| Легкий Л (ПВ=15%) | ||||
| Навантаження на вихідному валу, Н | Режим роботи | Безперервний Б (ПВ=100%) | 80000 | |
| Важкий В (ПВ=40%) | 160000 | |||
| Середній С (ПВ=25%) | 200000 | |||
| Легкий Л (ПВ=15%) | ||||
| Вага пристрою, кг | 3700 | |||
| AWT | Awб | A | A1 | B | H | H1 | h | h1 | L | L1 | L2 | L3 | L4 | L5 | d | n |
| 600 | 400 | 1200 | 760 | 860 | 1018 | 450 | 45 | 155 | 1905 | 1400 | 300 | 645 | 740 | 805 | 52 | 8 |
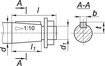
Розміри валів конічної форми циліндричного кранового редуктора Ц2-1000:

| Вал, розташований на вході | Вал, розташований на виході | ||||||||||
| d | d1 | l | l1 | b | t | d | d1 | l | l1 | b | t |
| 100 | М72×4 | 210 | 165 | 25 | 50.88 | 220 | М140×4 | 350 | 280 | 50 | 114 |
Розміри валів циліндричної форми кранового редуктора Ц2-1000:

| Вал, розташований на виході | ||||||||
| d | d1 | d2 | l | l1 | b | t | n | L |
| 220s6 | 140 | М20 | 280 | 32 | 50 | 237 | 3 | 745 |
Таблиця розмірів валу, розташованого на виході, що має вигляд зубчастої напівмуфти редуктора Ц2-1000:

| b | d | d1 | d2 | L | l | l1 | Зачеплення | |
| m | z | |||||||
| 80 | 672 | 320F8 | 445 | 645 | 25 | 130 | 16 | 40 |
Приклад умовного позначення при замовленні:

Редуктор Ц2-1000-12.5
Відгуків про цей товар ще не було.
Немає відгуків про цей товар, станьте першим, залиште свій відгук.
Немає питань про даний товар, станьте першим і задайте своє питання.

