Редуктор Ц2-1000-25
Редуктор Ц2-1000-25
Редуктор Ц2-1000-25 застосовують у пристроях, де працює повторно короткочасний режим навантаження. Основне завдання механізму полягає в перетворенні моменту, що крутить, і частоти обертання валу в приводах обладнання.
Агрегати мають невеликі габарити та знижений рівень шуму. Привід чудово працює як при постійних навантаженнях без зупинок до доби, так і зі змінними навантаженнями. Вали редуктора обертаються обидві сторони, що дозволяє використовувати реверсивне навантаження. Номінальна частота оборотів вхідного валу становить 1500 оборотів за хвилину. Пристрій не слід встановлювати у дуже запиленому приміщенні.
Замовити редуктори та комплектуючі ви можете, залишивши заявку на сайті. Також, зателефонувавши, наші менеджери представлять вам повну технічну характеристику будь-якого пристрою. Співпрацюючи з компанією «Промпривод» ви отримуєте гарантію та ціну від виробника. Всі пристрої найвищої якості. Доставка можлива по всій Україні.
Розміри циліндричного кранового редуктора Ц2-1000:
Варіанти складання редуктора Ц2-1000:
Технічні характеристики редуктора Ц2-1000:
| Передавальне число | 25 | |||
| Момент крутіння на виході, Нм | 600 об/хв | Режим роботи | Безперервний Б (ПВ=100%) | 58000 |
| Важкий В (ПВ=40%) | 109000 | |||
| Середній С (ПВ=25%) | 140000 | |||
| Легкий Л (ПВ=15%) | 200000 | |||
| 750 об/хв | Безперервний Б (ПВ=100%) | 56000 | ||
| Важкий В (ПВ=40%) | 100000 | |||
| Середній С (ПВ=25%) | 140000 | |||
| Легкий Л (ПВ=15%) | 195000 | |||
| 1000 об/хв | Безперервний Б (ПВ=100%) | 54500 | ||
| Важкий В (ПВ=40%) | 85000 | |||
| Середній С (ПВ=25%) | 128000 | |||
| Легкий Л (ПВ=15%) | 185000 | |||
| 1500 об/хв | Безперервний Б (ПВ=100%) | 51500 | ||
| Важкий В (ПВ=40%) | 77500 | |||
| Середній С (ПВ=25%) | 100000 | |||
| Легкий Л (ПВ=15%) | 160000 | |||
| Навантаження на вихідному валу, Н | Режим роботи | Безперервний Б (ПВ=100%) | 80000 | |
| Важкий В (ПВ=40%) | 160000 | |||
| Середній С (ПВ=25%) | 200000 | |||
| Легкий Л (ПВ=15%) | ||||
| Вага пристрою, кг | 3700 | |||
| AWT | Awб | A | A1 | B | H | H1 | h | h1 | L | L1 | L2 | L3 | L4 | L5 | d | n |
| 600 | 400 | 1200 | 760 | 860 | 1018 | 450 | 45 | 155 | 1905 | 1400 | 300 | 645 | 740 | 805 | 52 | 8 |
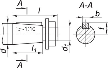
Розміри валів конічної форми циліндричного кранового редуктора Ц2-1000:

| Вал, розташований на вході | Вал, розташований на виході | ||||||||||
| d | d1 | l | l1 | b | t | d | d1 | l | l1 | b | t |
| 100 | М72×4 | 210 | 165 | 25 | 50.88 | 220 | М140×4 | 350 | 280 | 50 | 114 |
Розміри валів циліндричної форми кранового редуктора Ц2-1000:

| Вал, розташований на виході | ||||||||
| d | d1 | d2 | l | l1 | b | t | n | L |
| 220s6 | 140 | М20 | 280 | 32 | 50 | 237 | 3 | 745 |
Таблиця розмірів валу, розташованого на виході, що має вигляд зубчастої напівмуфти редуктора Ц2-1000:

| b | d | d1 | d2 | L | l | l1 | Зачеплення | |
| m | z | |||||||
| 80 | 672 | 320F8 | 445 | 645 | 25 | 130 | 16 | 40 |
Приклад умовного позначення при замовленні:

Редуктор Ц2-1000-25
Відгуків про цей товар ще не було.
Немає відгуків про цей товар, станьте першим, залиште свій відгук.
Немає питань про даний товар, станьте першим і задайте своє питання.

