Редуктор Ц2-1000-31.5
Редуктор Ц2-1000
Редуктор Ц2-1000-31.5 застосовують для зменшення частоти обертання та подальшого збільшення крутного моменту валу в приводах обладнання та механізмах з повторно-короткочасним навантаженням. Такий редуктор сумісний у роботі з крановими електродвигунами.
Особливість такого пристрою в евольвентному зачепленні шестерень, завдяки цьому редуктор має невеликі розміри та знижений рівень шуму.
Середовище, в якому працює редуктор, не повинно бути агресивним і вибухонебезпечним. Також такі пристрої не слід встановлювати в дуже запиленому приміщенні. Вали редуктора обертаються в обидві сторони, що надаємо йому перевагу над іншими. Номінальна швидкість обертання валу має перевищувати 1500 оборотів на хвилину.
Замовити редуктори та комплектуючі ви можете, залишивши заявку на сайті. Також, зателефонувавши, наші менеджери представлять вам повну технічну характеристику будь-якого пристрою. Співпрацюючи з компанією «Промпривод» ви отримуєте гарантію та ціну від виробника. Всі пристрої найвищої якості. Доставка можлива по всій Україні.
Розміри циліндричного кранового редуктора Ц2-1000:

Варіанти складання редуктора Ц2-1000:

Технічні характеристики редуктора Ц2-1000:
| Передавальне число | 31.5 | |||
| Момент крутіння на виході, Нм | 600 об/хв | Режим роботи | Безперервний Б (ПВ=100%) | 58000 |
| Важкий В (ПВ=40%) | 109000 | |||
| Середній С (ПВ=25%) | 140000 | |||
| Легкий Л (ПВ=15%) | 200000 | |||
| 750 об/хв | Безперервний Б (ПВ=100%) | 56000 | ||
| Важкий В (ПВ=40%) | 100000 | |||
| Середній С (ПВ=25%) | 140000 | |||
| Легкий Л (ПВ=15%) | 195000 | |||
| 1000 об/хв | Безперервний Б (ПВ=100%) | 54500 | ||
| Важкий В (ПВ=40%) | 85000 | |||
| Середній С (ПВ=25%) | 128000 | |||
| Легкий Л (ПВ=15%) | 185000 | |||
| 1500 об/хв | Безперервний Б (ПВ=100%) | 51500 | ||
| Важкий В (ПВ=40%) | 77500 | |||
| Середній С (ПВ=25%) | 120000 | |||
| Легкий Л (ПВ=15%) | 160000 | |||
| Навантаження на вихідному валу, Н | Режим роботи | Безперервний Б (ПВ=100%) | 80000 | |
| Важкий В (ПВ=40%) | 160000 | |||
| Середній С (ПВ=25%) | 200000 | |||
| Легкий Л (ПВ=15%) | ||||
| Вага пристрою, кг | 3700 | |||
| AWT | Awб | A | A1 | B | H | H1 | h | h1 | L | L1 | L2 | L3 | L4 | L5 | d | n |
| 600 | 400 | 1200 | 760 | 860 | 1018 | 450 | 45 | 155 | 1905 | 1400 | 300 | 645 | 740 | 805 | 52 | 8 |
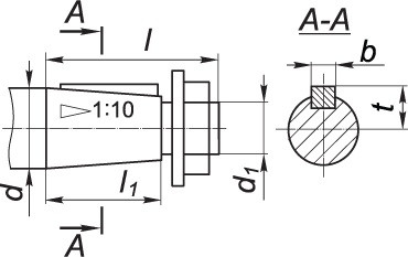
Розміри валів конічної форми циліндричного кранового редуктора Ц2-1000:

| Вал, розташований на вході | Вал, розташований на виході | ||||||||||
| d | d1 | l | l1 | b | t | d | d1 | l | l1 | b | t |
| 100 | М72×4 | 210 | 165 | 25 | 50.88 | 220 | М140×4 | 350 | 280 | 50 | 114 |
Розміри валів циліндричної форми кранового редуктора Ц2-1000:

| Вал, розташований на виході | ||||||||
| d | d1 | d2 | l | l1 | b | t | n | L |
| 220s6 | 140 | М20 | 280 | 32 | 50 | 237 | 3 | 745 |
Таблиця розмірів валу, розташованого на виході, який має вигляд зубчастої напівмуфти редуктора Ц2-1000:

| b | d | d1 | d2 | L | l | l1 | Зачеплення | |
| m | z | |||||||
| 80 | 672 | 320F8 | 445 | 645 | 25 | 130 | 16 | 40 |
Приклад умовного позначення при замовленні:

Редуктор Ц2-1000-31.5
Відгуків про цей товар ще не було.
Немає відгуків про цей товар, станьте першим, залиште свій відгук.
Немає питань про даний товар, станьте першим і задайте своє питання.