Редуктор Ц2-1000-50
Редуктор Ц2-1000-50
Редуктор Ц2-1000-50 використовують для перетворення моменту, що крутить, і частоти обертання валу в приводах кранового обладнання. Також, за рахунок своєї універсальності, такі пристрої часто встановлюють на приводи загального призначення.
Обертання валів можливе в різні боки, але при цьому швидкість обертання не повинна перевищувати 1500 обертів на хвилину. Навантаження, що подається на редуктор, може бути різних типів. Мультиплікатори мають невеликі розміри, але показують високий рівень ККД.
Замовити редуктори та комплектуючі ви можете, залишивши заявку на сайті. Також, зателефонувавши, наші менеджери представлять вам повну технічну характеристику будь-якого пристрою. Співпрацюючи з компанією «Промпривод» ви отримуєте гарантію та ціну від виробника. Всі пристрої найвищої якості. Доставка можлива по всій Україні.
Розміри циліндричного кранового редуктора Ц2-1000:

Варіанти складання редуктора Ц2-1000:

Технічні характеристики редуктора Ц2-1000:
| Передавальне число | 50 | |||
| Момент крутіння на виході, Нм | 600 об/хв | Режим роботи | Безперервний Б (ПВ=100%) | 51500 |
| Важкий В (ПВ=40%) | 122000 | |||
| Середній С (ПВ=25%) | 150000 | |||
| Легкий Л (ПВ=15%) | 200000 | |||
| 750 об/хв | Безперервний Б (ПВ=100%) | 50000 | ||
| Важкий В (ПВ=40%) | 115000 | |||
| Середній С (ПВ=25%) | 150000 | |||
| Легкий Л (ПВ=15%) | 200000 | |||
| 1000 об/хв | Безперервний Б (ПВ=100%) | 50000 | ||
| Важкий В (ПВ=40%) | 100000 | |||
| Середній С (ПВ=25%) | 136000 | |||
| Легкий Л (ПВ=15%) | 190000 | |||
| 1500 об/хв | Безперервний Б (ПВ=100%) | 47500 | ||
| Важкий В (ПВ=40%) | 85000 | |||
| Середній С (ПВ=25%) | 120000 | |||
| Легкий Л (ПВ=15%) | 170000 | |||
| Навантаження на вихідному валу, Н | Режим роботи | Безперервний Б (ПВ=100%) | 80000 | |
| Важкий В (ПВ=40%) | 160000 | |||
| Середній С (ПВ=25%) | 200000 | |||
| Легкий Л (ПВ=15%) | ||||
| Вага пристрою, кг | 3700 | |||
| AWT | Awб | A | A1 | B | H | H1 | h | h1 | L | L1 | L2 | L3 | L4 | L5 | d | n |
| 600 | 400 | 1200 | 760 | 860 | 1018 | 450 | 45 | 155 | 1905 | 1400 | 300 | 645 | 740 | 805 | 52 | 8 |
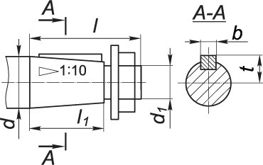
Розміри валів конічної форми циліндричного кранового редуктора Ц2-1000:

| Вал, розташований на вході | Вал, розташований на виході | ||||||||||
| d | d1 | l | l1 | b | t | d | d1 | l | l1 | b | t |
| 100 | М72×4 | 210 | 165 | 25 | 50.88 | 220 | М140×4 | 350 | 280 | 50 | 114 |
Розміри валів циліндричної форми кранового редуктора Ц2-1000:

| Вал, розташований на виході | ||||||||
| d | d1 | d2 | l | l1 | b | t | n | L |
| 220s6 | 140 | М20 | 280 | 32 | 50 | 237 | 3 | 745 |
Таблиця розмірів валу, розташованого на виході, що має вигляд зубчастої напівмуфти редуктора Ц2-1000:

| b | d | d1 | d2 | L | l | l1 | Зацепление | |
| m | z | |||||||
| 80 | 672 | 320F8 | 445 | 645 | 25 | 130 | 16 | 40 |
Приклад умовного позначення при замовленні:

Редуктор Ц2-1000-50
Відгуків про цей товар ще не було.
Немає відгуків про цей товар, станьте першим, залиште свій відгук.
Немає питань про даний товар, станьте першим і задайте своє питання.