Редуктор Ц2-250
Редуктор Ц2-250
Редуктори типу Ц2-250 розроблені для загальнопромислового застосування. Ці пристрої є горизонтальними циліндричними двоступінчастими вузькими редукторами. В основному їх застосовують у механізмах вантажопідйомних машин, а також у приводах загального призначення в діапазоні передавальних чисел від 8 до 50.
Особливість даного мультиплікатора в тому, що як швидкохідний ступінь використовується шевронне зачеплення. Агрегат широко застосовується на виробництві, так як має невеликі габарити, але при цьому має високий крутний момент.
Обладнання Ц2-250 дуже затребуване і має ряд переваг:
- Має високий коефіцієнт корисної дії (понад 95%).
- Працює як із змінними навантаженнями, так і в режимі 24 години.
- Обертання валів як в один, так і у зворотний бік.
- Точність передачі моменту, що крутить.
- Максимальна частота обертання вхідного валу 1500 об/хв.
- Різні погодні умови.
- Навантаження одного напрямку або реверсивне.
Переваги роботи з компанією «Промпривод»:
- Висока якість виробів.
- Ви отримаєте гарантію від виробника на 12 місяців.
- Кваліфікований персонал.
- Весь товар перед відправленням проходить перевірку на плавність ходу, шум, вібрацію.
- Надсилання в обумовлені терміни.
- Доставка по всій Україні.
Розміри циліндричного кранового редуктора Ц2-250:

Варіанти складання редуктора Ц2-250:

Технічні характеристики редуктора Ц2-250:
| Передавальне число | 8 | 10 | 12.5 | 16 | 20 | 25 | 31.5 | 40 | 50 | ||
| Момент крутіння на виході, Нм | Режим роботи | Безперервний Б (ПВ=100%) | 800 | ||||||||
| Дуже важкий ДВ (ПВ=60%) | 900 | 800 | |||||||||
| Важкий В (ПВ=40%) | 1100 | 1200 | |||||||||
| Середній С (ПВ=25%) | 1600 | 2100 | 2300 | ||||||||
| Легкий Л (ПВ=15%) | 2800 | 3300 | 3400 | ||||||||
| Швидкість обертання швидкохідного валу, об/хв | 1500 | ||||||||||
| Навантаження на вхідному валу, Н | Режим роботи | Безперервний Б (ПВ=100%) | 400 | ||||||||
| Важкий В (ПВ=40%) | 750 | 400 | |||||||||
| Середній С (ПВ=25%) | 1000 | 800 | 600 | ||||||||
| Легкий Л (ПВ=15%) | 1100 | 810 | 650 | ||||||||
| Навантаження на вихідному валу, Н | Режим роботи | Безперервний Б (ПВ=100%) | 7000 | ||||||||
| Дуже важкий ДВ (ПВ=60%) | 6300 | ||||||||||
| Важкий В (ПВ=40%) | 8300 | 8600 | |||||||||
| Середній С (ПВ=25%) | 10000 | 11500 | 12000 | ||||||||
| Легкий Л (ПВ=15%) | 13000 | 14000 | 14500 | ||||||||
| Вага пристрою, кг | 128 | ||||||||||
| AWT | Awб | A | A1 | B | H | H1 | h | h1 | L | L1 | L2 | L3 | L4 | L5 | d | n |
| 150 | 100 | 285 | 210 | 260 | 310 | 160 | 18 | - | 515 | 400 | 75 | 183 | 220 | 280 | 22 | 4 |
Розміри валів конічної форми кранового циліндричного редуктора Ц2-1000:

| Вал, розташований на вході | Вал, розташований на виході | ||||||||||
| d | d1 | l | l1 | b | t | d | d1 | l | l1 | b | t |
| 30 | М20×1.5 | 80 | 58 | 5 | 15.55 | 65 | М42×3 | 140 | 105 | 16 | 33.88 |
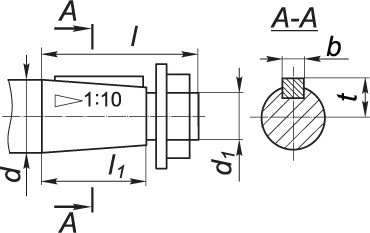
Розміри валів циліндричної форми кранового редуктора Ц2-250:

| Вал, розташований на виході | ||||||||
| d | d1 | d2 | l | l1 | b | t | n | L |
| 65r6 | 32 | М10 | 105 | 20 | 18 | 71 | 2 | 255 |
Таблиця розмірів валу, розташованого на виході, що має вигляд зубчастої напівмуфти редуктора Ц2-1000:

| b | d | d1 | d2 | L | l | l1 | Зачеплення | |
| m | z | |||||||
| 20 | 147 | 72F8 | 95 | 198 | 8 | 38 | 3.5 | 40 |
Приклад умовного позначення при замовленні:

Редуктор Ц2-250
Відгуків про цей товар ще не було.
Немає відгуків про цей товар, станьте першим, залиште свій відгук.
Немає питань про даний товар, станьте першим і задайте своє питання.