Редуктор Ц2-250-25
Редуктор Ц2-250-25
Спеціальний крановий редуктор типу Ц2-250-25 один із найпопулярніших приводів на виробництві. Редуктор має невеликі габарити та високий рівень ККД. Такі редуктори застосовують у неагресивному середовищі з помірною запиленістю.
Редуктори Ц2-250-25 мають низку особливостей:
• Евольвентне зубчасте зачеплення.
• Стабільна робота за різних навантажень.
• Різне кліматичне виконання.
• Обертання валів можливе в будь-який бік із обмеженням окружної швидкості зубчастих передач 12 м/с.
• Тривалий термін експлуатації.
Купуючи редуктори в компанії «Зевс», ви отримуєте якісне обслуговування. Надсилає товар в обмовлені терміни. Кожен пристрій перед відправленням проходить перевірку на герметизацію корпусу, плавність ходу, вібрацію і шум. Висока якість виробів. Гарантия на товар 36 месяцев. Відсилання відбувається всією Україною.
Варіанти складання редуктора Ц2-250-25:

Технічні характеристики редуктора Ц2-250-25:
| Передатне число | 25 | ||
| Момент кручення на виході, Нм | Режим роботи | Безперервний Н (ПВ=100%) | 800 |
| Дуже важкий ВТ (ПВ=60%) | 900 | ||
| Важкий Т (ПВ=40%) | 1200 | ||
| Середній С (ПВ=25%) | 2300 | ||
| Легкий Л (ПВ=15%) | 3300 | ||
| Швидкість радання швидкохідного вала, об/хв | 1500 | ||
| Навантаження на вхідний валу, Н | Режим роботи | Безперервний Н (ПВ=100%) | 400 |
| Важкий Т (ПВ=40%) | 400 | ||
| Середній С (ПВ=25%) | 600 | ||
| Легкий Л (ПВ=15%) | 810 | ||
| Навантаження на вихідний валу, Н | Режим роботи | Безперервний Н (ПВ=100%) | 7000 |
| Дуже важкий ВТ (ПВ=60%) | 6300 | ||
| Важкий Т (ПВ=40%) | 8600 | ||
| Середній С (ПВ=25%) | 12000 | ||
| Легкий Л (ПВ=15%) | 14000 | ||
| Вага пристрою, кг | 128 | ||
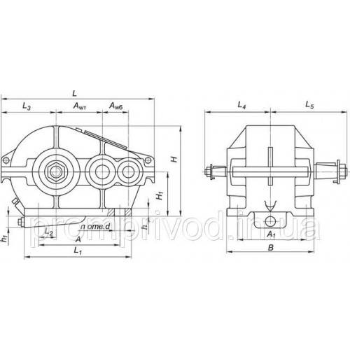
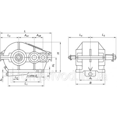
Розміри циліндричного кранового редуктора Ц2-250-25:

| AWT | Awб | A | A1 | B | H | H1 | h | h1 | L | L1 | L2 | L3 | L4 | L5 | d | n |
| 150 | 100 | 285 | 210 | 260 | 310 | 160 | 18 | - | 515 | 400 | 75 | 183 | 220 | 280 | 22 | 4 |
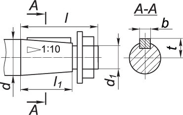
Розміри валів конічної форми циліндричного кранового редуктора Ц2-250-25:

| Вал, розташований на вході | Вал, розташований на виході | ||||||||||
| d | d1 | l | l1 | b | t | d | d1 | l | l1 | b | t |
| 30 | М20×1.5 | 80 | 58 | 5 | 15.55 | 65 | М42×3 | 140 | 105 | 16 | 33.88 |
| Вал, розташований на виході | ||||||||
| d | d1 | d2 | l | l1 | b | t | n | L |
| 65r6 | 32 | М10 | 105 | 20 | 18 | 71 | 2 | 255 |
| b | d | d1 | d2 | L | l | l1 | Зачеплення | |
| m | z | |||||||
| 20 | 147 | 72F8 | 95 | 198 | 8 | 38 | 3.5 | 40 |
Редуктор Ц2-250-25
Відгуків про цей товар ще не було.
Немає відгуків про цей товар, станьте першим, залиште свій відгук.
Немає питань про даний товар, станьте першим і задайте своє питання.