Редуктор Ц2-300-10
Редуктор Ц2-300-10
Редуктор Ц2-300-10 вирізняється надійністю і високим рівнем ККД. Це найпоширеніша деталь у механізованому виробництві Принцип роботи полягає у збільшенні показників крутного моменту завдяки скороченню частоти обертання.
Редуктори Ц2-300-10 застосовують у слабо запиленому приміщенні або просто неба. Обертання валів можливе в різні боки. Редуктори працюють у разі змінних навантажень із періодичними зупинками, а також у режимі 24 години. Максимальна швидкість обертання вихідного вала становить 1500 об./хв. Ці редуктори продуктивно працюють як із прямою, так і з реверсивним навантаженням.
Переваги роботи з нами:
1.Висока якість виробів.
2. Ви отримуєте гарантію від виробника на 36 місяців.
3. Кваліфікований персонал.
4. Весь товар перед відправленням проходить перевірку на плавність ходу, шум, вібрацію.
5. Перевірка на герметизацію корпусу.
6. Відсилання в обмовлені терміни.
7. Доставка по всій Україні.
Варіанти складання редуктора Ц2-300-10:

Технічні характеристики редуктора Ц2-300-10:
| Передатне число | 10 | ||||
| Момент кручення на виході, Нм | Режим роботи | Безперервний Н (ПВ=100%) | 1400 | ||
| Дуже важкий ВТ (ПВ=60%) | 1450 | ||||
| Важкий Т (ПВ=40%) | 2060 | ||||
| Середній С (ПВ=25%) | 3000 | ||||
| Легкий Л (ПВ=15%) | 3750 | 4500 | |||
| Швидкість радання швидкохідного вала, об/хв | 1500 | ||||
| Навантаження на вхідний валу, Н | Режим роботи | Безперервний Н (ПВ=100%) | 700 | ||
| Важкий Т (ПВ=40%) | 900 | ||||
| Середній С (ПВ=25%) | 2160 | ||||
| Легкий Л (ПВ=15%) | 2400 | 2100 | |||
| Навантаження на вихідний валу, Н | Режим роботи | Безперервний Н (ПВ=100%) | 9350 | ||
| Дуже важкий ВТ (ПВ=60%) | 8000 | ||||
| Важкий Т (ПВ=40%) | 11300 | ||||
| Середній С (ПВ=25%) | 13700 | ||||
| Легкий Л (ПВ=15%) | 15300 | ||||
| Вага пристрою, кг | 183 | ||||
Розміри циліндричного кранового редуктора Ц2-300-10:

| AWT | Awб | A | A1 | B | H | H1 | h | h1 | L | L1 | L2 | L3 | L4 | L5 | d | n |
| 175 | 125 | 350 | 250 | 300 | 362 | 190 | 22 | - | 620 | 475 | 90 | 215 | 255 | 300 | 26 | 4 |
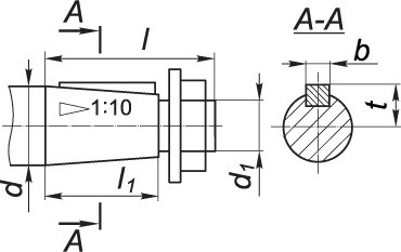
Розміри валів конічної форми циліндричного кранового редуктора Ц2-300-10:

| Вал, розташований на вході | Вал, розташований на виході | ||||||||||
| d | d1 | l | l1 | b | t | d | d1 | l | l1 | b | t |
| 35 | М20×1.5 | 80 | 58 | 6 | 18.55 | 75 | М48×3 | 140 | 105 | 18 | 38.88 |
| Вал, розташований на виході | ||||||||
| d | d1 | d2 | l | l1 | b | t | n | L |
| 75r6 | 50 | М12 | 105 | 22 | 20 | 82 | 2 | 280 |
| b | d | d1 | d2 | L | l | l1 | Зачеплення | |
| m | z | |||||||
| 25 | 210 | 80F8 | 105 | 227 | 9.5 | 50 | 5 | 40 |
Редуктор Ц2-300-10
Відгуків про цей товар ще не було.
Немає відгуків про цей товар, станьте першим, залиште свій відгук.
Немає питань про даний товар, станьте першим і задайте своє питання.