Редуктор Ц2-300-12,5
Редуктор Ц2-300-12,5
Редуктор Ц2-300-12,5 призначений для передавання обертального руху від самих смоктувачів до інших. Особливістю цього редуктора є використання шевронного зачеплення. Його наявність дає змогу компактно розташувати деталі передавання, а також він захищає внутрішні деталі від механічних пошкоджень і забруднень. Такий редуктор пристосований до роботи як зі змінними, так і з постійними навантаженнями. Передбачено як пряме, так і зворотне обертання валів. Середовище використання не агресивне. Атмосфера типів I і II за ГОСТ 15150-69 за запиленості повітря не більш ніж 10 мг/куб.м
Редуктор Ц2-30012,5 має високий споживчий попит, оскільки має довгий термін експлуатації.
Переваги роботи з нами:
1.Висока якість виробів.
2. Ви отримуєте гарантію від виробника на 36 місяців.
3. Кваліфікований персонал.
4. Весь товар перед відправленням проходить перевірку на плавність ходу, шум, вібрацію.
5. Перевірка на герметизацію корпусу.
6. Відсилання в обмовлені терміни.
7. Доставка по всій Україні.
Варіанти складання редуктора Ц2-300-12,5:

Технічні характеристики редуктора Ц2-300-12,5:
| Передатне число | 12.5 | ||
| Момент кручення на виході, Нм | Режим роботи | Безперервний Н (ПВ=100%) | 1400 |
| Дуже важкий ВТ (ПВ=60%) | 1450 | ||
| Важкий Т (ПВ=40%) | 2060 | ||
| Середній С (ПВ=25%) | 3000 | ||
| Легкий Л (ПВ=15%) | 4500 | ||
| Швидкість радання швидкохідного вала, об/хв | 1500 | ||
| Навантаження на вхідний валу, Н | Режим роботи | Безперервний Н (ПВ=100%) | 700 |
| Важкий Т (ПВ=40%) | 900 | ||
| Середній С (ПВ=25%) | 2160 | ||
| Легкий Л (ПВ=15%) | 2100 | ||
| Навантаження на вихідний валу, Н | Режим роботи | Безперервний Н (ПВ=100%) | 9350 |
| Дуже важкий ВТ (ПВ=60%) | 8000 | ||
| Важкий Т (ПВ=40%) | 11300 | ||
| Середній С (ПВ=25%) | 13700 | ||
| Легкий Л (ПВ=15%) | 16700 | ||
| Вага пристрою, кг | 183 | ||
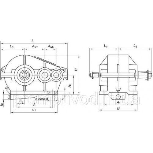
Розміри циліндричного кранового редуктора Ц2-300-12,5:

| AWT | Awб | A | A1 | B | H | H1 | h | h1 | L | L1 | L2 | L3 | L4 | L5 | d | n |
| 175 | 125 | 350 | 250 | 300 | 362 | 190 | 22 | - | 620 | 475 | 90 | 215 | 255 | 300 | 26 | 4 |
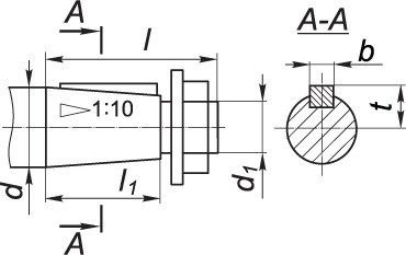
Розміри валів конічної форми циліндричного кранового редуктора Ц2-300-12,5:

| Вал, розташований на вході | Вал, розташований на виході | ||||||||||
| d | d1 | l | l1 | b | t | d | d1 | l | l1 | b | t |
| 35 | М20×1.5 | 80 | 58 | 6 | 18.55 | 75 | М48×3 | 140 | 105 | 18 | 38.88 |
| Вал, розташований на виході | ||||||||
| d | d1 | d2 | l | l1 | b | t | n | L |
| 75r6 | 50 | М12 | 105 | 22 | 20 | 82 | 2 | 280 |
| b | d | d1 | d2 | L | l | l1 | Зачеплення | |
| m | z | |||||||
| 25 | 210 | 80F8 | 105 | 227 | 9.5 | 50 | 5 | 40 |
Редуктор Ц2-300-12,5
Відгуків про цей товар ще не було.
Немає відгуків про цей товар, станьте першим, залиште свій відгук.
Немає питань про даний товар, станьте першим і задайте своє питання.