Редуктор Ц2-300-16
Редуктор Ц2-300-16
Редуктори Ц2-300-16 успішно використовується як привод для машин і механізмів загального призначення, а також у підіймально-транспортному обладнанні. Редуктор використовують для заміни крутних моментів і швидкості обертів.
Основні умови роботи:
- допускаються як змінні навантаження, так і робота в режимі 24 години,
- вали обертаються в різному напрямку,
- максимальна окружна швидкість менша або дорівнює 12м/сек.,
- працює в запиленому, але неагресивному середовищі,
- навантаження пряме та реверсивне,
- температурний режим середовища від -40 °C до 50 °C.
Допускається експлуатація на вулиці та в приміщенні
Купуючи редуктори в компанії «Зевс», ви отримуєте якісне обслуговування. Надсилає товар в обмовлені терміни. Кожен пристрій перед відправленням проходить перевірку на герметизацію корпусу, плавність ходу, вібрацію і шум. Висока якість виробів. Гарантия на товар 36 месяцев. Відсилання відбувається всією Україною.
Варіанти складання редуктора Ц2-300-16:

Технічні характеристики редуктора Ц2-300-16:
| Передатне число | 16 | |||
| Момент кручення на виході, Нм | Режим роботи | Безперервний Н (ПВ=100%) | 1400 | |
| Дуже важкий ВТ (ПВ=60%) | 1450 | 1250 | ||
| Важкий Т (ПВ=40%) | 2060 | |||
| Середній С (ПВ=25%) | 3400 | |||
| Легкий Л (ПВ=15%) | 4500 | |||
| Швидкість радання швидкохідного вала, об/хв | 1500 | |||
| Навантаження на вхідний валу, Н | Режим роботи | Безперервний Н (ПВ=100%) | 700 | |
| Важкий Т (ПВ=40%) | 900 | |||
| Середній С (ПВ=25%) | 930 | |||
| Легкий Л (ПВ=15%) | 2100 | |||
| Навантаження на вихідний валу, Н | Режим роботи | Безперервний Н (ПВ=100%) | 9350 | |
| Дуже важкий ВТ (ПВ=60%) | 8000 | |||
| Важкий Т (ПВ=40%) | 11300 | |||
| Середній С (ПВ=25%) | 14500 | |||
| Легкий Л (ПВ=15%) | 16700 | |||
| Вага пристрою, кг | 183 | |||
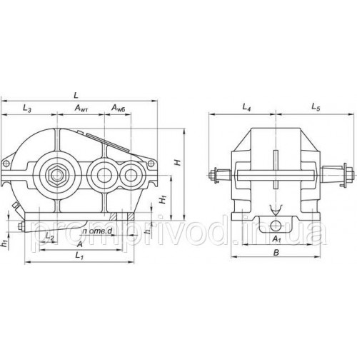
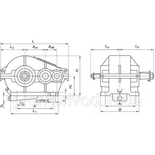
Розміри циліндричного кранового редуктора Ц2-300-16:

| AWT | Awб | A | A1 | B | H | H1 | h | h1 | L | L1 | L2 | L3 | L4 | L5 | d | n |
| 175 | 125 | 350 | 250 | 300 | 362 | 190 | 22 | - | 620 | 475 | 90 | 215 | 255 | 300 | 26 | 4 |
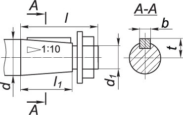
Розміри валів конічної форми циліндричного кранового редуктора Ц2-300-16:

| Вал, розташований на вході | Вал, розташований на виході | ||||||||||
| d | d1 | l | l1 | b | t | d | d1 | l | l1 | b | t |
| 35 | М20×1.5 | 80 | 58 | 6 | 18.55 | 75 | М48×3 | 140 | 105 | 18 | 38.88 |
| Вал, розташований на виході | ||||||||
| d | d1 | d2 | l | l1 | b | t | n | L |
| 75r6 | 50 | М12 | 105 | 22 | 20 | 82 | 2 | 280 |
| b | d | d1 | d2 | L | l | l1 | Зачеплення | |
| m | z | |||||||
| 25 | 210 | 80F8 | 105 | 227 | 9.5 | 50 | 5 | 40 |
Редуктор Ц2-300-16
Відгуків про цей товар ще не було.
Немає відгуків про цей товар, станьте першим, залиште свій відгук.
Немає питань про даний товар, станьте першим і задайте своє питання.