Редуктор Ц2-300-20
Редуктор Ц2-300-20
Циліндричний редуктор Ц2-300-20 якісний, надійний і використовується в роботи з великими потужностями. Він складається з комплексу шестерень, які поміщені в єдиний сталевий корпус. Зубчасті пари прикатані один одному для того, щоб знизити шум редуктора. Усі з'єднання оброблені за допомогою герметика, що виключає текти олії.
Умови застосування: пряме та зворотне обертання валів, окружна швидкість яких не вище ніж 12 м/сек., температура зовнішнього середовища від -40 °C до 50 °C, продуктивно працює як у разі непостійних навантажень, з зупинками, так і в режимі 24 години, працює в запиленому, але неагресивному середовищі. Двоступеневий редуктор Ц2-300-20 має тривалий термін експлуатації та невибагливий в експлуатації.
Переваги роботи з нами:
1.Висока якість виробів.
2. Ви отримуєте гарантію від виробника на 36 місяців.
3. Кваліфікований персонал.
4. Весь товар перед відправленням проходить перевірку на плавність ходу, шум, вібрацію.
5. Перевірка на герметизацію корпусу.
6. Відсилання в умовлені терміни.
7. Доставка по всій Україні.
Варіанти складання редуктора Ц2-300-20:

Технічні характеристики редуктора Ц2-300-20:
| Передатне число | 20 | |||
| Момент кручення на виході, Нм | Режим роботи | Безперервний Н (ПВ=100%) | 1400 | |
| Дуже важкий ВТ (ПВ=60%) | 1250 | |||
| Важкий Т (ПВ=40%) | 2060 | |||
| Середній С (ПВ=25%) | 3400 | |||
| Легкий Л (ПВ=15%) | 4500 | |||
| Швидкість радання швидкохідного вала, об/хв | 1500 | |||
| Навантаження на вхідний валу, Н | Режим роботи | Безперервний Н (ПВ=100%) | 700 | |
| Важкий Т (ПВ=40%) | 900 | |||
| Середній С (ПВ=25%) | 930 | |||
| Легкий Л (ПВ=15%) | 2100 | 1100 | ||
| Навантаження на вихідний валу, Н | Режим роботи | Безперервний Н (ПВ=100%) | 9350 | |
| Дуже важкий ВТ (ПВ=60%) | 8000 | |||
| Важкий Т (ПВ=40%) | 11300 | |||
| Середній С (ПВ=25%) | 14500 | |||
| Легкий Л (ПВ=15%) | 16700 | |||
| Вага пристрою, кг | 183 | |||
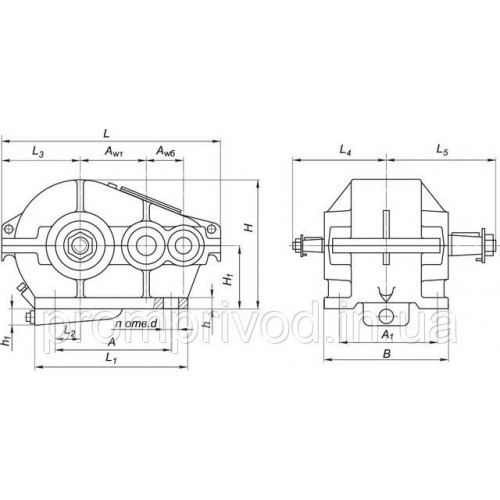
Розміри циліндричного кранового редуктора Ц2-300-20:

| AWT | Awб | A | A1 | B | H | H1 | h | h1 | L | L1 | L2 | L3 | L4 | L5 | d | n |
| 175 | 125 | 350 | 250 | 300 | 362 | 190 | 22 | - | 620 | 475 | 90 | 215 | 255 | 300 | 26 | 4 |
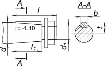
Розміри валів конічної форми циліндричного кранового редуктора Ц2-300-20:

| Вал, розташований на вході | Вал, розташований на виході | ||||||||||
| d | d1 | l | l1 | b | t | d | d1 | l | l1 | b | t |
| 35 | М20×1.5 | 80 | 58 | 6 | 18.55 | 75 | М48×3 | 140 | 105 | 18 | 38.88 |
| Вал, розташований на виході | ||||||||
| d | d1 | d2 | l | l1 | b | t | n | L |
| 75r6 | 50 | М12 | 105 | 22 | 20 | 82 | 2 | 280 |
| b | d | d1 | d2 | L | l | l1 | Зачеплення | |
| m | z | |||||||
| 25 | 210 | 80F8 | 105 | 227 | 9.5 | 50 | 5 | 40 |
Редуктор Ц2-300-20
Відгуків про цей товар ще не було.
Немає відгуків про цей товар, станьте першим, залиште свій відгук.
Немає питань про даний товар, станьте першим і задайте своє питання.