Редуктор Ц2-300-31,5
Редуктор Ц2-300-31,5
Редуктори Ц2-300-31,5 надійно зміцнитися у сфері машинобудування завдяки своїм технічним характеристикам. Наявність редуктора дає змогу щільно розташувати деталі передавання, а також він захищає внутрішні деталі від механічних пошкоджень і забруднень.
Редуктори Ц2-300-31,5 мають низку переваг: високий рівень ККД, невеликі розміри, обертання валів в обидві сторони, точність передавання крутного моменту, можливість роботи 24 години, швидкість обертів вхідного вала 1500 об./хв.
Переваги роботи з нами:
1.Висока якість виробів.
2. Ви отримуєте гарантію від виробника на 36 місяців.
3. Кваліфікований персонал.
4. Весь товар перед відправленням проходить перевірку на плавність ходу, шум, вібрацію.
5. Паспорт з усіма печатками ОТК
6. Відсилання в умовлені терміни.
7. Доставка по всій Україні.
Варіанти складання редуктора Ц2-300-31,5:

Технічні характеристики редуктора Ц2-300-31,5:
| Передатне число | 31.5 | ||
| Момент кручення на виході, Нм | Режим роботи | Безперервний Н (ПВ=100%) | 1400 |
| Дуже важкий ВТ (ПВ=60%) | 1400 | ||
| Важкий Т (ПВ=40%) | 2500 | ||
| Середній С (ПВ=25%) | 3400 | ||
| Легкий Л (ПВ=15%) | 5300 | ||
| Швидкість радання швидкохідного вала, об/хв | 1500 | ||
| Навантаження на вхідний валу, Н | Режим роботи | Безперервний Н (ПВ=100%) | 700 |
| Важкий Т (ПВ=40%) | 1250 | ||
| Середній С (ПВ=25%) | 930 | ||
| Легкий Л (ПВ=15%) | 1100 | ||
| Навантаження на вихідний валу, Н | Режим роботи | Безперервний Н (ПВ=100%) | 9350 |
| Дуже важкий ВТ (ПВ=60%) | 8000 | ||
| Важкий Т (ПВ=40%) | 12500 | ||
| Середній С (ПВ=25%) | 14500 | ||
| Легкий Л (ПВ=15%) | 18200 | ||
| Вага пристрою, кг | 183 | ||
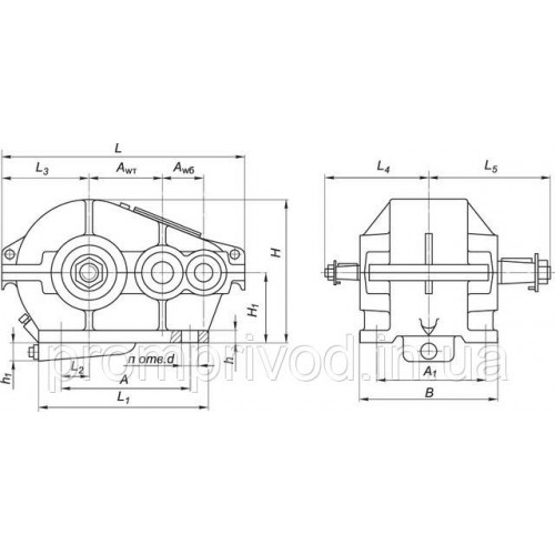
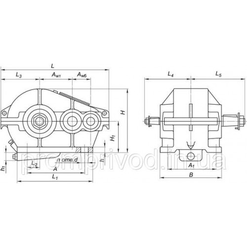
Розміри циліндричного кранового редуктора Ц2-300-31,5:

| AWT | Awб | A | A1 | B | H | H1 | h | h1 | L | L1 | L2 | L3 | L4 | L5 | d | n |
| 175 | 125 | 350 | 250 | 300 | 362 | 190 | 22 | - | 620 | 475 | 90 | 215 | 255 | 300 | 26 | 4 |
Розміри валів конічної форми циліндричного кранового редуктора Ц2-300-31,5:

| Вал, розташований на вході | Вал, розташований на виході | ||||||||||
| d | d1 | l | l1 | b | t | d | d1 | l | l1 | b | t |
| 35 | М20×1.5 | 80 | 58 | 6 | 18.55 | 75 | М48×3 | 140 | 105 | 18 | 38.88 |
| Вал, розташований на виході | ||||||||
| d | d1 | d2 | l | l1 | b | t | n | L |
| 75r6 | 50 | М12 | 105 | 22 | 20 | 82 | 2 | 280 |
| b | d | d1 | d2 | L | l | l1 | Зачеплення | |
| m | z | |||||||
| 25 | 210 | 80F8 | 105 | 227 | 9.5 | 50 | 5 | 40 |
Редуктор Ц2-300-31,5
Відгуків про цей товар ще не було.
Немає відгуків про цей товар, станьте першим, залиште свій відгук.
Немає питань про даний товар, станьте першим і задайте своє питання.