Редуктор Ц2-300-40
Редуктор Ц2-300-40
Редуктори Ц2-300-40 являють собою горизонтальні орієнтовані циліндричні кранові редуктори з двома ступенями передач. Основна сфера застосування — це машинобудування. Редуктори мають тривалий термін експлуатації завдяки особливостям будови.
Середовище застосування редуктора не має бути агресивною та вибухонебезпечною. Усі з'єднання оброблені за допомогою герметика, що виключає текти оливи. Частота обертання вхідного вала не має перевищувати 1500 об/хв з обмеженням обхватної швидкості зубчастих передач 12 м/с. Кліматичні умови експлуатації цього редуктора У і Т, згідно з ГОСТом 15150-69.
Переваги роботи з нами:
1.Висока якість виробів.
2. Ви отримуєте гарантію від виробника на 36 місяців.
3. Кваліфікований персонал.
4. Весь товар перед відправленням проходить перевірку на плавність ходу, шум, вібрацію.
5. Паспорт з усіма печатками ОТК
6. Відсилання в умовлені терміни.
7. Доставка по всій Україні.
Варіанти складання редуктора Ц2-300-40:

Технічні характеристики редуктора Ц2-300-40:
| Передатне число | 40 | |||
| Момент кручення на виході, Нм | Режим роботи | Безперервний Н (ПВ=100%) | 1250 | |
| Дуже важкий ВТ (ПВ=60%) | 1180 | |||
| Важкий Т (ПВ=40%) | 2300 | |||
| Середній С (ПВ=25%) | 3200 | |||
| Легкий Л (ПВ=15%) | 5450 | |||
| Швидкість радання швидкохідного вала, об/хв | 1500 | |||
| Навантаження на вхідний валу, Н | Режим роботи | Безперервний Н (ПВ=100%) | 700 | 250 |
| Важкий Т (ПВ=40%) | 1250 | 540 | ||
| Середній С (ПВ=25%) | 930 | 700 | ||
| Легкий Л (ПВ=15%) | 1100 | 830 | ||
| Навантаження на вихідний валу, Н | Режим роботи | Безперервний Н (ПВ=100%) | 9350 | 8800 |
| Дуже важкий ВТ (ПВ=60%) | 8000 | |||
| Важкий Т (ПВ=40%) | 12500 | 14100 | ||
| Середній С (ПВ=25%) | 14500 | 14100 | ||
| Легкий Л (ПВ=15%) | 18200 | 18450 | ||
| Вага пристрою, кг | 183 | |||
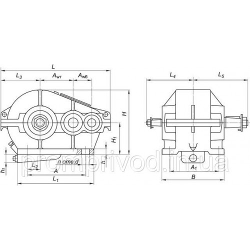
Розміри циліндричного кранового редуктора Ц2-300-40:

| AWT | Awб | A | A1 | B | H | H1 | h | h1 | L | L1 | L2 | L3 | L4 | L5 | d | n |
| 175 | 125 | 350 | 250 | 300 | 362 | 190 | 22 | - | 620 | 475 | 90 | 215 | 255 | 300 | 26 | 4 |
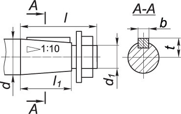
Розміри валів конічної форми циліндричного кранового редуктора Ц2-300-40:

| Вал, розташований на вході | Вал, розташований на виході | ||||||||||
| d | d1 | l | l1 | b | t | d | d1 | l | l1 | b | t |
| 35 | М20×1.5 | 80 | 58 | 6 | 18.55 | 75 | М48×3 | 140 | 105 | 18 | 38.88 |
| Вал, розташований на виході | ||||||||
| d | d1 | d2 | l | l1 | b | t | n | L |
| 75r6 | 50 | М12 | 105 | 22 | 20 | 82 | 2 | 280 |
| b | d | d1 | d2 | L | l | l1 | Зачеплення | |
| m | z | |||||||
| 25 | 210 | 80F8 | 105 | 227 | 9.5 | 50 | 5 | 40 |
Редуктор Ц2-300-40
Відгуків про цей товар ще не було.
Немає відгуків про цей товар, станьте першим, залиште свій відгук.
Немає питань про даний товар, станьте першим і задайте своє питання.