Редуктор Ц2-300-50
Редуктор Ц2-300-50
Циліндричний горизонтальний крановий редуктор Ц2-300-50 – це надійний помічник на виробництві. В основному його застосовують для підйомно-кранового обладнання. Робота редуктора полягає у зміні крутного моменту та швидкості обороту.
Робоче навантаження редуктора Ц2-300-50 може бути постійним або змінним. Редуктор надійно і якісно працює з періодичними зупинками і в той же час може працювати цілодобово. Швидкість обертання вихідного валу не повинна перевищувати 1500 об/хв. Середовище роботи неагресивне з помірною запиленістю. Допускається застосування, як у відкритому повітрі, і у приміщенні чи під навісом.
Переваги роботи з компанією «Промпривод»:
- Висока якість виробів.
- Ви отримаєте гарантію від виробника на 12 місяців.
- Кваліфікований персонал.
- Весь товар перед відправленням проходить перевірку на плавність ходу, шум, вібрацію.
- Паспорт з усіма печатками ВТК
- Надсилання в обумовлені терміни.
- Доставка по всій Україні.
Розміри циліндричного кранового редуктора Ц2-300-50:

| AWT | Awб | A | A1 | B | H | H1 | h | h1 | L | L1 | L2 | L3 | L4 | L5 | d | n |
| 175 | 125 | 350 | 250 | 300 | 362 | 190 | 22 | - | 620 | 475 | 90 | 215 | 255 | 300 | 26 | 4 |
Варіанти складання редуктора Ц2-300-50:

Технічні характеристики редуктора Ц2-300-50:
| Передавальне число | 50 | ||
| Момент кручення на виході, Нм | Режим роботи | Безперервний Б (ПВ=100%) | 1250 |
| Дуже важкий ДВ (ПВ=60%) | 1180 | ||
| Важкий В (ПВ=40%) | 2300 | ||
| Середній С (ПВ=25%) | 3200 | ||
| Легкий Л (ПВ=15%) | 5450 | ||
| Швидкість обертання швидкохідного валу, об/хв | 1500 | ||
| Навантаження на вхідний валу, Н | Режим роботи | Безперервний Б (ПВ=100%) | 250 |
| Важкий В (ПВ=40%) | 540 | ||
| Середній С (ПВ=25%) | 700 | ||
| Легкий Л (ПВ=15%) | 830 | ||
| Навантаження на вихідний валу, Н | Режим роботи | Безперервний Б (ПВ=100%) | 8800 |
| Дуже важкий ДВ (ПВ=60%) | 8000 | ||
| Важкий В (ПВ=40%) | 14100 | ||
| Середній С (ПВ=25%) | 14100 | ||
| Легкий Л (ПВ=15%) | 18450 | ||
| Вага пристрою, кг | 183 | ||
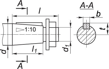
Розміри валів конічної форми циліндричного кранового редуктора Ц2-300-50:

| Вал, розташований на вході | Вал, розташований на виході | ||||||||||
| d | d1 | l | l1 | b | t | d | d1 | l | l1 | b | t |
| 35 | М20×1.5 | 80 | 58 | 6 | 18.55 | 75 | М48×3 | 140 | 105 | 18 | 38.88 |
Розміри валів циліндричної форми кранового редуктора Ц2-300-50:

| Вал, розташований на виході | ||||||||
| d | d1 | d2 | l | l1 | b | t | n | L |
| 75r6 | 50 | М12 | 105 | 22 | 20 | 82 | 2 | 280 |
Таблиця розмірів вала, розташованого на виході, що має вигляд зубчастої напівмуфти редуктора Ц2-300-50:

| b | d | d1 | d2 | L | l | l1 | Зачеплення | |
| m | z | |||||||
| 25 | 210 | 80F8 | 105 | 227 | 9.5 | 50 | 5 | 40 |
Приклад умовного позначення редуктора Ц2-300-при замовленні:

Редуктор Ц2-300-50
Відгуків про цей товар ще не було.
Немає відгуків про цей товар, станьте першим, залиште свій відгук.
Немає питань про даний товар, станьте першим і задайте своє питання.