Редуктор Ц2-300-8
Редуктор Ц2-300-8
Двоступеневий крановий редуктор Ц2-300-8 складається з комплексу шестерень, які укладені в єдиний сталевий корпус. Цей редуктор надійний, якісний і призначений для роботи з великими потужностями.
Редуктори використовують у різних кліматичних умовах за невеликої запиленості повітря. Обертання валів передбачено в різні боки з обмеженням окружної швидкості зубчастих передач 12 м/с. Частота обертання вхідного вала від 600 до 1500 об./хв.
Переваги роботи з нами:
1.Висока якість виробів.
2. Ви отримуєте гарантію від виробника на 36 місяців.
3. Кваліфікований персонал.
4. Весь товар перед відправленням проходить перевірку на плавність ходу, шум, вібрацію.
5. Перевірка на герметизацію корпусу.
6. Відсилання в обмовлені терміни.
7. Доставка по всій Україні.
Варіанти складання редуктора Ц2-300-8:

Технічні характеристики редуктора Ц2-300-8:
| Передатне число | 8 | ||
| Момент кручення на виході, Нм | Режим роботи | Безперервний Н (ПВ=100%) | 1400 |
| Дуже важкий ВТ (ПВ=60%) | 1450 | ||
| Важкий Т (ПВ=40%) | 2060 | ||
| Середній С (ПВ=25%) | 3000 | ||
| Легкий Л (ПВ=15%) | 3750 | ||
| Швидкість радання швидкохідного вала, об/хв | 1500 | ||
| Навантаження на вхідний валу, Н | Режим роботи | Безперервний Н (ПВ=100%) | 700 |
| Важкий Т (ПВ=40%) | 900 | ||
| Середній С (ПВ=25%) | 2160 | ||
| Легкий Л (ПВ=15%) | 2400 | ||
| Навантаження на вихідний валу, Н | Режим роботи | Безперервний Н (ПВ=100%) | 9350 |
| Дуже важкий ВТ (ПВ=60%) | 8000 | ||
| Важкий Т (ПВ=40%) | 11300 | ||
| Середній С (ПВ=25%) | 13700 | ||
| Легкий Л (ПВ=15%) | 15300 | ||
| Вага пристрою, кг | 183 | ||
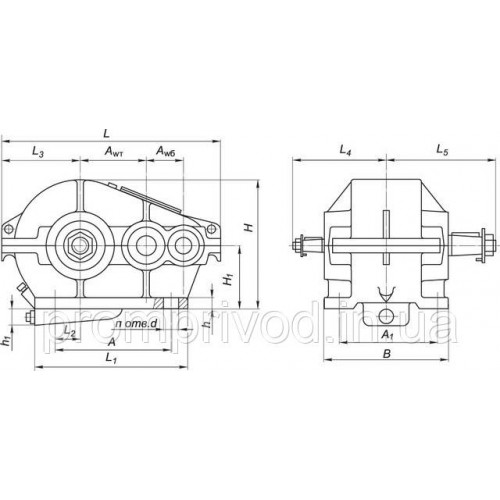
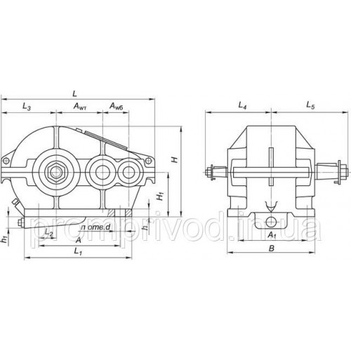
Розміри циліндричного кранового редуктора Ц2-300-8:

| AWT | Awб | A | A1 | B | H | H1 | h | h1 | L | L1 | L2 | L3 | L4 | L5 | d | n |
| 175 | 125 | 350 | 250 | 300 | 362 | 190 | 22 | - | 620 | 475 | 90 | 215 | 255 | 300 | 26 | 4 |
Розміри валів конічної форми циліндричного кранового редуктора Ц2-300-8:

| Вал, розташований на вході | Вал, розташований на виході | ||||||||||
| d | d1 | l | l1 | b | t | d | d1 | l | l1 | b | t |
| 35 | М20×1.5 | 80 | 58 | 6 | 18.55 | 75 | М48×3 | 140 | 105 | 18 | 38.88 |
Розміри валів циліндричної форми кранового редуктора Ц2-300-8:
| Вал, розташований на виході | ||||||||
| d | d1 | d2 | l | l1 | b | t | n | L |
| 75r6 | 50 | М12 | 105 | 22 | 20 | 82 | 2 | 280 |
Таблиця розмірів вала, розташованого на виході, що має вигляд зубчастої півмуфти редуктора Ц2-300-8:
| b | d | d1 | d2 | L | l | l1 | Зачеплення | |
| m | z | |||||||
| 25 | 210 | 80F8 | 105 | 227 | 9.5 | 50 | 5 | 40 |
Редуктор Ц2-300-8
Відгуків про цей товар ще не було.
Немає відгуків про цей товар, станьте першим, залиште свій відгук.
Немає питань про даний товар, станьте першим і задайте своє питання.