Редуктор Ц2-350
Редуктор Ц2-350
Двоступінчасті циліндричні редуктори типу Ц2-350 – це потужний та надійний помічник на виробництві. Робота його полягає у збільшенні показників моменту, що крутить, за рахунок зменшення частоти обертання. Такі апарати мають відносно невеликі розміри, але при цьому показують високий рівень ККД.
Умови роботи мультиплікатора:
- Вали обертаються вперед та назад.
- Середовище використання неагресивне зі слабкою запиленістю, не більше 10 мг/куб.м.
- Ефективно працює як із прямим, так і з реверсивним навантаженням.
- Швидкість вхідного валу не повинна бути вищою, ніж 1500 об/хв.
Пристрій Ц2-350 має великий попит і широко застосовується в багатьох галузях промисловості.
Переваги роботи з компанією «Промпривод»:
- Висока якість виробів.
- Ви отримаєте гарантію від виробника на 12 місяців.
- Кваліфікований персонал.
- Весь товар перед відправленням проходить перевірку на плавність ходу, шум, вібрацію.
- Надсилання в обумовлені терміни.
- Доставка по всій Україні.
Розміри циліндричного кранового редуктора Ц2-350:

Варіанти складання редуктора Ц2-350:

Технічні характеристики редуктора Ц2-350:
| Передавальне число | 8 | 10 | 12.5 | 16 | 20 | 25 | 31.5 | 40 | 50 | ||||
| Момент крутіння на виході, Нм | Режим роботи | Безперервний Б (ПВ=100%) | 2100 | 1900 | |||||||||
| Дуже важкий ДВ (ПВ=60%) | 2120 | 1900 | 1850 | ||||||||||
| Важкий В (ПВ=40%) | 3000 | 3250 | 3000 | ||||||||||
| Середній С (ПВ=25%) | 5000 | 5300 | 6000 | 5800 | |||||||||
| Легкий Л (ПВ=15%) | 7000 | 7300 | 8250 | ||||||||||
| Швидкість обертання швидкохідного валу, об/хв | 1500 | ||||||||||||
| Навантаження на вхідному валу, Н | Режим роботи | Безперервний Б (ПВ=100%) | 800 | 500 | |||||||||
| Важкий В (ПВ=40%) | 1100 | 800 | 600 | ||||||||||
| Середній С (ПВ=25%) | 2700 | 2000 | 1100 | 800 | |||||||||
| Легкий Л (ПВ=15%) | 2900 | 2300 | 1000 | ||||||||||
| Навантаження на вихідному валу, Н | Режим роботи | Безперервний Б (ПВ=100%) | 11500 | 10900 | |||||||||
| Дуже важкий ДВ (ПВ=60%) | 10000 | ||||||||||||
| Важкий В (ПВ=40%) | 13700 | 14200 | 13700 | ||||||||||
| Середній С (ПВ=25%) | 17500 | 18200 | 19300 | 19000 | |||||||||
| Легкий Л (ПВ=15%) | 20000 | 21000 | 22000 | ||||||||||
| Вага пристрою, кг | 275 | ||||||||||||
| AWT | Awб | A | A1 | B | H | H1 | h | h1 | L | L1 | L2 | L3 | L4 | L5 | d | n |
| 200 | 150 | 400 | 280 | 330 | 410 | 212 | 25 | - | 700 | 550 | 100 | 238 | 300 | 345 | 26 | 6 |
Розміри валів конічної форми кранового циліндричного редуктора Ц2-1000:

| Вал, розташований на вході | Вал, розташований на виході | ||||||||||
| d | d1 | l | l1 | b | t | d | d1 | l | l1 | b | t |
| 40 | М24×2 | 110 | 82 | 10 | 20.9 | 85 | М56×4 | 170 | 130 | 20 | 43.75 |
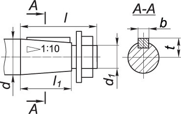
Розміри валів циліндричної форми кранового редуктора Ц2-350:

| Вал, розташований на виході | ||||||||
| d | d1 | d2 | l | l1 | b | t | n | L |
| 85r6 | 50 | М12 | 130 | 22 | 22 | 93 | 2 | 320 |
Таблиця розмірів валу, розташованого на виході, що має вигляд зубчастої напівмуфти редуктора Ц2-1000:

| b | d | d1 | d2 | L | l | l1 | Зачеплення | |
| m | z | |||||||
| 30 | 252 | 110F8 | 140 | 255 | 10 | 60 | 6 | 40 |
Приклад умовного позначення при замовленні:

Редуктор Ц2-350
Відгуків про цей товар ще не було.
Немає відгуків про цей товар, станьте першим, залиште свій відгук.
Немає питань про даний товар, станьте першим і задайте своє питання.