Редуктор Ц2-350-40
Редуктор Ц2-350-40
Циліндричний двоступеневий крановий редуктор Ц2-350-40 — це механізм, розташований у чавунному або сталевому корпусі, який використовується для зміни крутного моменту та зменшення числа обертів. Редуктор — найпоширеніша деталь у механізованому виробництві.
Умови застосування редуктора Ц2-350-25:
• обертання валів можливе в будь-який бік,
• швидкість обертання на виході до 1500 обертів за хвилину,
• середовище неагресивне, невибухово безпечне з помірною запиленістю,
• робота за повного навантаження і зі змінними зупинками,
• застосовують у помірному, сухому або вологому тропічному кліматі, згідно з ГОСТом 15150-69.
Компанія «Зевс» зарекомендувала себе як надійний і стабільний постачальник якісних пристроїв. Заявляючи редуктори в нас, ви отримуєте низку переваг, як-от: якість товару завжди на найвищому рівні, кожен пристрій проходить низку перевірок перед відправленням, ви отримуєте гарантію від виробника на 36 місяців, відправлення відбувається в зазначені терміни. Доставка по всій Україні, за Харковом ми доставимо товар власним транспортом.
Варіанти складання редуктора Ц2-350-40:

Технічні характеристики редуктора Ц2-350-40:
| Передатне число | 40 | |||
| Момент кручення на виході, Нм | Режим роботи | Безперервний Н (ПВ=100%) | 1900 | |
| Дуже важкий ВТ (ПВ=60%) | 1850 | |||
| Важкий Т (ПВ=40%) | 3000 | |||
| Середній С (ПВ=25%) | 5800 | |||
| Легкий Л (ПВ=15%) | 8250 | |||
| Швидкість радання швидкохідного вала, об/хв | 1500 | |||
| Навантаження на вхідний валу, Н | Режим роботи | Безперервний Н (ПВ=100%) | 800 | 500 |
| Важкий Т (ПВ=40%) | 800 | 600 | ||
| Середній С (ПВ=25%) | 1100 | 800 | ||
| Легкий Л (ПВ=15%) | 1000 | |||
| Навантаження на вихідний валу, Н | Режим роботи | Безперервний Н (ПВ=100%) | 11500 | 10900 |
| Дуже важкий ВТ (ПВ=60%) | 10000 | |||
| Важкий Т (ПВ=40%) | 14200 | 13700 | ||
| Середній С (ПВ=25%) | 19300 | 19000 | ||
| Легкий Л (ПВ=15%) | 22000 | |||
| Вага пристрою, кг | 275 | |||
Розміри циліндричного кранового редуктора Ц2-350-40:

| AWT | Awб | A | A1 | B | H | H1 | h | h1 | L | L1 | L2 | L3 | L4 | L5 | d | n |
| 200 | 150 | 400 | 280 | 330 | 410 | 212 | 25 | - | 700 | 550 | 100 | 238 | 300 | 345 | 26 | 6 |
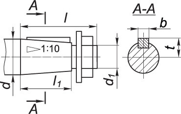
Розміри валів конічної форми циліндричного кранового редуктора Ц2-350-40:

| Вал, розташований на вході | Вал, розташований на виході | ||||||||||
| d | d1 | l | l1 | b | t | d | d1 | l | l1 | b | t |
| 40 | М24×2 | 110 | 82 | 10 | 20.9 | 85 | М56×4 | 170 | 130 | 20 | 43.75 |
| Вал, розташований на виході | ||||||||
| d | d1 | d2 | l | l1 | b | t | n | L |
| 85r6 | 50 | М12 | 130 | 22 | 22 | 93 | 2 | 320 |
| b | d | d1 | d2 | L | l | l1 | Зачеплення | |
| m | z | |||||||
| 30 | 252 | 110F8 | 140 | 255 | 10 | 60 | 6 | 40 |
Редуктор Ц2-350-40
Відгуків про цей товар ще не було.
Немає відгуків про цей товар, станьте першим, залиште свій відгук.
Немає питань про даний товар, станьте першим і задайте своє питання.