Редуктор Ц2-400
Редуктор Ц2-400
Редуктори Ц2-400 - це пристрої, розроблені для експлуатації в приводах підйомних кранів. Робота редуктора полягає у зміні моменту, що крутить, і частоти обертання. Завдяки евольвентному зачепленню зубів редуктор має невеликі габарити, але при цьому у нього високий рівень ККД.
Редуктори Ц2-400 використовують у будь-яких кліматичних умовах при несильній запиленості повітря. Вали обертаються вперед і назад, при цьому швидкість зубчастих передач не перевищує 12 м/с. Навколишнє середовище, в якому працює редуктор, має бути неагресивним. Такі механізми часто використовують у різних галузях на виробництві через тривалий термін служби.
Переваги роботи з компанією «Промпривод»:
- Висока якість виробів.
- Ви отримаєте гарантію від виробника на 12 місяців.
- Кваліфікований персонал.
- Весь товар перед відправленням проходить перевірку на плавність ходу, шум, вібрацію.
- Надсилання в обумовлені терміни.
- Доставка по всій Україні.
Розміри циліндричного кранового редуктора Ц2-400:

Варіанти складання редуктора Ц2-400:

Технічні характеристики редуктора Ц2-400:
| Передавальне число | 8 | 10 | 12.5 | 16 | 20 | 25 | 31.5 | 40 | 50 | ||||
| Момент крутіння на виході, Нм | Режим роботи | Безперервний Б (ПВ=100%) | 3300 | 3100 | |||||||||
| Дуже важкий ДВ (ПВ=60%) | 3650 | 3750 | |||||||||||
| Важкий В (ПВ=40%) | 4000 | 4600 | |||||||||||
| Середній С (ПВ=25%) | 5600 | 7300 | 8000 | ||||||||||
| Легкий Л (ПВ=15%) | 10000 | 14000 | 16000 | ||||||||||
| Швидкість обертання швидкохідного валу, об/хв | 1500 | ||||||||||||
| Навантаження на вхідному валу, Н | Режим роботи | Безперервний Б (ПВ=100%) | 2200 | 900 | 600 | ||||||||
| Важкий В (ПВ=40%) | 2500 | 960 | |||||||||||
| Середній С (ПВ=25%) | 2950 | 2100 | 1000 | ||||||||||
| Легкий Л (ПВ=15%) | 3500 | 2600 | 2200 | ||||||||||
| Навантаження на вихідному валу, Н | Режим роботи | Безперервний Б (ПВ=100%) | 14000 | 13600 | |||||||||
| Дуже важкий ДВ (ПВ=60%) | 14000 | ||||||||||||
| Важкий В (ПВ=40%) | 15800 | 16900 | |||||||||||
| Середній С (ПВ=25%) | 18700 | 21000 | 22000 | ||||||||||
| Легкий Л (ПВ=15%) | 25000 | 29000 | 31000 | ||||||||||
| Вага пристрою, кг | 385 | ||||||||||||
| AWT | Awб | А | A1 | B | H | H1 | h | h1 | L | L1 | L2 | L3 | L4 | L5 | d | n |
| 250 | 150 | 500 | 320 | 380 | 505 | 265 | 27 | - | 805 | 640 | 150 | 286 | 325 | 375 | 33 | 6 |
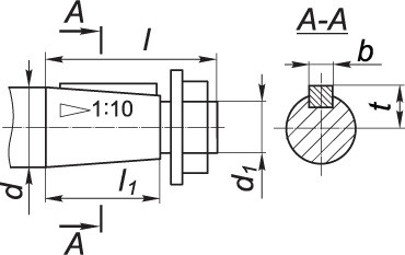
Розміри валів конічної форми кранового циліндричного редуктора Ц2-1000:

| Вал, розташований на вході | Вал, розташований на виході | ||||||||||
| d | d1 | l | l1 | b | t | d | d1 | l | l1 | b | t |
| 50 | М36×3 | 110 | 82 | 12 | 25.95 | 95 | М64×4 | 170 | 130 | 22 | 48.75 |
Розміри валів циліндричної форми кранового редуктора Ц2-400:

| Вал, розташований на виході | ||||||||
| d | d1 | d2 | l | l1 | b | t | n | L |
| 95r6 | 50 | М12 | 130 | 22 | 25 | 104 | 2 | 350 |
Таблиця розмірів валу, розташованого на виході, що має вигляд зубчастої напівмуфти редуктора Ц2-1000:

| b | d | d1 | d2 | L | l | l1 | Зачеплення | |
| m | z | |||||||
| 30 | 252 | 110F8 | 140 | 280 | 10 | 60 | 6 | 40 |
Приклад умовного позначення при замовленні:

Редуктор Ц2-400
Відгуків про цей товар ще не було.
Немає відгуків про цей товар, станьте першим, залиште свій відгук.
Немає питань про даний товар, станьте першим і задайте своє питання.