Редуктор Ц2-400-20
Редуктор Ц2-400-20
Редуктор Ц2-400-20 це крановий двоступеневий пристрій із циліндричним типом передавання, який застосовується в механізмах вантажних машин. Принцип роботи редуктора полягає в зміні крутного моменту та швидкості обертання.
Редуктори Ц2-400-20 застосовують у слабо запиленому приміщенні або просто неба. Обертання валів можливе в різні боки. Швидкість обертання на вході не має бути більш ніж 1500 обертів за хвилину. Навантаження, що подається на редуктор, може бути різних типів. Високий коефіцієнт корисної дії.
Переваги роботи з нами:
1.Висока якість виробів.
2. Ви отримуєте гарантію від виробника на 36 місяців.
3. Кваліфікований персонал.
4. Весь товар перед відправленням проходить перевірку на плавність ходу, шум, вібрацію.
5. Паспорт з усіма печатками ОТК
6. Відсилання в умовлені терміни.
7. Доставка по всій Україні.
8. За Харковом доставимо пристрої власним транспортом.
Варіанти складання редуктора Ц2-400-20:

Технічні характеристики редуктора Ц2-400-20:
| Передатне число | 20 | |||
| Момент кручення на виході, Нм | Режим роботи | Безперервний Н (ПВ=100%) | 3100 | |
| Дуже важкий ВТ (ПВ=60%) | 3650 | 3750 | ||
| Важкий Т (ПВ=40%) | 4600 | |||
| Середній С (ПВ=25%) | 7300 | |||
| Легкий Л (ПВ=15%) | 14000 | |||
| Швидкість радання швидкохідного вала, об/хв | 1500 | |||
| Навантаження на вхідний валу, Н | Режим роботи | Безперервний Н (ПВ=100%) | 900 | |
| Важкий Т (ПВ=40%) | 960 | |||
| Середній С (ПВ=25%) | 2100 | |||
| Легкий Л (ПВ=15%) | 2600 | |||
| Навантаження на вихідний валу, Н | Режим роботи | Безперервний Н (ПВ=100%) | 13600 | |
| Дуже важкий ВТ (ПВ=60%) | 14000 | |||
| Важкий Т (ПВ=40%) | 16900 | |||
| Середній С (ПВ=25%) | 21000 | |||
| Легкий Л (ПВ=15%) | 29000 | |||
| Вага пристрою, кг | 385 | |||
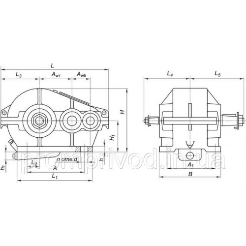
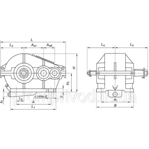
Розміри циліндричного кранового редуктора Ц2-400-20:

| AWT | Awб | А | A1 | B | H | H1 | h | h1 | L | L1 | L2 | L3 | L4 | L5 | d | n |
| 250 | 150 | 500 | 320 | 380 | 505 | 265 | 27 | - | 805 | 640 | 150 | 286 | 325 | 375 | 33 | 6 |
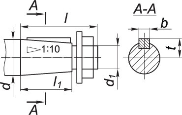
Розміри валів конічної форми циліндричного кранового редуктора Ц2-400-20:

| Вал, розташований на вході | Вал, розташований на виході | ||||||||||
| d | d1 | l | l1 | b | t | d | d1 | l | l1 | b | t |
| 50 | М36 3 | 110 | 82 | 12 | 25.95 | 95 | М64 4 | 170 | 130 | 22 | 48.75 |
Розміри валів циліндричної форми кранового редуктора Ц2-400-20:

| Вал, розташований на виході | ||||||||
| d | d1 | d2 | l | l1 | b | t | n | L |
| 95r6 | 50 | М12 | 130 | 22 | 25 | 104 | 2 | 350 |
Таблиця розмірів вала, розташованого на виході, що має вигляд зубчастої півмуфти редуктора Ц2-400-20:

| b | d | d1 | d2 | L | l | l1 | Зачеплення | |
| m | z | |||||||
| 30 | 252 | 110F8 | 140 | 280 | 10 | 60 | 6 | 40 |
Приклад умовного позначення редуктора Ц2-400-20 у разі замовлення:

Редуктор Ц2-400-20
Відгуків про цей товар ще не було.
Немає відгуків про цей товар, станьте першим, залиште свій відгук.
Немає питань про даний товар, станьте першим і задайте своє питання.