Редуктор Ц2-400-31,5
Редуктор Ц2-400-31,5
Циліндричний крановий горизонтальний редуктор Ц2-400-31,5 призначений для зміни крутного моменту та числа обертів електродвигунів і приводів. Використовується здебільшого в машинобудівній галузі в складі кранових установок.
Умови застосування редуктора Ц2-400-31,5: пряме та зворотне обертання валів, окружна швидкість яких не вище ніж 12 м/сек., температура зовнішнього середовища від -40 C до 50 C, продуктивно працює як у разі непостійних навантажень, з зупинками, так і в режимі 24 години, працює в запиленій, але неагресивному середовищі. Двоступеневий редуктор Ц2-400-31,5
має тривалий термін експлуатації та невибагливий в експлуатації.
Переваги роботи з нами:
1.Висока якість виробів.
2. Ви отримуєте гарантію від виробника на 36 місяців.
3. Кваліфікований персонал.
4. Весь товар перед відправленням проходить перевірку на плавність ходу, шум, вібрацію.
5. Перевірка на герметизацію корпусу.
6. Відсилання в умовлені терміни.
7. Доставка по всій Україні.
Варіанти складання редуктора Ц2-400-31,5:

Технічні характеристики редуктора Ц2-400-31,5:
| Передатне число | 31.5 | ||
| Момент крутіння на виході, Нм | Режим роботи | Безперервний Н (ПВ=100%) | 3100 |
| Дуже важкий ВТ (ПВ=60%) | 3750 | ||
| Важкий Т (ПВ=40%) | 4600 | ||
| Середній С (ПВ=25%) | 7300 | ||
| Легкий Л (ПВ=15%) | 14000 | ||
| Швидкість радання швидкохідного вала, об/хв | 1500 | ||
| Навантаження на вхідний валу, Н | Режим роботи | Безперервний Н (ПВ=100%) | 900 |
| Важкий Т (ПВ=40%) | 960 | ||
| Середній С (ПВ=25%) | 2100 | ||
| Легкий Л (ПВ=15%) | 2600 | ||
| Навантаження на вихідний валу, Н | Режим роботи | Безперервний Н (ПВ=100%) | 13600 |
| Дуже важкий ВТ (ПВ=60%) | 14000 | ||
| Важкий Т (ПВ=40%) | 16900 | ||
| Середній С (ПВ=25%) | 21000 | ||
| Легкий Л (ПВ=15%) | 29000 | ||
| Вага пристрою, кг | 385 | ||
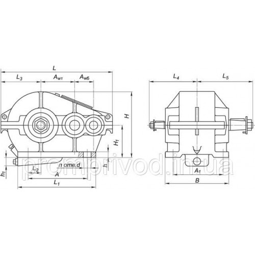
Розміри циліндричного кранового редуктора Ц2-400-31,5:

| AWT | Awб | А | A1 | B | H | H1 | h | h1 | L | L1 | L2 | L3 | L4 | L5 | d | n |
| 250 | 150 | 500 | 320 | 380 | 505 | 265 | 27 | - | 805 | 640 | 150 | 286 | 325 | 375 | 33 | 6 |
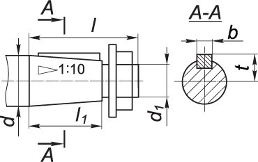
Розміри валів конічної форми циліндричного кранового редуктора Ц2-400-31,5:

| Вал, розташований на вході | Вал, розташований на виході | ||||||||||
| d | d1 | l | l1 | b | t | d | d1 | l | l1 | b | t |
| 50 | М36 3 | 110 | 82 | 12 | 25.95 | 95 | М64 4 | 170 | 130 | 22 | 48.75 |
Розміри валів циліндричної форми кранового редуктора Ц2-400-31,5:

| Вал, розташований на виході | ||||||||
| d | d1 | d2 | l | l1 | b | t | n | L |
| 95r6 | 50 | М12 | 130 | 22 | 25 | 104 | 2 | 350 |
Таблиця розмірів вала, розташованого на виході, що має вигляд зубчастої півмуфти редуктора Ц2-400-31,5:

| b | d | d1 | d2 | L | l | l1 | Зачеплення | |
| m | z | |||||||
| 30 | 252 | 110F8 | 140 | 280 | 10 | 60 | 6 | 40 |
Приклад умовного позначення редуктора Ц2-400 -31,5 у разі замовлення:

Редуктор Ц2-400-31,5
Відгуків про цей товар ще не було.
Немає відгуків про цей товар, станьте першим, залиште свій відгук.
Немає питань про даний товар, станьте першим і задайте своє питання.