Редуктор Ц2-400-8
Редуктор Ц2-400-8
Циліндричний двоступеневий редуктор Ц2-400-8 призначений для збільшення крутного моменту та зменшення загальної частоти обертання в будь-якому підіймально-транспортному типі обладнання. Редуктор Ц2-400-8 не замінний на виробництві.
Редуктори Ц2-400-8 застосовують зі змінними навантаженнями, але є можливість роботи в режимі 24 години. Швидкість обертання вихідного вала становить від 600 до 1500об./хв. Вали обертаються в будь-який бік. Редуктори можуть експлуатуватися в сухих, помірних (У), а також тропічних (Т) кліматичних умовах (ГОСТ 15150-69), за температури від -40 до +50 градусів Цельсія. Засіб їх застосування не має бути агресивною та вибухонебезпечною.
Переваги роботи з нами:
1.Висока якість виробів.
2. Ви отримуєте гарантію від виробника на 36 місяців.
3. Кваліфікований персонал.
4. Весь товар перед відправленням проходить перевірку на плавність ходу, шум, вібрацію.
5. Перевірка на герметизацію корпусу.
6. Відсилання в умовлені терміни.
Варіанти складання редуктора Ц2-400-8:

Технічні характеристики редуктора Ц2-400-8:
| Передатне число | 8 | ||
| Момент кручення на виході, Нм | Режим роботи | Безперервний Н (ПВ=100%) | 3300 |
| Дуже важкий ВТ (ПВ=60%) | 3650 | ||
| Важкий Т (ПВ=40%) | 4000 | ||
| Середній С (ПВ=25%) | 5600 | ||
| Легкий Л (ПВ=15%) | 10000 | ||
| Швидкість радання швидкохідного вала, об/хв | 1500 | ||
| Навантаження на вхідний валу, Н | Режим роботи | Безперервний Н (ПВ=100%) | 2200 |
| Важкий Т (ПВ=40%) | 2500 | ||
| Середній С (ПВ=25%) | 2950 | ||
| Легкий Л (ПВ=15%) | 3500 | ||
| Навантаження на вихідний валу, Н | Режим роботи | Безперервний Н (ПВ=100%) | 14000 |
| Дуже важкий ВТ (ПВ=60%) | 14000 | ||
| Важкий Т (ПВ=40%) | 15800 | ||
| Середній С (ПВ=25%) | 18700 | ||
| Легкий Л (ПВ=15%) | 25000 | ||
| Вага пристрою, кг | 385 | ||
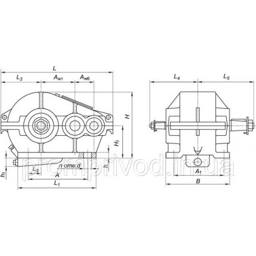
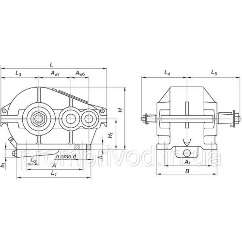
Розміри циліндричного кранового редуктора Ц2-400-8:

| AWT | Awб | А | A1 | B | H | H1 | h | h1 | L | L1 | L2 | L3 | L4 | L5 | d | n |
| 250 | 150 | 500 | 320 | 380 | 505 | 265 | 27 | - | 805 | 640 | 150 | 286 | 325 | 375 | 33 | 6 |
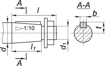
Розміри валів конічної форми циліндричного кранового редуктора Ц2-400-8:

| Вал, розташований на вході | Вал, розташований на виході | ||||||||||
| d | d1 | l | l1 | b | t | d | d1 | l | l1 | b | t |
| 50 | М36 3 | 110 | 82 | 12 | 25.95 | 95 | М64 4 | 170 | 130 | 22 | 48.75 |
Розміри валів циліндричної форми кранового редуктора Ц2-400-8:

| Вал, розташований на виході | ||||||||
| d | d1 | d2 | l | l1 | b | t | n | L |
| 95r6 | 50 | М12 | 130 | 22 | 25 | 104 | 2 | 350 |
Таблиця розмірів вала, розташованого на виході, що має вигляд зубчастої півмуфти редуктора Ц2-400-8:

| b | d | d1 | d2 | L | l | l1 | Зачеплення | |
| m | z | |||||||
| 30 | 252 | 110F8 | 140 | 280 | 10 | 60 | 6 | 40 |
Приклад умовного позначення редуктора Ц2-400-8 під час замовлення:

Редуктор Ц2-400-8
Відгуків про цей товар ще не було.
Немає відгуків про цей товар, станьте першим, залиште свій відгук.
Немає питань про даний товар, станьте першим і задайте своє питання.