Редуктор Ц2-500
Редуктор Ц2-500
Редуктор Ц2-500 — це потужний агрегат, який використовується для варіювання крутного моменту та числа обертів електродвигунів і приводів. Використовується здебільшого в складі кранових установок.
Такі пристрої чудово та довго працюють за таких умов:
• вал може обертатися в будь-яку зі сторін,
• швидкість обертання на вході не може бути вищою від 1500 об/хв,
• кліматичне виконання У, Т, УХЛ і Про за ГОСТ-15050,
Переваги роботи з нами:
1.Висока якість виробів.
2. Ви отримуєте гарантію від виробника на 36 місяців.
3. Кваліфікований персонал.
4. Весь товар перед відправленням проходить перевірку на плавність ходу, шум, вібрацію.
5. Відсилання в умовлені терміни.
6. Доставка по всій Україні.
Розміри циліндричного кранового редуктора Ц2-500:

Варіанти складання редуктора Ц2-500:

Технічні характеристики редуктора Ц2-500:
| Передатне число | 8 | 10 | 12.5 | 16 | 20 | 25 | 31.5 | 40 | 50 | |||||
| Момент кручення на виході, Нм | Режим роботи | Безперервний Н (ПВ=100%) | 6000 | 5500 | ||||||||||
| Дуже важкий ВТ (ПВ=60%) | 7300 | 6500 | 6150 | |||||||||||
| Важкий Т (ПВ=40%) | 8500 | 9500 | ||||||||||||
| Середній С (ПВ=25%) | 14000 | 17500 | 18000 | |||||||||||
| Легкий Л (ПВ=15%) | 24000 | 24300 | 26000 | 28000 | ||||||||||
| Швидкість радання швидкохідного вала, об/хв | 1500 | |||||||||||||
| Навантаження на вхідний валу, Н | Режим роботи | Безперервний Н (ПВ=100%) | 3100 | 2500 | 2150 | 1100 | 900 | |||||||
| Важкий Т (ПВ=40%) | 4100 | 3700 | 3000 | 2500 | 2000 | 1100 | ||||||||
| Середній С (ПВ=25%) | 5200 | 4700 | 4200 | 4000 | 3000 | 2500 | ||||||||
| Легкий Л (ПВ=15%) | 6900 | 6100 | 5500 | 5000 | 3700 | 3000 | ||||||||
| Навантаження на вихідний валу, Н | Режим роботи | Безперервний Н (ПВ=100%) | 14000 | 13600 |
| |||||||||
| Дуже важкий ВТ (ПВ=60%) | 14000 | |||||||||||||
| Важкий Т (ПВ=40%) | 23000 | 24350 | ||||||||||||
| Середній С (ПВ=25%) | 29500 | 32500 | 22000 | |||||||||||
| Легкий Л (ПВ=15%) | 38700 | 40300 | 41800 | |||||||||||
| Вага пристрою, кг | 615 | |||||||||||||
| AWT | Awб | A | A1 | B | H | H1 | h | h1 | L | L1 | L2 | L3 | L4 | L5 | d | n |
| 300 | 200 | 640 | 360 | 440 | 598 | 315 | 30 | - | 985 | 785 | 190 | 340 | 390 | 445 | 39 | 6 |
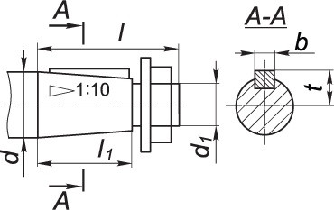
Розміри валів конічної форми циліндричного кранового редуктора Ц2-500:

| Вал, розташований на вході | Вал, розташований на виході | ||||||||||
| d | d1 | l | l1 | b | t | d | d1 | l | l1 | b | t |
| 60 | М42×3 | 140 | 105 | 16 | 31.38 | 110 | М80×4 | 210 | 165 | 25 | 55.88 |
| Вал, розташований на виході | ||||||||
| d | d1 | d2 | l | l1 | b | t | n | L |
| 110s6 | 80 | М12 | 165 | 22 | 28 | 120 | 3 | 410 |
| b | d | d1 | d2 | L | l | l1 | Зачеплення | |
| m | z | |||||||
| 40 | 336 | 150F8 | 215 | 330 | 15 | 65 | 8 | 40 |
Редуктор Ц2-500
Відгуків про цей товар ще не було.
Немає відгуків про цей товар, станьте першим, залиште свій відгук.
Немає питань про даний товар, станьте першим і задайте своє питання.