Редуктор Ц2-500-20
Редуктор Ц2-500-20
Редуктор Ц2-500-20 застосовують у механізмах підіймальних кранів, ще редуктор може бути використаний для приводу інших машин. Призначення цього редуктора — це зміна крутного моменту та швидкості обертання.
Редуктор Ц2-500-20 вельми потрібний і має низку переваг:
• Має високий коефіцієнт корисної дії (понад 95%).
• Працює як зі змінними навантаженнями, так і в режимі 24 години.
• Обертання валів як в один, так і у зворотний бік.
• Точність передавання крутного моменту.
• Різні кліматичні умови.
• Навантаження одного напрямку або реверсивне.
Заявляючи редуктори в нас, ви отримуєте низку переваг, як-от: якість товару завжди на найвищому рівні, кожен пристрій проходить низку перевірок перед відправленням, ви отримуєте гарантію від виробника на 36 місяців, відправлення відбувається в зазначені терміни. Доставка всією Україною, за Харковом ми доставимо товар власним транспортом
Варіанти складання редуктора Ц2-500-20:

Технічні характеристики редуктора Ц2-500-20:
| Передатне число | 20 | |||
| Момент кручення на виході, Нм | Режим роботи | Безперервний Н (ПВ=100%) | 6000 | |
| Дуже важкий ВТ (ПВ=60%) | 6500 | |||
| Важкий Т (ПВ=40%) | 8500 | |||
| Середній С (ПВ=25%) | 17500 | |||
| Легкий Л (ПВ=15%) | 24300 | |||
| Швидкість радання швидкохідного вала, об/хв | 1500 | |||
| Навантаження на вхідний валу, Н | Режим роботи | Безперервний Н (ПВ=100%) | 2150 | |
| Важкий Т (ПВ=40%) | 2500 | |||
| Середній С (ПВ=25%) | 4000 | |||
| Легкий Л (ПВ=15%) | 5000 | |||
| Навантаження на вихідний валу, Н | Режим роботи | Безперервний Н (ПВ=100%) | 13600 | |
| Дуже важкий ВТ (ПВ=60%) | 14000 | |||
| Важкий Т (ПВ=40%) | 23000 | |||
| Середній С (ПВ=25%) | 32500 | 22000 | ||
| Легкий Л (ПВ=15%) | 38700 | 40300 | ||
| Вага пристрою, кг | 615 | |||
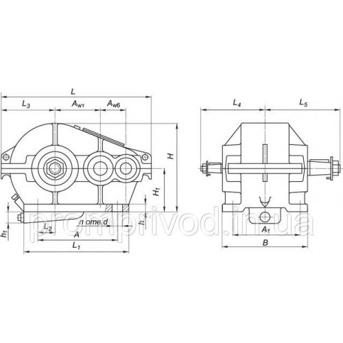
Розміри циліндричного кранового редуктора Ц2-500-20:

| AWT | Awб | A | A1 | B | H | H1 | h | h1 | L | L1 | L2 | L3 | L4 | L5 | d | n |
| 300 | 200 | 640 | 360 | 440 | 598 | 315 | 30 | - | 985 | 785 | 190 | 340 | 390 | 445 | 39 | 6 |
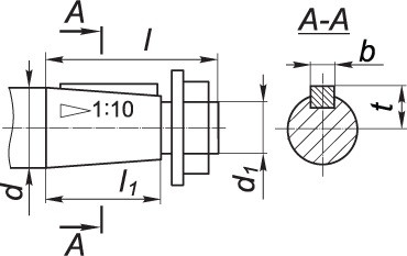
Розміри валів конічної форми циліндричного кранового редуктора Ц2-500-20:

| Вал, розташований на вході | Вал, розташований на виході | ||||||||||
| d | d1 | l | l1 | b | t | d | d1 | l | l1 | b | t |
| 60 | М42×3 | 140 | 105 | 16 | 31.38 | 110 | М80×4 | 210 | 165 | 25 | 55.88 |
Розміри валів циліндричної форми кранового редуктора Ц2-500-20:
| Вал, розташований на виході | ||||||||
| d | d1 | d2 | l | l1 | b | t | n | L |
| 110s6 | 80 | М12 | 165 | 22 | 28 | 120 | 3 | 410 |
| b | d | d1 | d2 | L | l | l1 | Зачеплення | |
| m | z | |||||||
| 40 | 336 | 150F8 | 215 | 330 | 15 | 65 | 8 | 40 |
Редуктор Ц2-500-20
Відгуків про цей товар ще не було.
Немає відгуків про цей товар, станьте першим, залиште свій відгук.
Немає питань про даний товар, станьте першим і задайте своє питання.