Редуктор Ц2-500-50
Редуктор Ц2-500-50
Двоступеневий редуктор Ц2-500-50 — це горизонтальний пристрій. Він використовується у сфері машинобудування, де потрібна зміна крутного моменту та числа обертів різних приводів. Має циліндричний тип передавання.
Основні умови роботи редуктора Ц2-500-50:
• Працює у разі постійних і змінних навантажень.
• Вали обертаються як в один, так і в інший бік із максимальною швидкістю 1500 обертів за хвилину.
• Температура зовнішнього середовища від -40 °C до 50 °C,
• Працює в запиленому, але неагресивному середовищі.
Зателефонувавши нашим менеджерам, ви отримаєте всю необхідну інформацію про продукцію. Компанія «Зевс» надає гарантію від виробника на 36 місяців. Кожен редуктор проходить перевірку перед відправленням на плавність ходу, шум і вібрацію. Відсилання відбувається в умовлені терміни. Доставка по всій Україні.
Варіанти складання редуктора Ц2-500-50:

Технічні характеристики редуктора Ц2-500-50:
| Передатне число | 50 | |||
| Момент кручення на виході, Нм | Режим роботи | Безперервний Н (ПВ=100%) | 5500 | |
| Дуже важкий ВТ (ПВ=60%) | 6150 | |||
| Важкий Т (ПВ=40%) | 9500 | |||
| Середній С (ПВ=25%) | 18000 | |||
| Легкий Л (ПВ=15%) | 28000 | |||
| Швидкість радання швидкохідного вала, об/хв | 1500 | |||
| Навантаження на вхідний валу, Н | Режим роботи | Безперервний Н (ПВ=100%) | 900 | |
| Важкий Т (ПВ=40%) | 2000 | 1100 | ||
| Середній С (ПВ=25%) | 2500 | |||
| Легкий Л (ПВ=15%) | 3000 | |||
| Навантаження на вихідний валу, Н | Режим роботи | Безперервний Н (ПВ=100%) |
| |
| Дуже важкий ВТ (ПВ=60%) | 14000 | |||
| Важкий Т (ПВ=40%) | 24350 | |||
| Середній С (ПВ=25%) | 22000 | |||
| Легкий Л (ПВ=15%) | 41800 | |||
| Вага пристрою, кг | 615 | |||
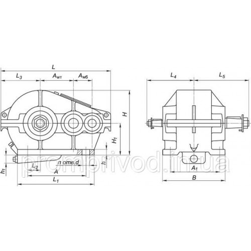
Розміри циліндричного кранового редуктора Ц2-500-50:

| AWT | Awб | A | A1 | B | H | H1 | h | h1 | L | L1 | L2 | L3 | L4 | L5 | d | n |
| 300 | 200 | 640 | 360 | 440 | 598 | 315 | 30 | - | 985 | 785 | 190 | 340 | 390 | 445 | 39 | 6 |
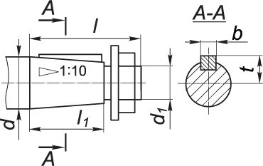
Розміри валів конічної форми циліндричного кранового редуктора Ц2-500-50:

| Вал, розташований на вході | Вал, розташований на виході | ||||||||||
| d | d1 | l | l1 | b | t | d | d1 | l | l1 | b | t |
| 60 | М42×3 | 140 | 105 | 16 | 31.38 | 110 | М80×4 | 210 | 165 | 25 | 55.88 |
| Вал, розташований на виході | ||||||||
| d | d1 | d2 | l | l1 | b | t | n | L |
| 110s6 | 80 | М12 | 165 | 22 | 28 | 120 | 3 | 410 |
| b | d | d1 | d2 | L | l | l1 | Зачеплення | |
| m | z | |||||||
| 40 | 336 | 150F8 | 215 | 330 | 15 | 65 | 8 | 40 |
Редуктор Ц2-500-50
Відгуків про цей товар ще не було.
Немає відгуків про цей товар, станьте першим, залиште свій відгук.
Немає питань про даний товар, станьте першим і задайте своє питання.